指南生活
首页
美食营养
手工爱好
生活家居
返回
指南生活
首页
美食营养
游戏数码
手工爱好
生活家居
健康养生
运动户外
职场理财
情感交际
母婴教育
时尚美容
知识问答
生活知识
生活百科
搜索
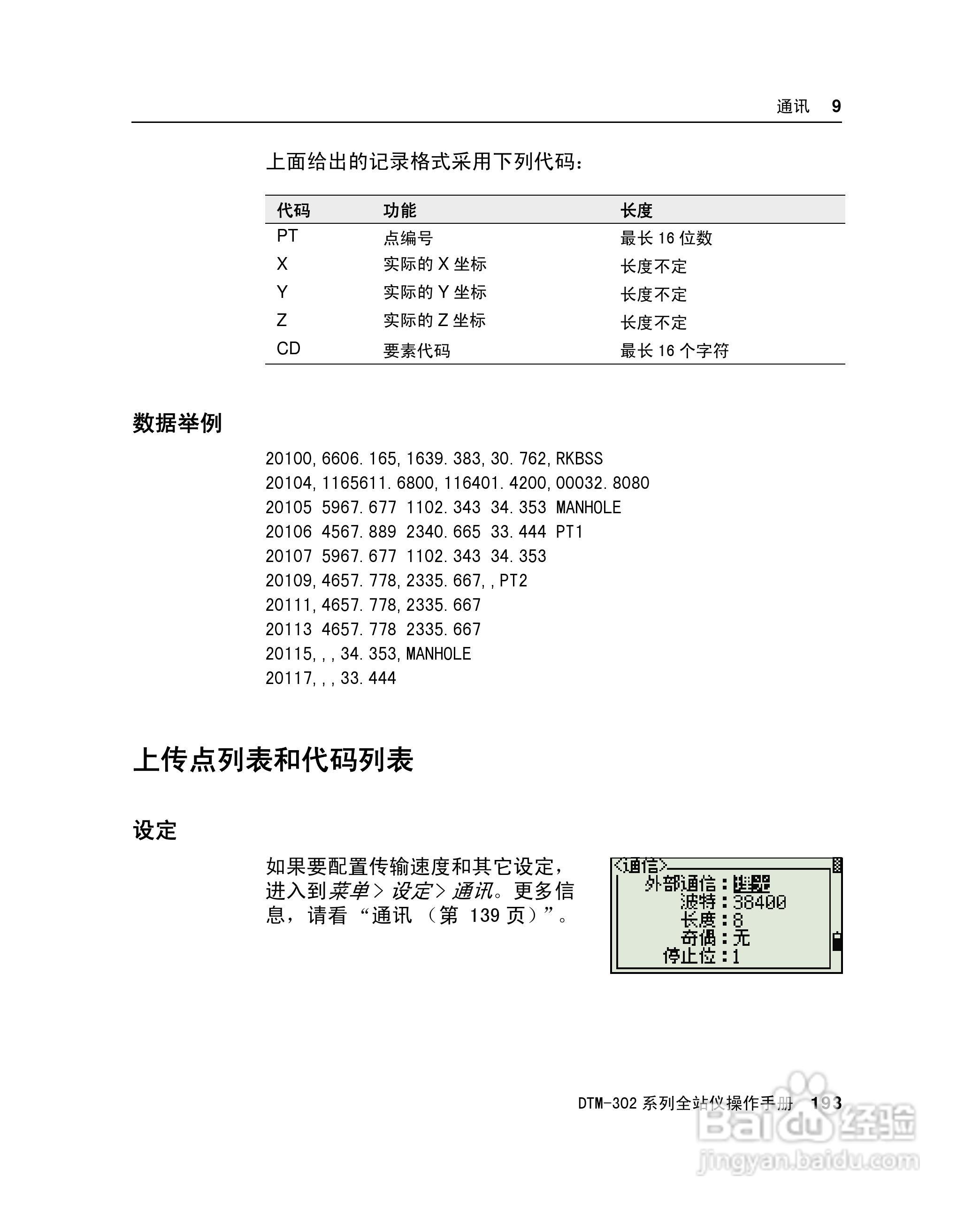
尼康DTM-302、332、352、362 系列全站仪使用手册:[21]
2026-03-28 08:35:01
本篇为《尼康DTM-302、332、352、362 系列全站仪使用手册》,主要介绍该产品的使用方法以及常见故障解决方案。
(共篇)
上一篇:
|
下一篇:
声明:
本网站引用、摘录或转载内容仅供网站访问者交流或参考,不代表本站立场,如存在版权或非法内容,请联系站长删除,联系邮箱:site.kefu@qq.com。
相关推荐
尼康DTM-302、332、352、362 系列全站仪使用手册:[11]
阅读量:145
全站仪使用方法
阅读量:181
全站仪的操作技巧
阅读量:165
全站仪进行距离测量的方法
阅读量:52
全站仪obs 码率如何设置
阅读量:127
猜你喜欢
平板电脑怎么刷机
憋气是怎么回事
橡皮泥干了怎么办
尿泡沫多是怎么回事
肉末粉条的家常做法
二手车怎么样
海参的家常做法大全
吸甲醛最好的方法
头癣怎么治
酱牛肉怎么做最好吃
猜你喜欢
皮衣怎么保养
tata木门怎么样
怎么打字快
栀子花的养殖方法
爱奇艺会员怎么登陆
失眠症的治疗方法
单位换算表大全
玉米面怎么做好吃
内分泌失调该怎么办
红烧牛肉的家常做法