指南生活
首页
美食营养
手工爱好
生活家居
返回
指南生活
首页
美食营养
游戏数码
手工爱好
生活家居
健康养生
运动户外
职场理财
情感交际
母婴教育
时尚美容
知识问答
生活知识
搜索
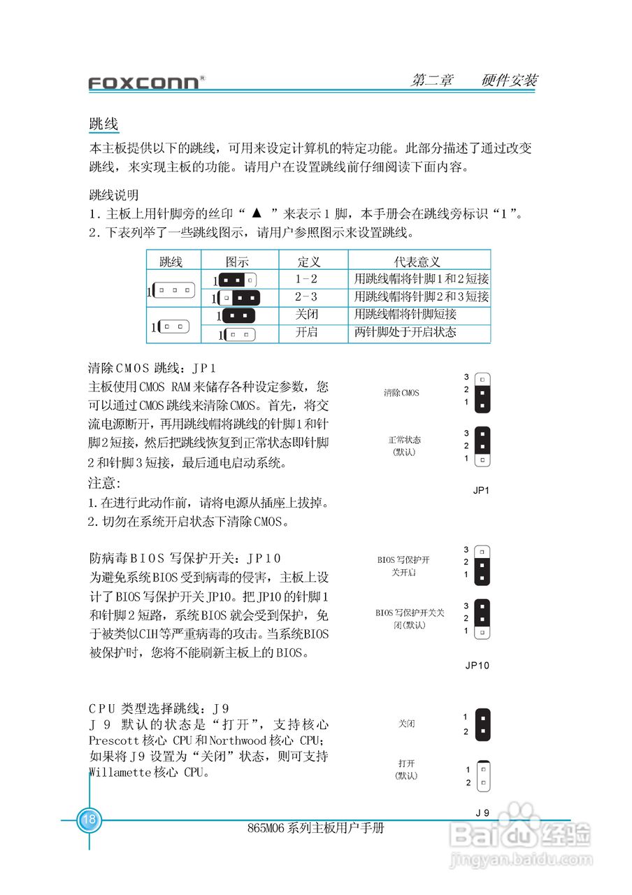
富士康865M06-GV-6LS型主板使用手册:[3]
2025-12-20 07:14:42
本篇为《富士康865M06-GV-6LS型主板使用手册》,主要介绍该产品的使用方法以及常见故障解决方案。
(共篇)
上一篇:
|
下一篇:
声明:
本网站引用、摘录或转载内容仅供网站访问者交流或参考,不代表本站立场,如存在版权或非法内容,请联系站长删除,联系邮箱:site.kefu@qq.com。
相关推荐
富士康865M01-G-6LS型主板使用手册:[6]
阅读量:76
富士康848A01-6LS型主板使用手册:[3]
阅读量:149
富士康848A01-6LS型主板使用手册:[6]
阅读量:179
富士康848A01-6LS型主板使用手册:[4]
阅读量:122
富士康848A01-6LS型主板使用手册:[5]
阅读量:166
猜你喜欢
孔怎么组词
土字旁的男孩名字大全
踉踉跄跄怎么读
蒜泥龙虾怎么做
生菜的做法大全
世界未解之谜大全
网络游戏大全
怎么艾特别人
tp-link无线路由器怎么设置
差旅费报销单怎么填
猜你喜欢
骨架大的人怎么减肥
农村门楼图片大全
怎么打分数
恐怖图片大全
猫和老鼠图片大全
刘德华歌曲大全
发型大全
口舌生疮怎么办
公司介绍怎么写
微信透明壁纸怎么设置