指南生活
首页
美食营养
手工爱好
生活家居
返回
指南生活
首页
美食营养
游戏数码
手工爱好
生活家居
健康养生
运动户外
职场理财
情感交际
母婴教育
时尚美容
知识问答
生活知识
搜索
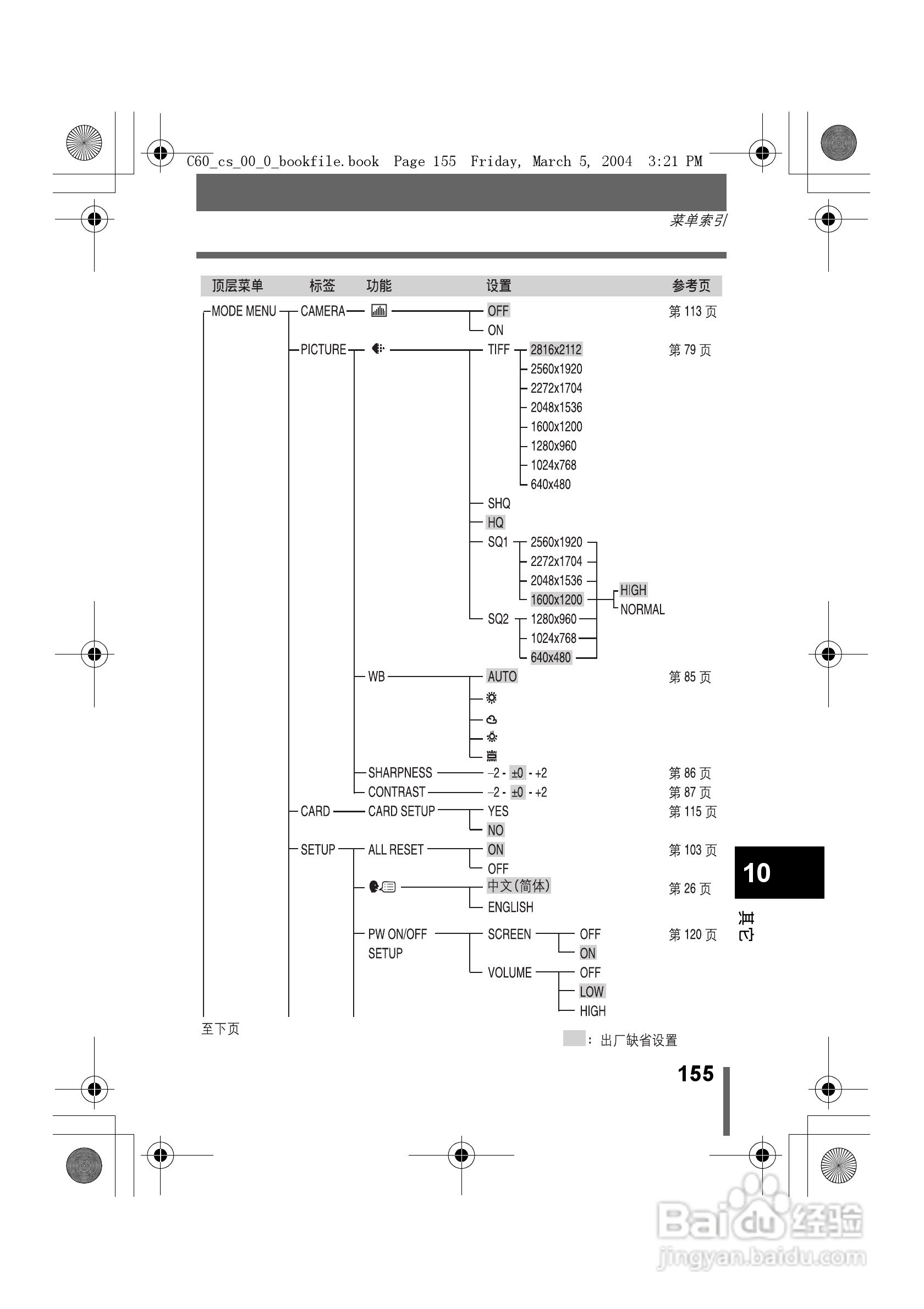
奥林巴斯 C-60ZOOM数码相机说明书:[16]
2026-01-07 16:02:19
(共篇)
上一篇:
|
下一篇:
声明:
本网站引用、摘录或转载内容仅供网站访问者交流或参考,不代表本站立场,如存在版权或非法内容,请联系站长删除,联系邮箱:site.kefu@qq.com。
相关推荐
奥林巴斯 C-60ZOOM数码相机说明书:[17]
阅读量:31
奥林巴斯 C-60ZOOM数码相机说明书:[18]
阅读量:107
奥林巴斯 C-5060ZOOM数码相机说明书:[5]
阅读量:91
数码相机fe-350wide使用说明
阅读量:51
数码相机如何设置拍得清晰不会模糊
阅读量:125
猜你喜欢
wifi怎么读音
ps中图层蒙版怎么用
如何教孩子认字
粉象生活怎么赚钱
广州塔怎么去
同居生活
5月20日是什么星座
如何使鼻梁变高
蓟县生活网最新招聘
后羿怎么玩厉害
猜你喜欢
o型血和ab型生的孩子是什么血型
如何挽回情感
此地无银三百两是什么意思
如何升级浏览器
梦见牙齿掉了是什么征兆
军训生活
受宠若惊是什么意思
怎么打乘号
如何更改图片大小
炒外汇如何开户