指南生活
首页
美食营养
手工爱好
生活家居
返回
指南生活
首页
美食营养
游戏数码
手工爱好
生活家居
健康养生
运动户外
职场理财
情感交际
母婴教育
时尚美容
知识问答
生活知识
生活百科
搜索
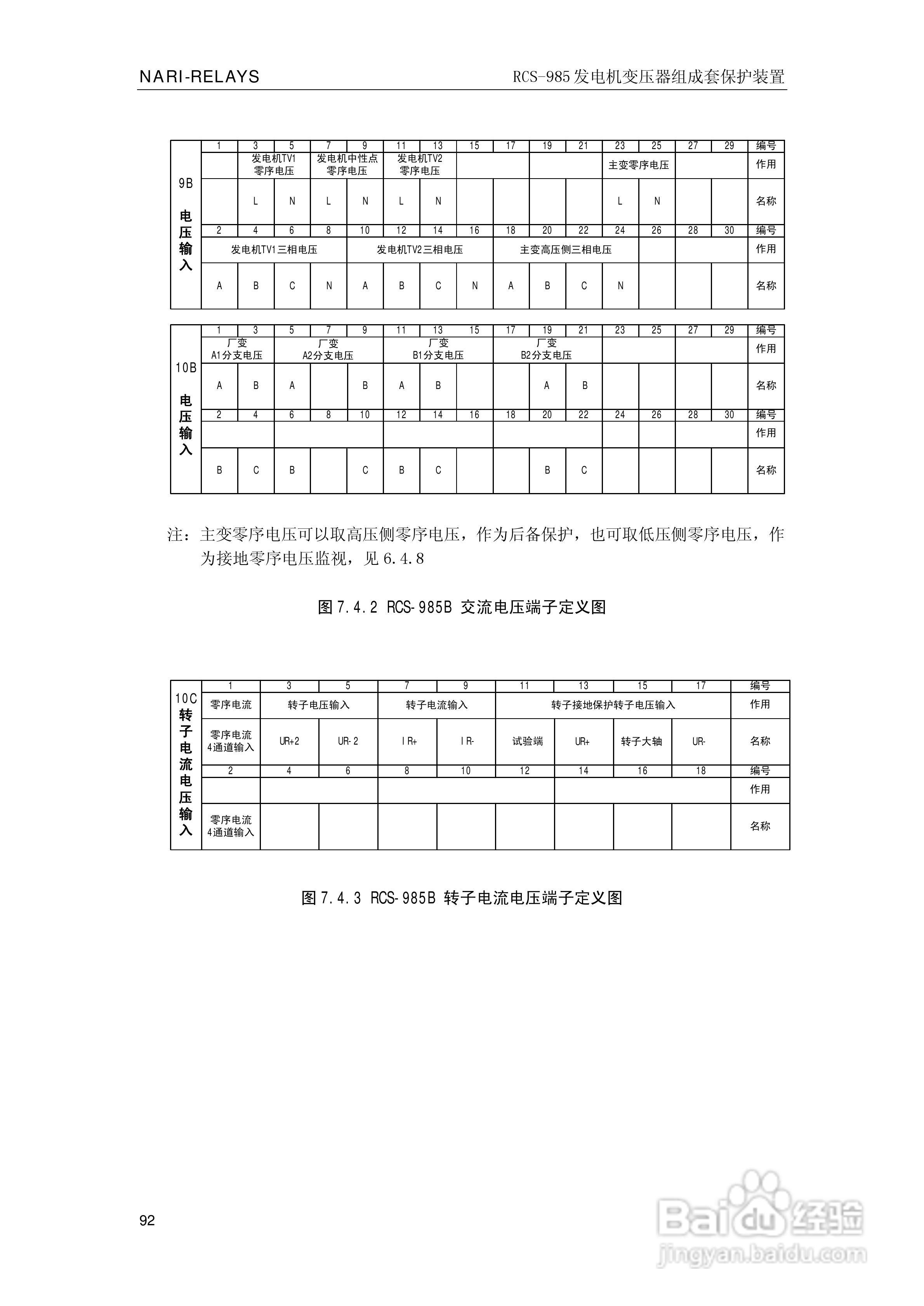
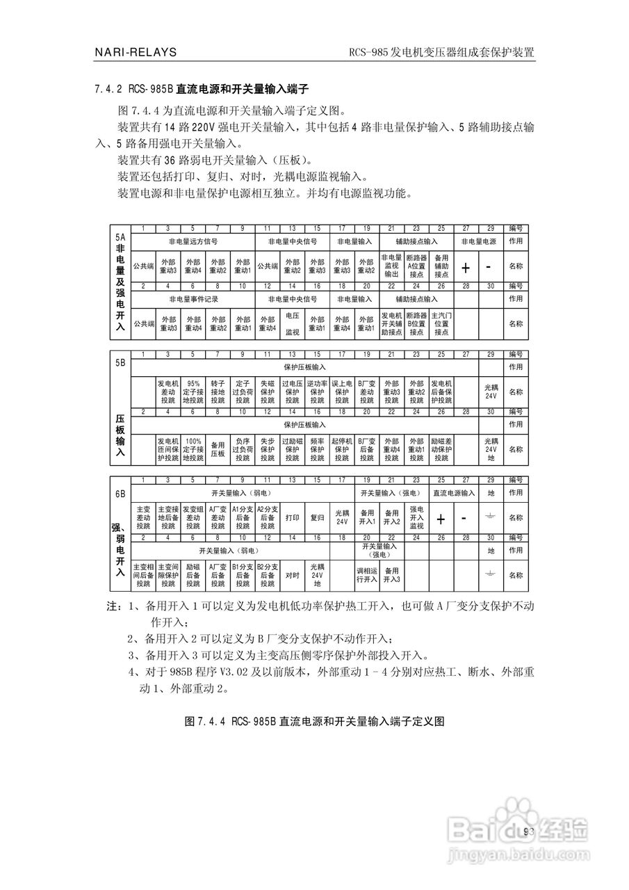
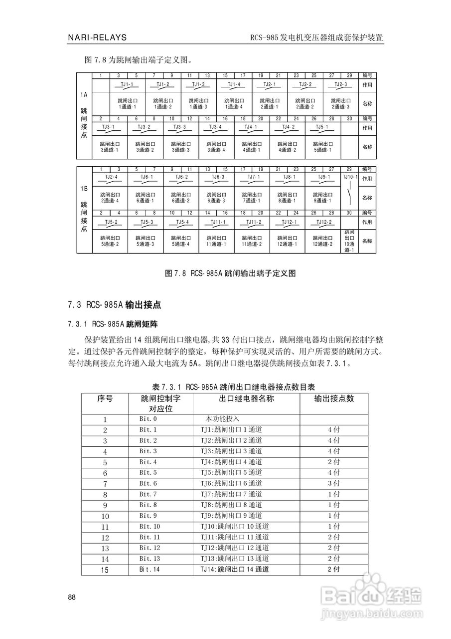
南瑞RCS-985G发电机变压器成套保护装置技术说明书:[10]
2026-04-29 13:45:33
本篇为《南瑞RCS-985G发电机变压器成套保护装置技术说明书》,主要介绍该产品的使用方法以及常见故障解决方案。
(共篇)
上一篇:
|
下一篇:
声明:
本网站引用、摘录或转载内容仅供网站访问者交流或参考,不代表本站立场,如存在版权或非法内容,请联系站长删除,联系邮箱:site.kefu@qq.com。
相关推荐
南瑞RCS-985G发电机变压器成套保护装置技术说明书:[11]
阅读量:139
南瑞RCS-985G发电机变压器成套保护装置技术说明书:[21]
阅读量:145
变压器有载分接开关测试仪操作方法
阅读量:131
变压器有载分接开关测试仪使用方法
阅读量:90
变压器满负载的测试方法
阅读量:77
猜你喜欢
奥克斯空调质量怎么样
贝瓦儿歌大全100首
巴西木的养殖方法
千叶豆腐的家常做法
甲状腺结节怎么治疗最好的方法
方法重载
替米沙坦片怎么样
7k7k小游戏大全
怎么解防沉迷
入党自传怎么写
猜你喜欢
标致301怎么样
糖醋萝卜的腌制方法
马蹄莲的养殖方法
提出用英语怎么说
新车除味最有效方法
嘴巴溃疡什么方法好的最快
win10怎么更新
家常水煮肉片
唇炎的治疗方法
延时方法