指南生活
首页
美食营养
手工爱好
生活家居
返回
指南生活
首页
美食营养
游戏数码
手工爱好
生活家居
健康养生
运动户外
职场理财
情感交际
母婴教育
时尚美容
知识问答
生活知识
生活百科
搜索
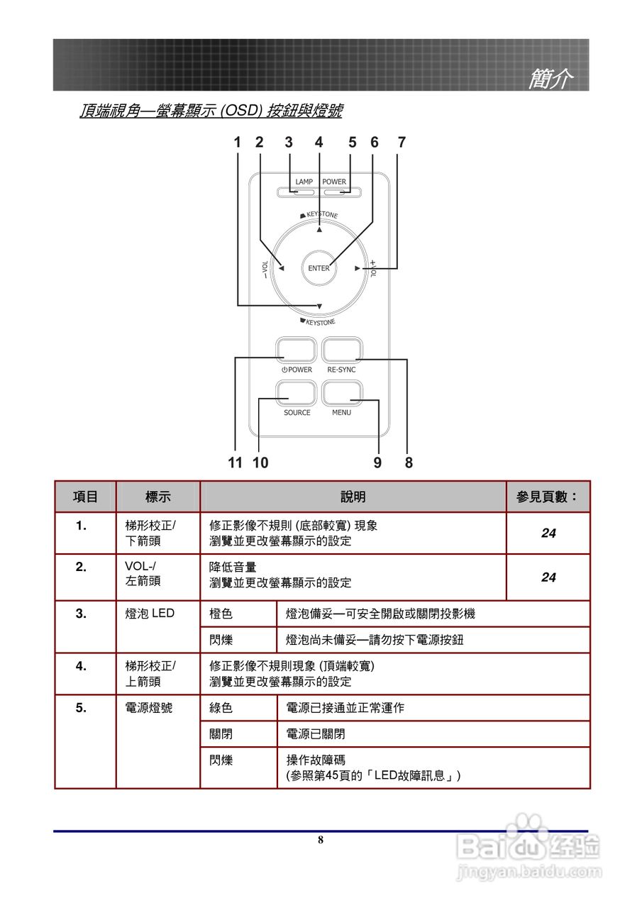
奥图玛投影机EP772型说明书:[1]
2026-03-25 19:09:27
本篇为《奥图玛投影机EP772型说明书》,主要介绍该产品的使用方法以及常见故障解决方案。
(共篇)
下一篇:
声明:
本网站引用、摘录或转载内容仅供网站访问者交流或参考,不代表本站立场,如存在版权或非法内容,请联系站长删除,联系邮箱:site.kefu@qq.com。
相关推荐
奥图玛投影机EP772型说明书:[3]
阅读量:59
奥图玛投影机EP727型说明书:[1]
阅读量:127
奥图玛投影机EP719型说明书:[1]
阅读量:134
奥图玛投影机EP735型说明书:[1]
阅读量:23
奥图玛投影机EP729型说明书:[1]
阅读量:130
猜你喜欢
pr是什么软件
耽美是什么意思
回向是什么意思
gxg是什么牌子
sp是什么意思
信用卡是什么
我去年买了个表是什么意思
dt是什么意思
九十岁老人称什么
3月29日是什么星座
猜你喜欢
四月开什么花
draw是什么意思
12月27日是什么星座
73年属什么生肖
颓废是什么意思
肉松是什么做的
root是什么意思
疣是什么
5月30日是什么星座
nm是什么单位