指南生活
首页
美食营养
手工爱好
生活家居
返回
指南生活
首页
美食营养
游戏数码
手工爱好
生活家居
健康养生
运动户外
职场理财
情感交际
母婴教育
时尚美容
知识问答
生活知识
搜索
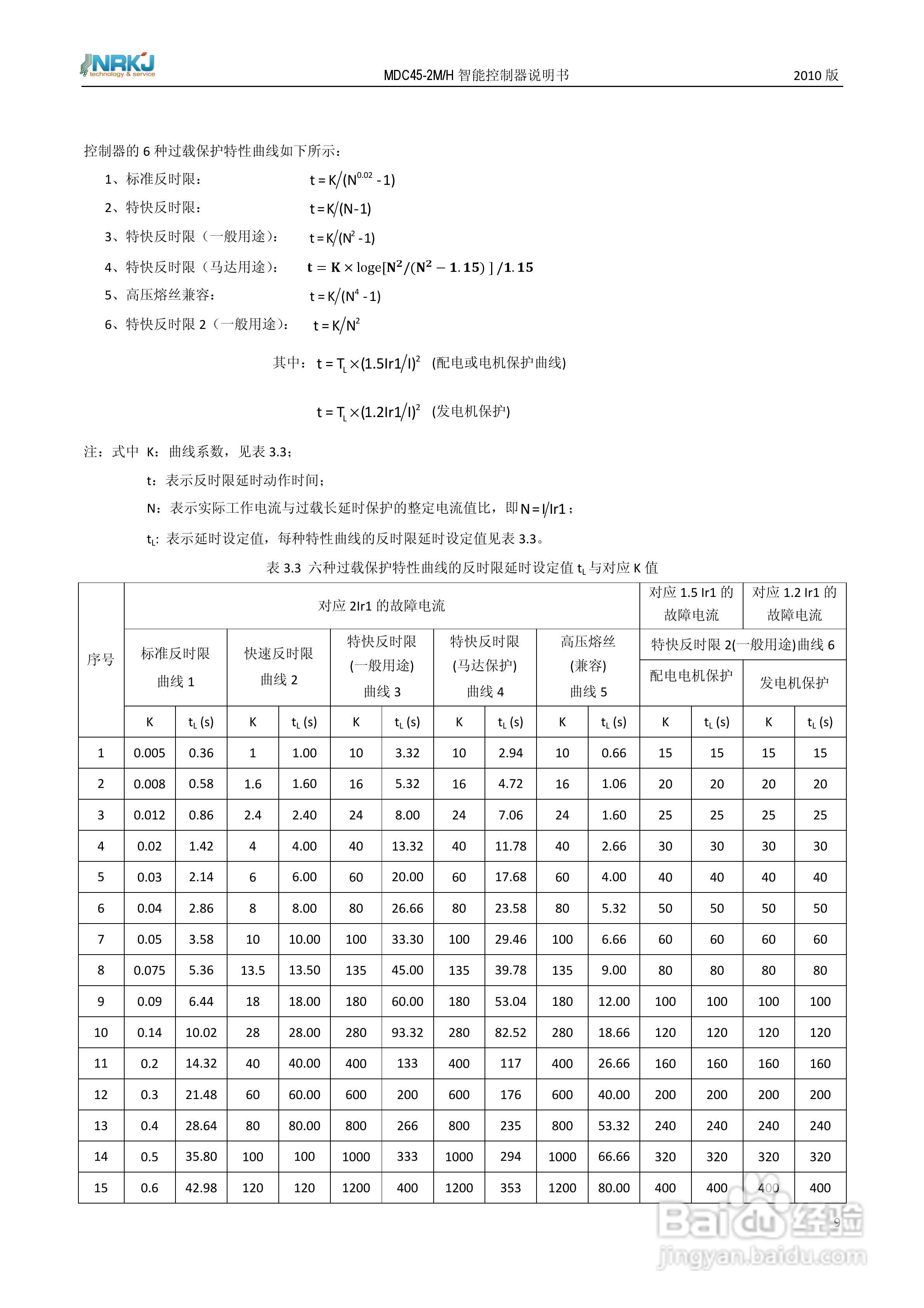
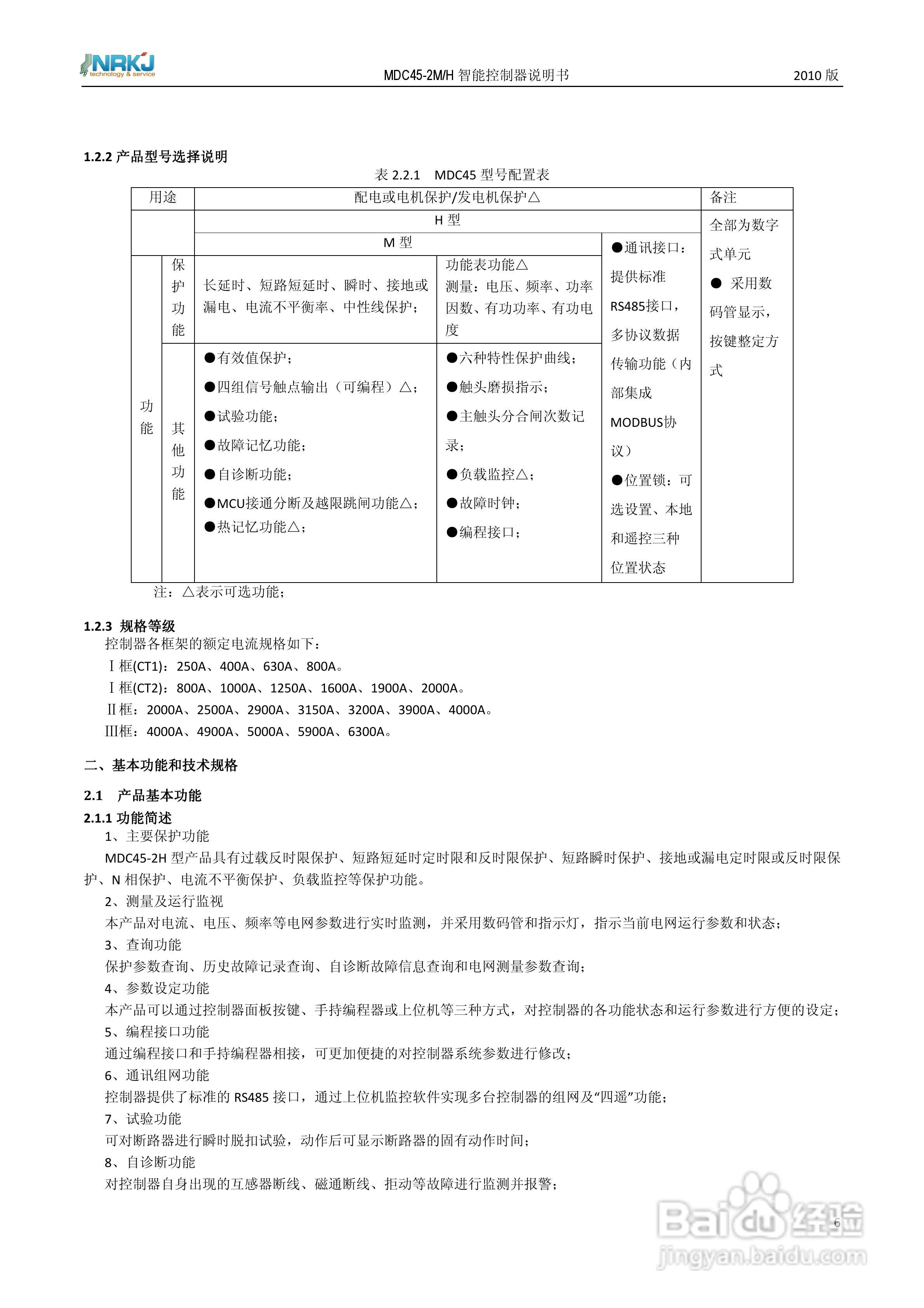
MDC45-2M/H 智能型控制器使用说明书:[1]
2025-12-06 03:08:54
本篇为《MDC45-2M/H 智能型控制器使用说明书》,主要介绍该产品的使用方法以及常见故障解决方案。
(共篇)
下一篇:
声明:
本网站引用、摘录或转载内容仅供网站访问者交流或参考,不代表本站立场,如存在版权或非法内容,请联系站长删除,联系邮箱:site.kefu@qq.com。
相关推荐
MDC45-2M/H 智能型控制器使用说明书:[4]
阅读量:55
怎么样使图片不大于2m
阅读量:87
使用说明书封面怎么做
阅读量:129
如何购买49/年2M宽带虚拟主机
阅读量:31
如何制作小于2M的照片的大小
阅读量:184
猜你喜欢
zip是什么意思
always online什么意思
去香港要办什么手续
祈祷的意思
实至名归是什么意思啊
tail是什么意思英语
苛刻是什么意思
杜仲功效与作用
什么是三线建设
胶原蛋白作用
猜你喜欢
吃榛子有什么好处
早泄是什么意思
手机暂停服务什么意思
盼望的意思
网商银行有什么用
榜文的意思
你教会了我什么最重要
林正英什么时候死的
干预的意思
正天丸的功效与作用