指南生活
首页
美食营养
手工爱好
生活家居
返回
指南生活
首页
美食营养
游戏数码
手工爱好
生活家居
健康养生
运动户外
职场理财
情感交际
母婴教育
时尚美容
知识问答
生活知识
搜索
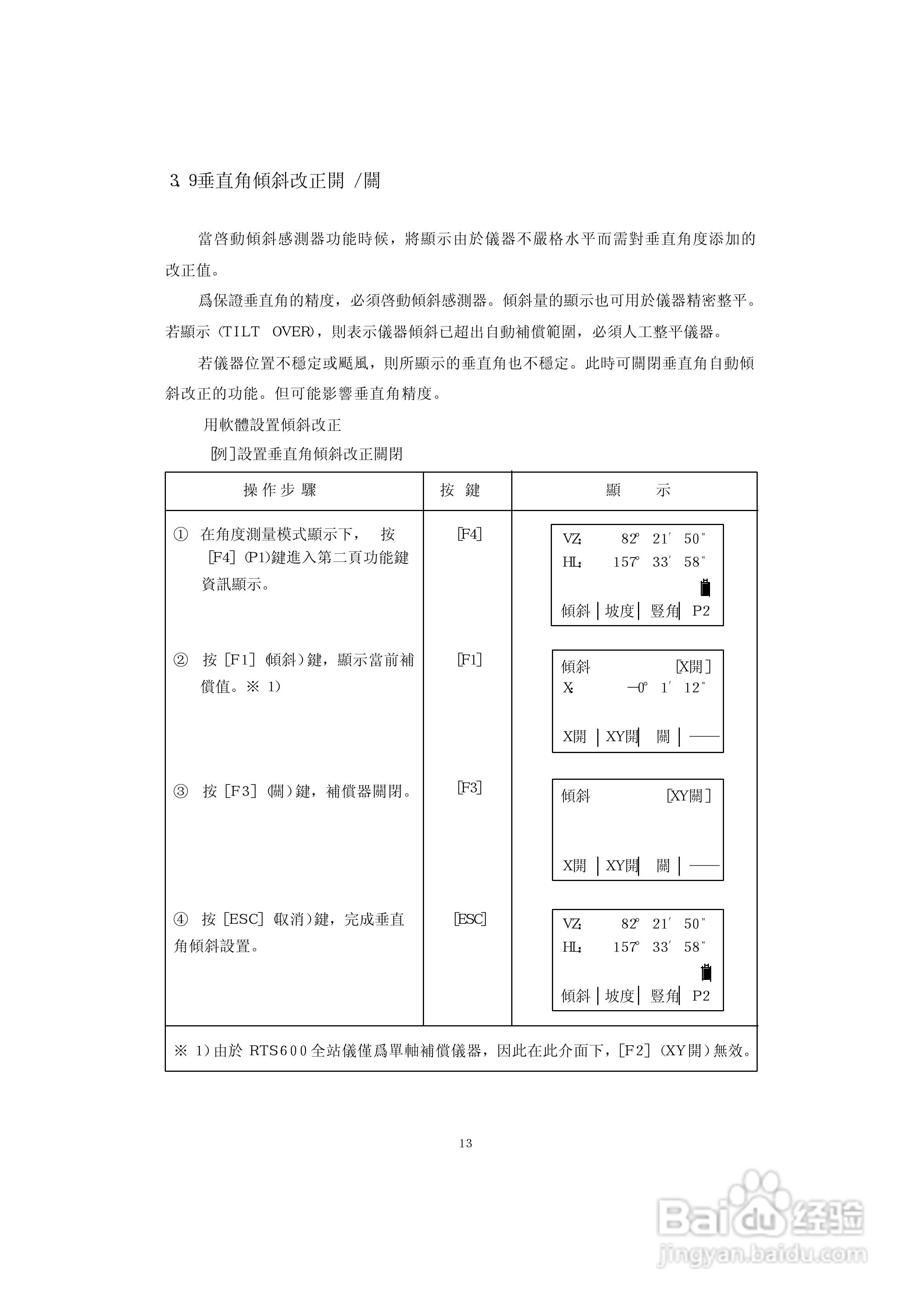
上煇RTS-630全站仪说明书:[3]
2026-01-05 16:48:51
本篇为《上煇RTS-630全站仪说明书》,主要介绍该产品的使用方法以及常见故障解决方案。
(共篇)
上一篇:
|
下一篇:
声明:
本网站引用、摘录或转载内容仅供网站访问者交流或参考,不代表本站立场,如存在版权或非法内容,请联系站长删除,联系邮箱:site.kefu@qq.com。
相关推荐
上煇RTS-630全站仪说明书:[13]
阅读量:147
上煇RTS-630全站仪说明书:[11]
阅读量:188
全站仪使用方法
阅读量:104
全站仪的操作技巧
阅读量:141
全站仪导线测量的方法
阅读量:166
猜你喜欢
典范的意思
此恨绵绵无绝期的意思
technology是什么意思
advantage是什么意思
中国好声音什么时候播出
d7100配什么镜头
三驾马车是什么意思
storm是什么意思
不得而知是什么意思
人寿年丰是什么意思
猜你喜欢
blank是什么意思
不置可否是什么意思
海贼王什么果实最厉害
惶恐不安的意思
advice是什么意思
昆仑的意思
corner是什么意思
规行矩步什么意思
blind是什么意思
今年两会什么时候开