指南生活
首页
美食营养
手工爱好
生活家居
返回
指南生活
首页
美食营养
游戏数码
手工爱好
生活家居
健康养生
运动户外
职场理财
情感交际
母婴教育
时尚美容
知识问答
生活知识
生活百科
搜索
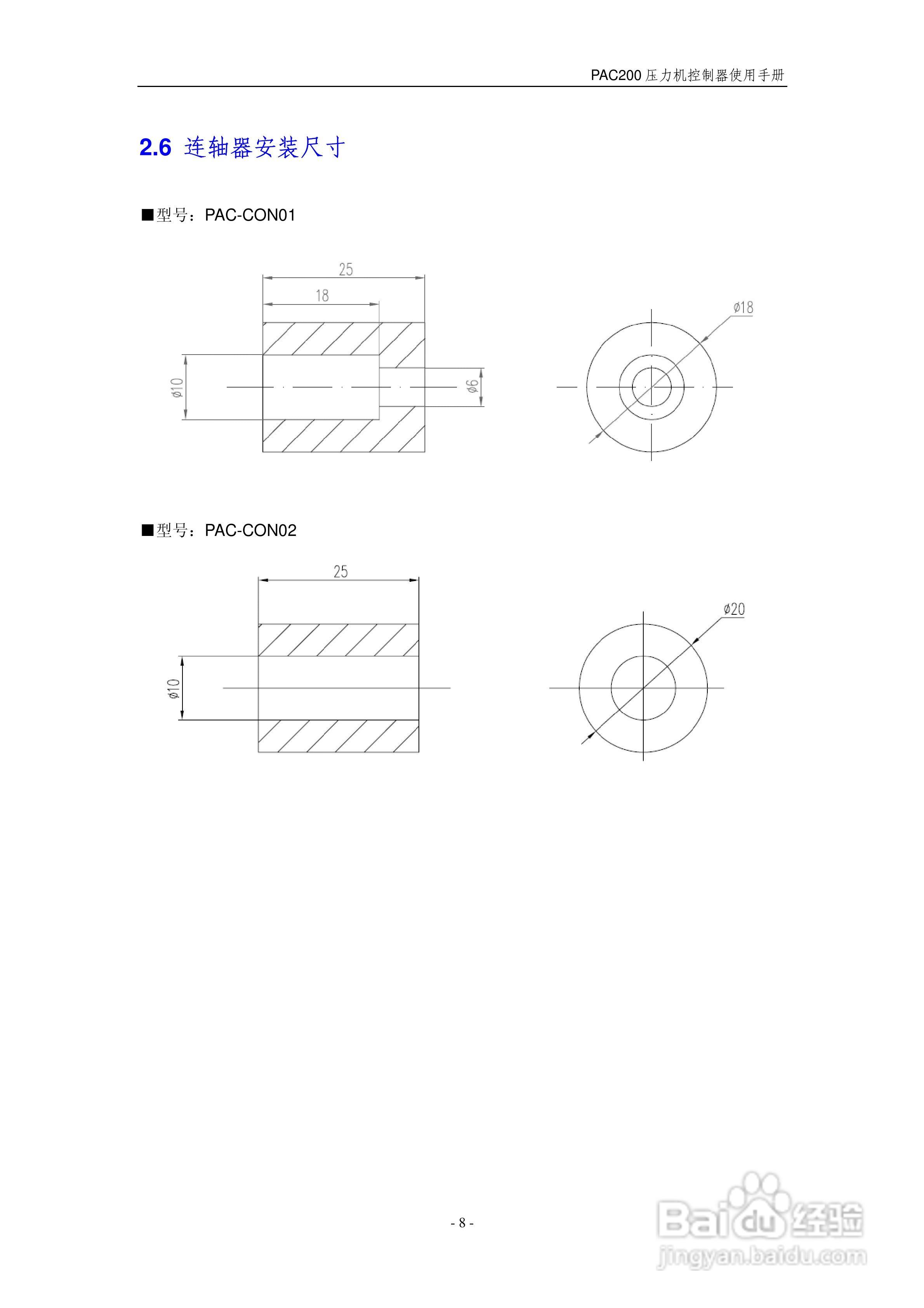
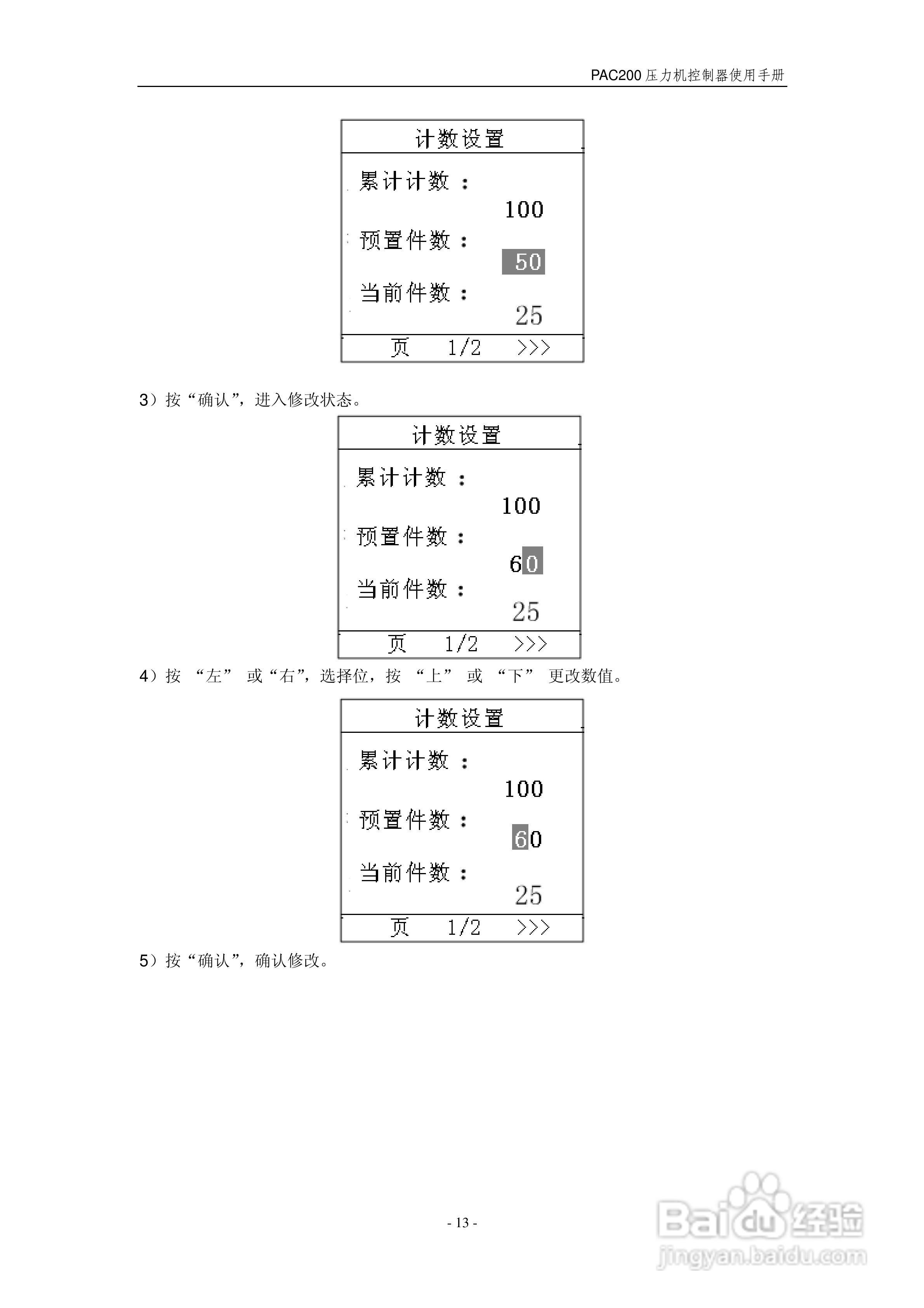
PAC200V2压力机控制器使用手册:[2]
2026-05-10 21:30:18
本篇为《PAC200V2压力机控制器使用手册》,主要介绍该产品的使用方法以及常见故障解决方案。
(共篇)
上一篇:
|
下一篇:
声明:
本网站引用、摘录或转载内容仅供网站访问者交流或参考,不代表本站立场,如存在版权或非法内容,请联系站长删除,联系邮箱:site.kefu@qq.com。
相关推荐
智能柴油发动机控制器SHY-200使用手册:[2]
阅读量:116
英国Trio运动控制器使用手册:[2]
阅读量:62
HD618300控制器图形液晶显示模块使用手册:[2]
阅读量:129
乐创MPC2810四轴运动控制器使用手册:[2]
阅读量:176
乐创运动控制器--MPC2810使用手册:[2]
阅读量:60
猜你喜欢
五倍子的功效与作用
用什么泡脚最好
知识产权法律法规
铁皮石斛的功效与作用
结婚送什么礼物好
儿童喝什么牛奶好
小学生法制知识
决明子菊花茶的功效与作用及禁忌
山楂的作用
什么是全脂奶粉
猜你喜欢
肝火旺什么症状
杏子的功效与作用
什么风习习
大血藤的功效与作用
山楂片的功效与作用
蜂王胎的作用与功效
防震减灾小知识
什么是债券基金
什么是中产阶级
钙片什么时候吃最好早上还是晚上