指南生活
首页
美食营养
手工爱好
生活家居
返回
指南生活
首页
美食营养
游戏数码
手工爱好
生活家居
健康养生
运动户外
职场理财
情感交际
母婴教育
时尚美容
知识问答
生活知识
生活百科
搜索
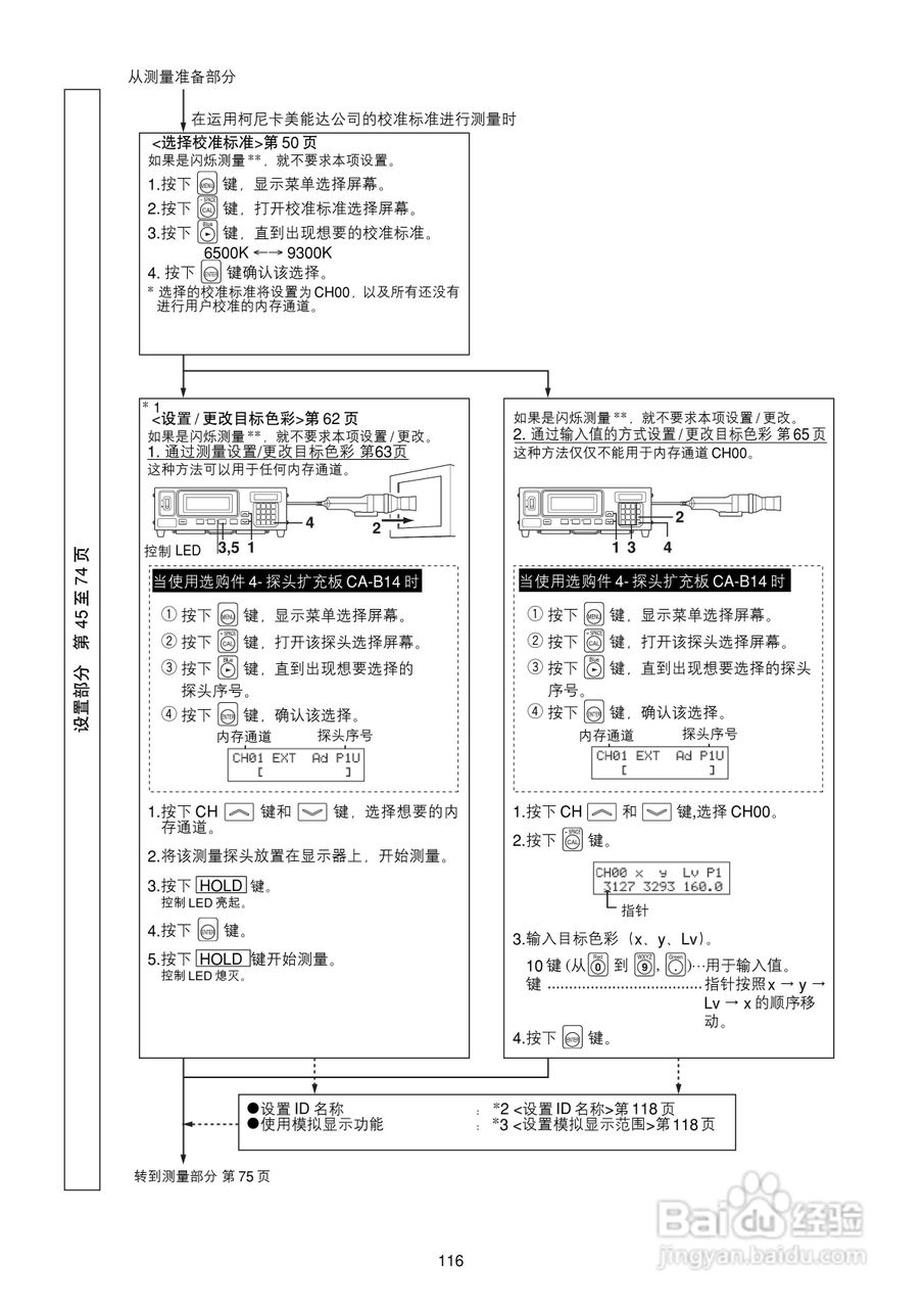
欣润彩色分析仪CA-210说明书:[12]
2026-04-22 10:22:20
本篇为《欣润彩色分析仪CA-210说明书》,主要介绍该产品的使用方法以及常见故障解决方案。
(共篇)
上一篇:
声明:
本网站引用、摘录或转载内容仅供网站访问者交流或参考,不代表本站立场,如存在版权或非法内容,请联系站长删除,联系邮箱:site.kefu@qq.com。
相关推荐
欣润彩色分析仪CA-210说明书:[9]
阅读量:128
什么是手机分析仪?
阅读量:91
欣润彩色分析仪CA-210说明书:[7]
阅读量:189
欣润彩色分析仪CA-210说明书:[8]
阅读量:186
欣润彩色分析仪CA-210说明书:[6]
阅读量:135
猜你喜欢
信誓旦旦什么意思
马子是什么意思
ceo是什么
日批是什么意思
侃侃而谈是什么意思
什么空调好
skype是什么
kb什么意思
什么是一元一次方程
上将是什么级别
猜你喜欢
散瞳是什么意思
什么是洗钱
什么是国学
beef是什么意思
loser是什么意思
银杏水杉活化石是什么意思
什么是第三人称单数
花旦是什么意思
我最难忘是你的眼睛是什么歌
什么是量比