指南生活
首页
美食营养
手工爱好
生活家居
返回
指南生活
首页
美食营养
游戏数码
手工爱好
生活家居
健康养生
运动户外
职场理财
情感交际
母婴教育
时尚美容
搜索
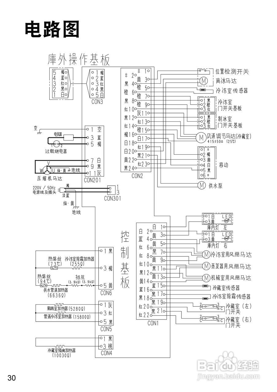
松下NR-F603T电冰箱使用说明书:[3]
2025-10-20 12:22:32
/>
/>
/>
/>
(共篇)
上一篇:
|
下一篇:
声明:
本网站引用、摘录或转载内容仅供网站访问者交流或参考,不代表本站立场,如存在版权或非法内容,请联系站长删除,联系邮箱:site.kefu@qq.com。
相关推荐
不用电的智能马桶盖是如何工作的
阅读量:142
三星WF8752N9P滚筒洗衣机使用说明书:[1]
阅读量:51
打高尔夫球时怎样做到专注?
阅读量:43
家常菜:辣椒炒牛肚
阅读量:175
南昆山温泉大观园旅游攻略
阅读量:74
猜你喜欢
大摇大摆的意思
朴素的意思
刑太岁是什么意思
arc是什么意思
开网店卖什么最赚钱
gmp是什么意思
扶摇直上的意思
什么是四次元
绿度母心咒的作用
绿松石的作用
猜你喜欢
br是什么意思
清晰的什么
然的意思
思维导图的作用
梦见青蛙是什么意思
this是什么意思
什么是恐惧症
饱经风霜的意思
去日本买什么最划算
提前批什么意思