指南生活
首页
美食营养
手工爱好
生活家居
返回
指南生活
首页
美食营养
游戏数码
手工爱好
生活家居
健康养生
运动户外
职场理财
情感交际
母婴教育
时尚美容
知识问答
生活知识
搜索
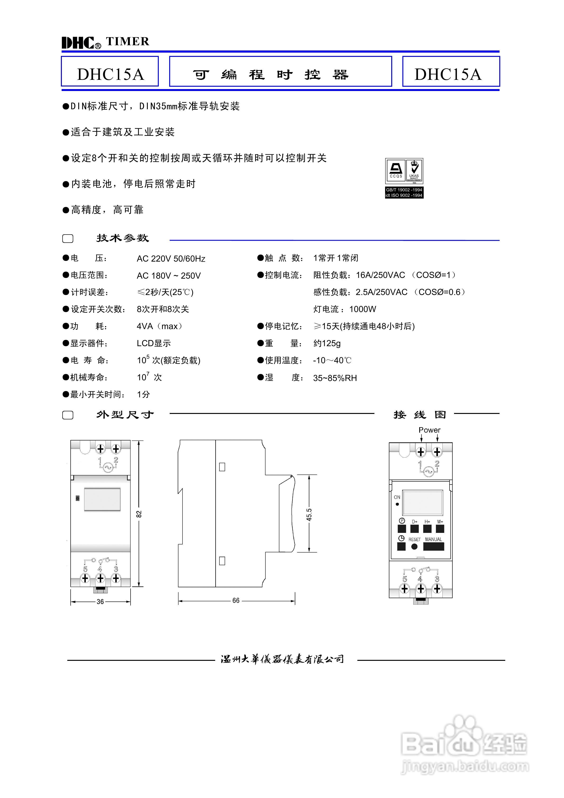
温州大华DHC15A可编程时控器(24小时定时器)说明书
2026-01-14 02:31:07
声明:
本网站引用、摘录或转载内容仅供网站访问者交流或参考,不代表本站立场,如存在版权或非法内容,请联系站长删除,联系邮箱:site.kefu@qq.com。
相关推荐
海宝系统的工艺设置(1)
阅读量:47
马兰士AV或许SR-73喇叭输出继电器自吸不释放
阅读量:190
电容的封装——电容器编带制作流程
阅读量:122
台达编程器怎样使用反向逻辑
阅读量:118
爱奇艺万能播放器如何载入歌词?
阅读量:123
猜你喜欢
霜降节气的含义是什么
增添的反义词是什么
1988年是什么命
生粉是什么粉
500分能上什么大学
什么是债券
lotion是什么意思
erp系统是什么
什么是小康社会
皮肤黑穿什么颜色显白
猜你喜欢
sim卡是什么
birthday是什么意思
26岁属什么
祈使句是什么
找钢网是什么
vital是什么意思
lotion是什么意思
水深称什么
什么是结构化面试
历史是什么