指南生活
首页
美食营养
手工爱好
生活家居
返回
指南生活
首页
美食营养
游戏数码
手工爱好
生活家居
健康养生
运动户外
职场理财
情感交际
母婴教育
时尚美容
知识问答
生活知识
搜索
新世纪EDCS-81503站用变保护测控装置说明书:[9]
2025-12-28 01:13:37
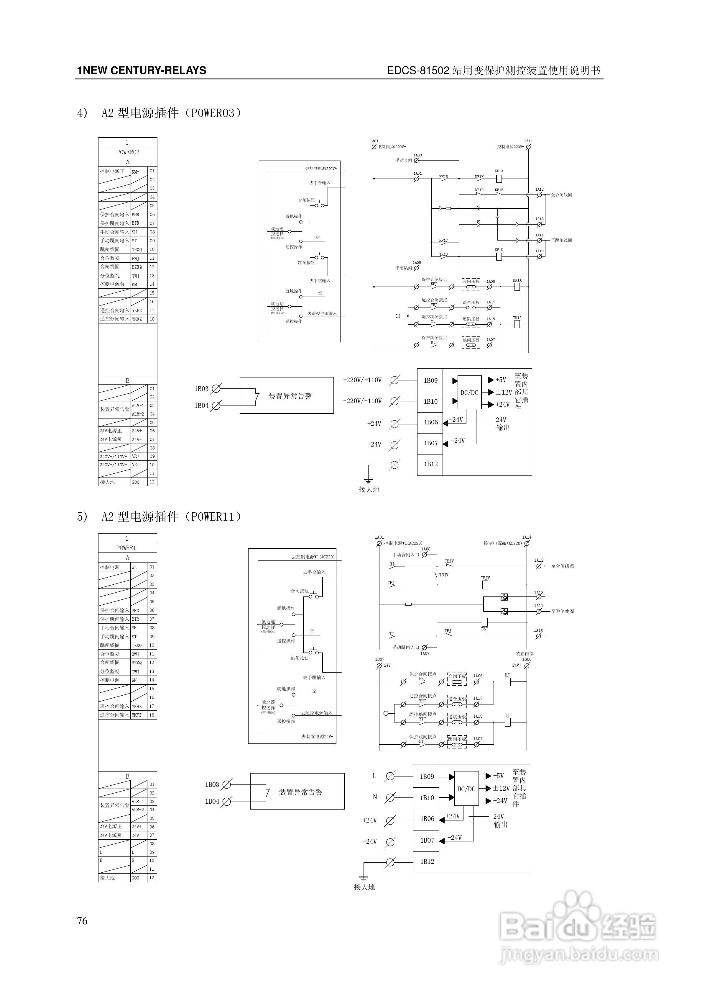
本篇为《新世纪EDCS-81503站用变保护测控装置说明书》,主要介绍该产品的使用方法以及常见故障解决方案。
(共篇)
上一篇:
|
下一篇:
声明:
本网站引用、摘录或转载内容仅供网站访问者交流或参考,不代表本站立场,如存在版权或非法内容,请联系站长删除,联系邮箱:site.kefu@qq.com。
相关推荐
新世纪EDCS-81503站用变保护测控装置说明书:[13]
阅读量:52
新世纪EDCS-81503站用变保护测控装置说明书:[10]
阅读量:75
新世纪福音战士ol回收系统介绍
阅读量:34
新世纪EDCS-81503站用变保护测控装置说明书:[4]
阅读量:181
新世纪EDCS-81503站用变保护测控装置说明书:[14]
阅读量:155
猜你喜欢
生日短信祝福语大全
理智的意思
nest是什么意思
ceb文件用什么打开
计步器什么牌子好
empty是什么意思
励精图治的意思
祝福话
dnf新手玩什么职业
east是什么意思
猜你喜欢
两面三刀的意思
什么样的显卡好
京东开店有什么要求
额头窄颧骨高适合什么发型
amy是什么意思
磁条卡什么时候停用
翡翠与玉有什么区别
落花流水的意思
睚眦必报的意思
身体健康祝福语