指南生活
首页
美食营养
手工爱好
生活家居
返回
指南生活
首页
美食营养
游戏数码
手工爱好
生活家居
健康养生
运动户外
职场理财
情感交际
母婴教育
时尚美容
知识问答
生活知识
搜索
ABB NETA-01以太网适配器模块用户手册:[3]
2025-12-11 15:17:04
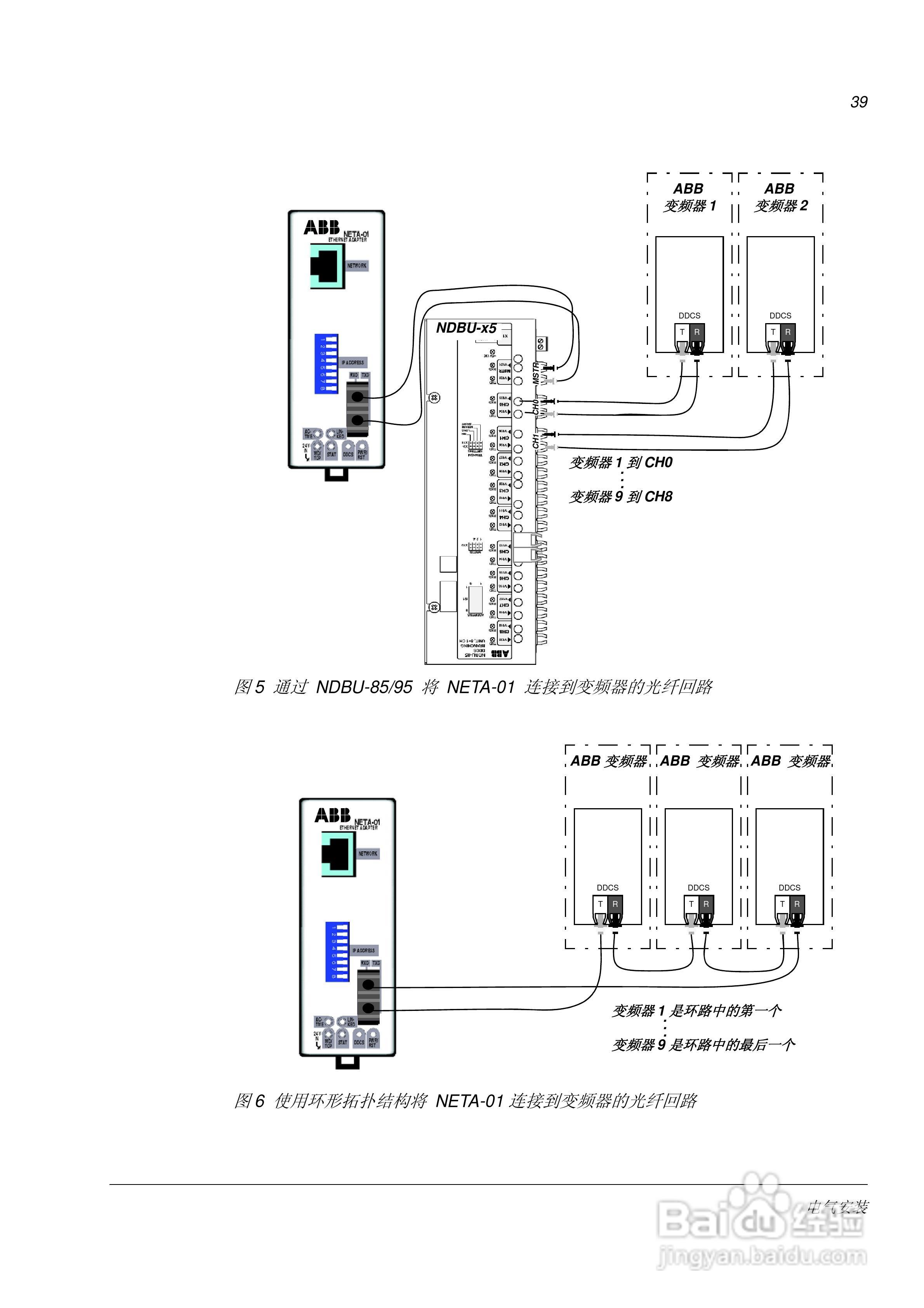
本篇为《ABB NETA-01以太网适配器模块用户手册》,主要介绍该产品的使用方法以及常见故障解决方案。
(共篇)
上一篇:
|
下一篇:
声明:
本网站引用、摘录或转载内容仅供网站访问者交流或参考,不代表本站立场,如存在版权或非法内容,请联系站长删除,联系邮箱:site.kefu@qq.com。
相关推荐
适配器遇到与驱动程序或硬件相关的问题解决
阅读量:31
CentOS 7安装netatalk 实现伪Time capsule
阅读量:194
ABB PROFIBUS-DP适配器模块RPBA-01用户手册:[6]
阅读量:24
ABB PROFIBUS DP适配器模块FPBA-01用户手册:[4]
阅读量:82
ABB PROFIBUS DP适配器模块FPBA-01用户手册:[6]
阅读量:88
猜你喜欢
aebd什么意思
契机是什么意思
摩托头盔什么牌子好
豁达的意思
江南春意思
犹豫是什么意思
粗中有细的意思
祝福的诗句
雨刷什么牌子好
委托书怎么写什么格式
猜你喜欢
flow是什么意思
势在必行的意思
百年校庆祝福语
汽车雨刮器加什么水
风吹草低见牛羊的意思
target是什么意思
电影点映是什么意思
awesome是什么意思
sean什么意思
削足适履的意思