指南生活
首页
美食营养
手工爱好
生活家居
返回
指南生活
首页
美食营养
游戏数码
手工爱好
生活家居
健康养生
运动户外
职场理财
情感交际
母婴教育
时尚美容
知识问答
生活知识
生活百科
搜索
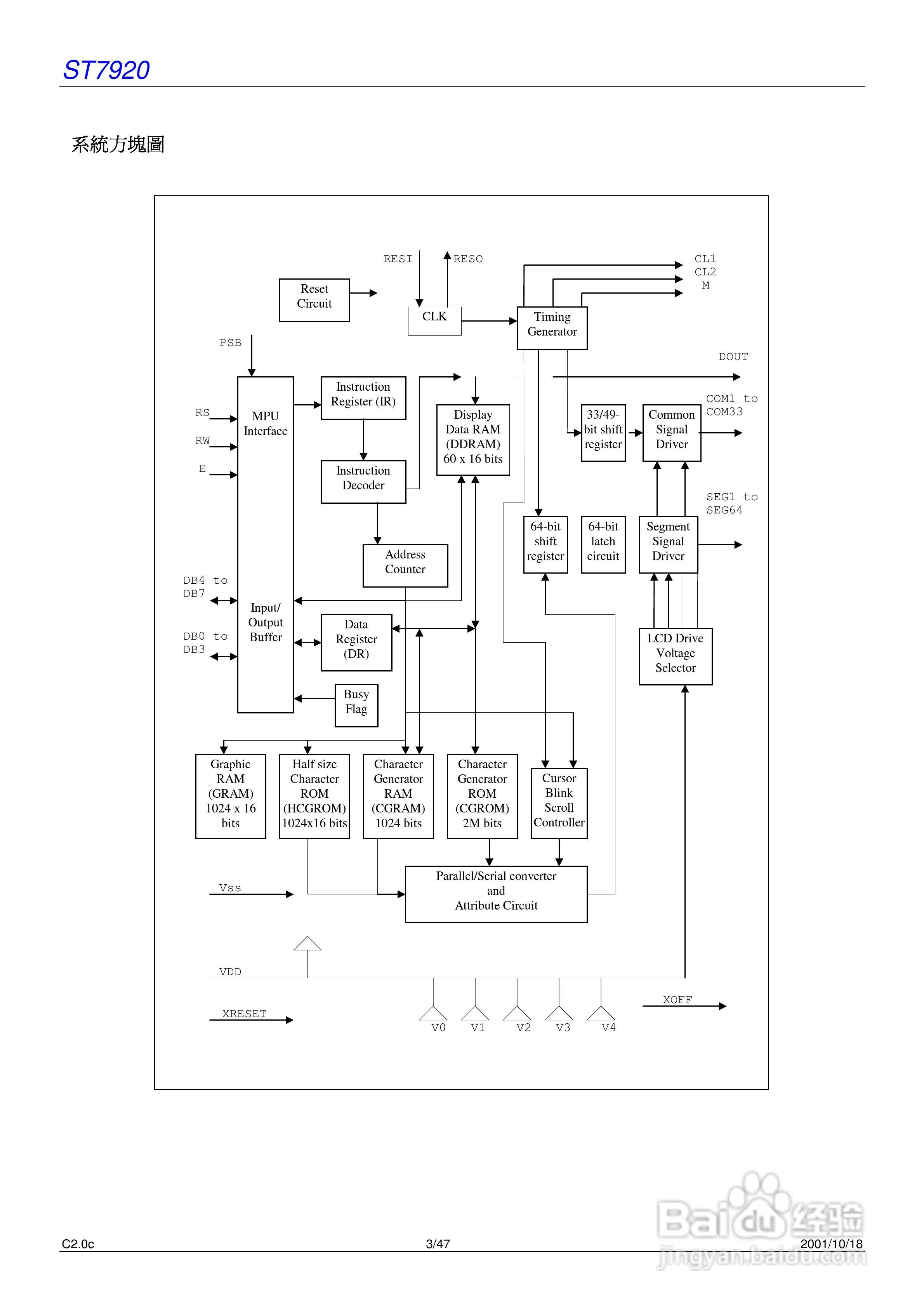
迪特福科技ST7920中文汉字库式控制器使用手册:[1]
2026-05-10 03:37:31
本篇为《迪特福科技ST7920中文汉字库式控制器使用手册》,主要介绍该产品的使用方法以及常见故障解决方案。
(共篇)
下一篇:
声明:
本网站引用、摘录或转载内容仅供网站访问者交流或参考,不代表本站立场,如存在版权或非法内容,请联系站长删除,联系邮箱:site.kefu@qq.com。
相关推荐
迪特福科技ST7920中文汉字库式控制器使用手册:[4]
阅读量:27
迪特福科技SED1520点阵图形式控制器使用手册:[1]
阅读量:127
迪特福科技SED1520点阵图形式控制器使用手册:[2]
阅读量:60
控制器暂停功能的实现步骤
阅读量:128
迪特福科技ST7920中文汉字库式控制器使用手册:[3]
阅读量:39
猜你喜欢
儿童菜谱简单家常做法
盐水洗鼻的正确方法
痘印怎么消除小妙招
二十种眼形大全图解
蒸排骨的家常做法
标点符号大全
二次函数配方法
干咳嗽怎么办
目录中的省略号怎么打
心绞痛的治疗方法
猜你喜欢
婴儿喉咙有痰怎么办
小蝌蚪app下载大全小蝌蚪
琉璃神社怎么下载
无名指麻木是怎么回事
和面的方法
胸肌锻炼方法
河粉怎么做好吃
油烟机安装方法
阳痿的自我治疗方法
治脚气的方法