指南生活
首页
美食营养
手工爱好
生活家居
返回
指南生活
首页
美食营养
游戏数码
手工爱好
生活家居
健康养生
运动户外
职场理财
情感交际
母婴教育
时尚美容
知识问答
生活知识
生活百科
搜索
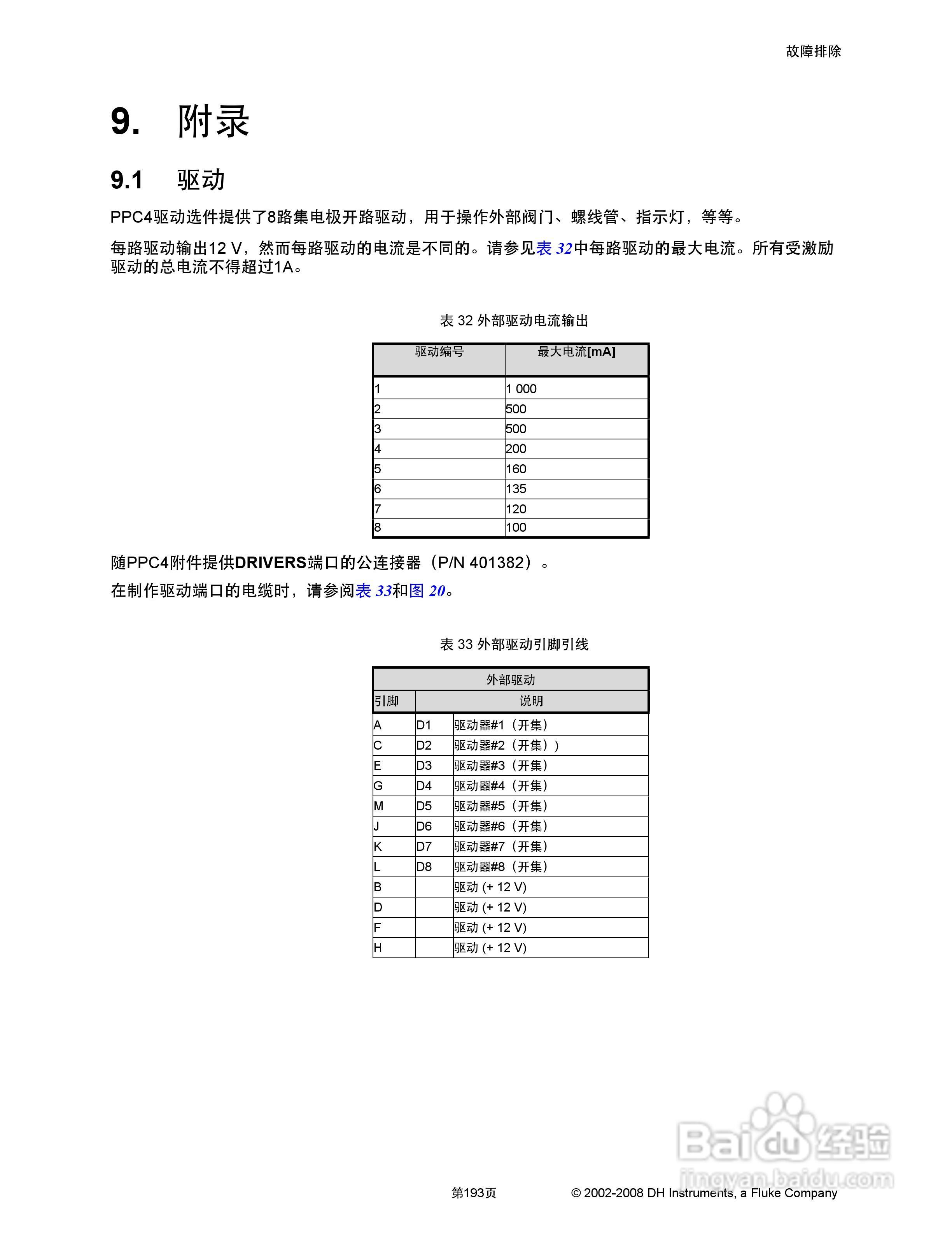
福禄克PPC4 压力控制器/校准器用户手册:[21]
2026-04-10 09:23:27
本篇为《福禄克PPC4 压力控制器/校准器用户手册》,主要介绍该产品的使用方法以及常见故障解决方案。
(共篇)
上一篇:
|
下一篇:
声明:
本网站引用、摘录或转载内容仅供网站访问者交流或参考,不代表本站立场,如存在版权或非法内容,请联系站长删除,联系邮箱:site.kefu@qq.com。
相关推荐
福禄克PPC4 压力控制器/校准器用户手册:[20]
阅读量:181
福禄克PPC4 压力控制器/校准器用户手册:[18]
阅读量:108
福禄克万用表使用时的6大注意事项
阅读量:157
福禄克红外热像仪使用方法和技巧
阅读量:177
福禄克红外热像仪实用宝典
阅读量:62
猜你喜欢
磨砂膏是什么
工作机制是什么意思
公关是什么
免税店是什么意思
maria是什么意思中文
acg是什么
养老保险有什么用
痔疮用什么药效果好
什么是蜱虫
呲牙是什么意思
猜你喜欢
老是口腔溃疡是什么原因
2月16日是什么星座
骨髓瘤是什么病
羊水少是什么原因
海里有什么
ipo是什么意思
什么是防火墙
ccu是什么意思
座右铭是什么
社保是什么意思