指南生活
首页
美食营养
手工爱好
生活家居
返回
指南生活
首页
美食营养
游戏数码
手工爱好
生活家居
健康养生
运动户外
职场理财
情感交际
母婴教育
时尚美容
知识问答
生活知识
生活百科
搜索
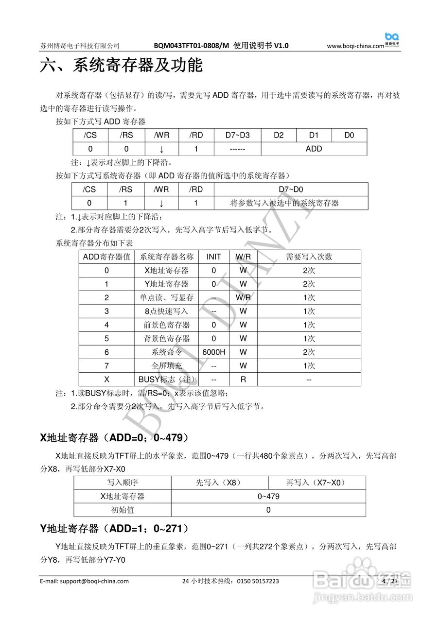
博奇单片机BQM043TFT01-0808液晶屏使用说明书:[1]
2026-04-22 10:12:53
(共篇)
下一篇:
声明:
本网站引用、摘录或转载内容仅供网站访问者交流或参考,不代表本站立场,如存在版权或非法内容,请联系站长删除,联系邮箱:site.kefu@qq.com。
相关推荐
博奇单片机驱动BQM056TFT01-0808T液晶屏使用说明书:[1]
阅读量:35
博奇单片机驱动BQM056TFT01-0808液晶屏使用说明书:[3]
阅读量:119
博奇单片机驱动BQM050TFT01-0808T液晶屏使用说明书:[1]
阅读量:144
使用说明书封面怎么做
阅读量:153
使用说明书wf2651使用指南
阅读量:161
猜你喜欢
党参的作用与功效
穿山龙的功效与作用
柠檬酸的作用
迪亚多纳运动鞋
知识产权质押融资
产后42天复查都检查什么
天然气灶什么牌子好
提臀运动
月经期可以运动吗
牛黄清心丸的功效与作用
猜你喜欢
石菖蒲的功效与作用
白木耳的功效与作用
参加运动会
育儿知识小班
什么东西最养胃
紫草膏的功效与作用
鹤唳华亭讲的什么
交通安全小知识
什么是白领
芦荟胶的作用