指南生活
首页
美食营养
手工爱好
生活家居
返回
指南生活
首页
美食营养
游戏数码
手工爱好
生活家居
健康养生
运动户外
职场理财
情感交际
母婴教育
时尚美容
知识问答
生活知识
生活百科
搜索
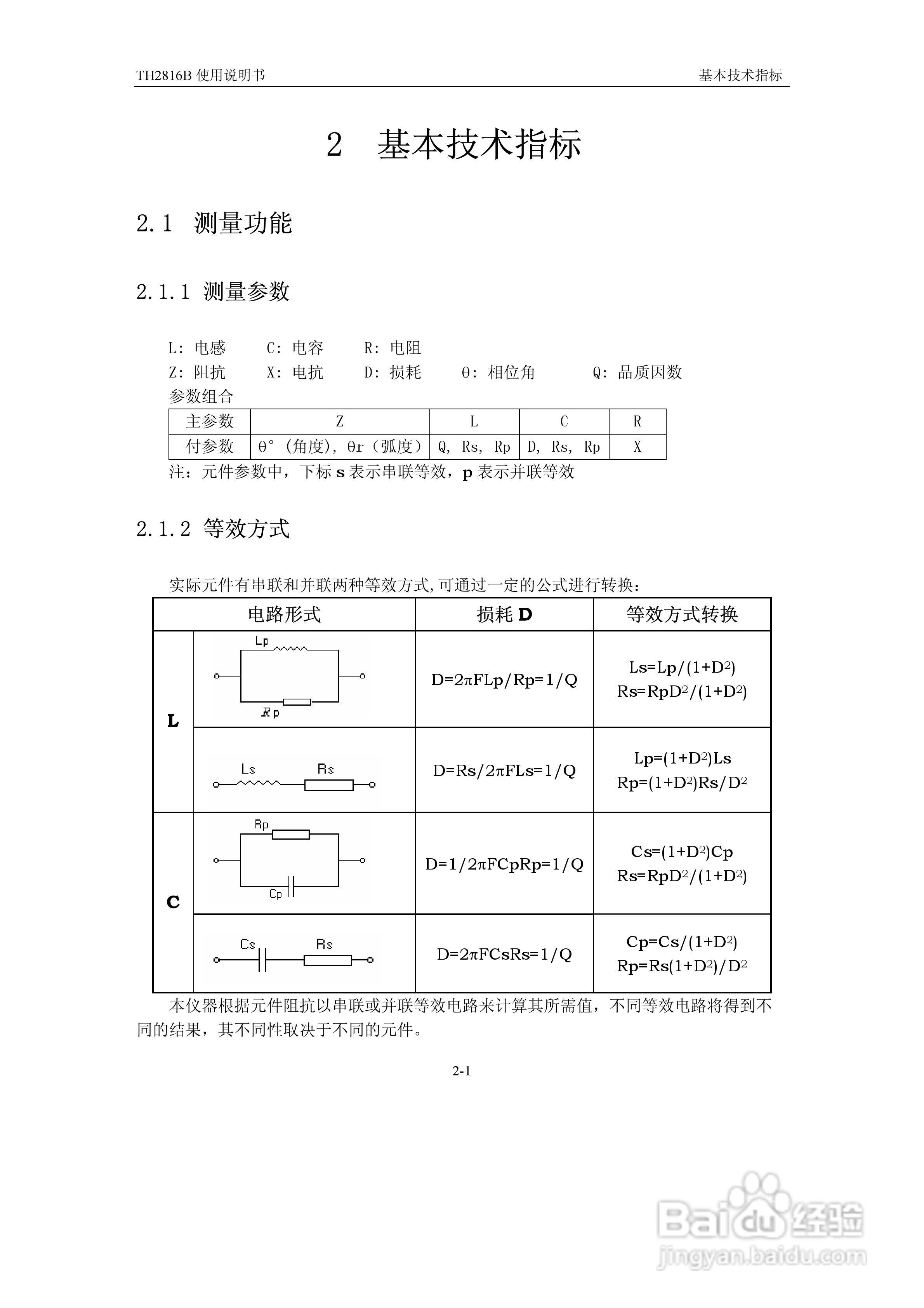
锦流源电子TH2816B LCR数字电桥说明书:[1]
2026-04-19 17:49:27
本篇为《锦流源电子TH2816B LCR数字电桥说明书》,主要介绍该产品的使用方法以及常见故障解决方案。
(共篇)
下一篇:
声明:
本网站引用、摘录或转载内容仅供网站访问者交流或参考,不代表本站立场,如存在版权或非法内容,请联系站长删除,联系邮箱:site.kefu@qq.com。
相关推荐
TH2816B型LCR数字电桥使用说明书:[1]
阅读量:87
锦流源电子TH2819XA LCR数字电桥说明书:[1]
阅读量:87
TH2816B型LCR数字电桥使用说明书:[2]
阅读量:95
TH2816B型LCR数字电桥使用说明书:[3]
阅读量:57
TH2816B型LCR数字电桥使用说明书:[6]
阅读量:132
猜你喜欢
肉怎么做好吃
百雀羚怎么样
这个符号怎么打
我的世界图片大全
预防老年痴呆的方法
死飞怎么刹车
情侣网名大全
剖面图怎么看
南京有什么好吃的
纠正视力的方法
猜你喜欢
偏头疼的治疗方法
白菜汤怎么做好吃
治高血压的最好方法
大象图片大全大图
牛百叶怎么做好吃
发海参的正确方法
无骨雨刷怎么安装
儿童玩具大全
地图鱼怎么分公母
简单好吃的家常菜