指南生活
首页
美食营养
手工爱好
生活家居
返回
指南生活
首页
美食营养
游戏数码
手工爱好
生活家居
健康养生
运动户外
职场理财
情感交际
母婴教育
时尚美容
知识问答
生活知识
搜索
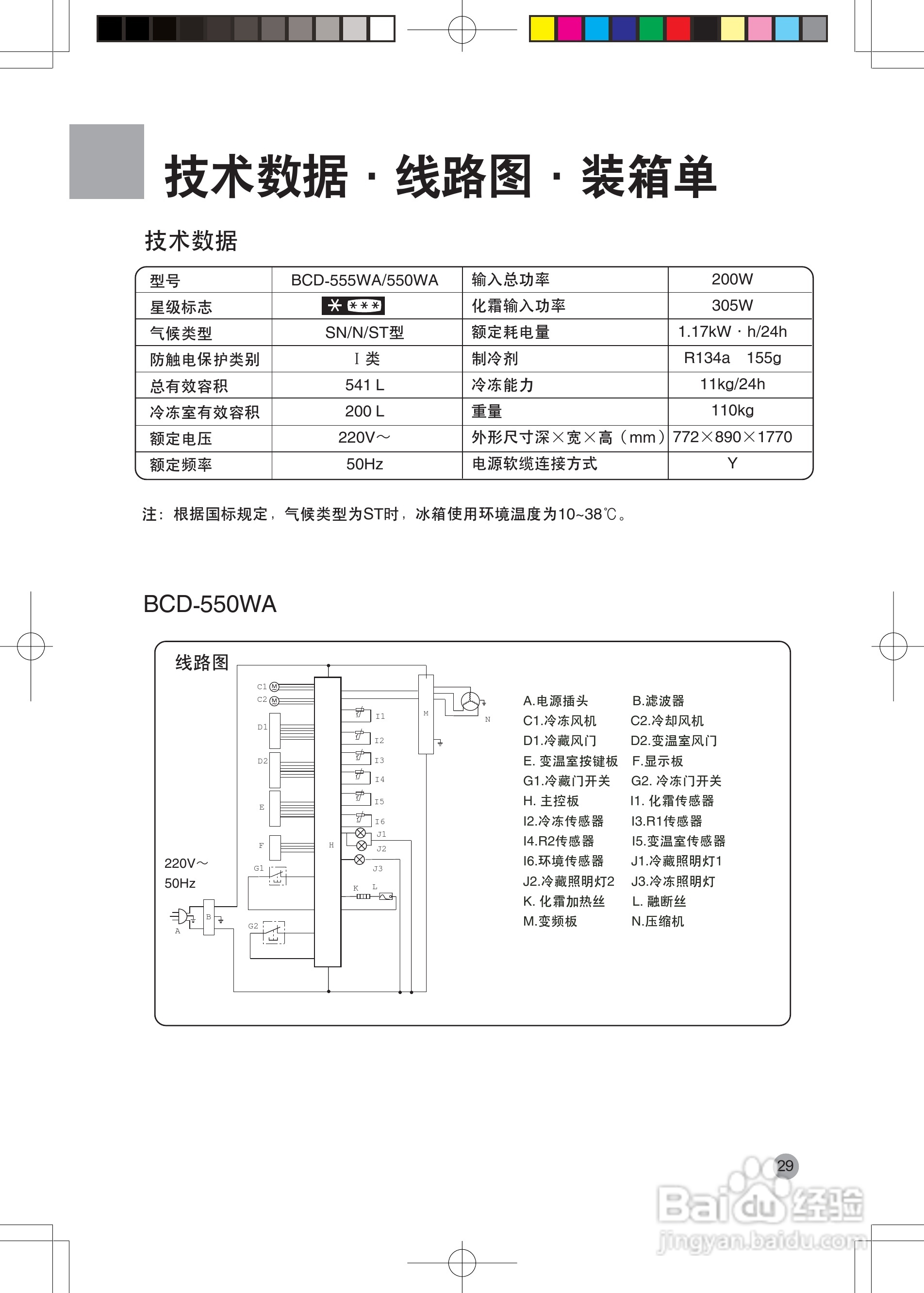
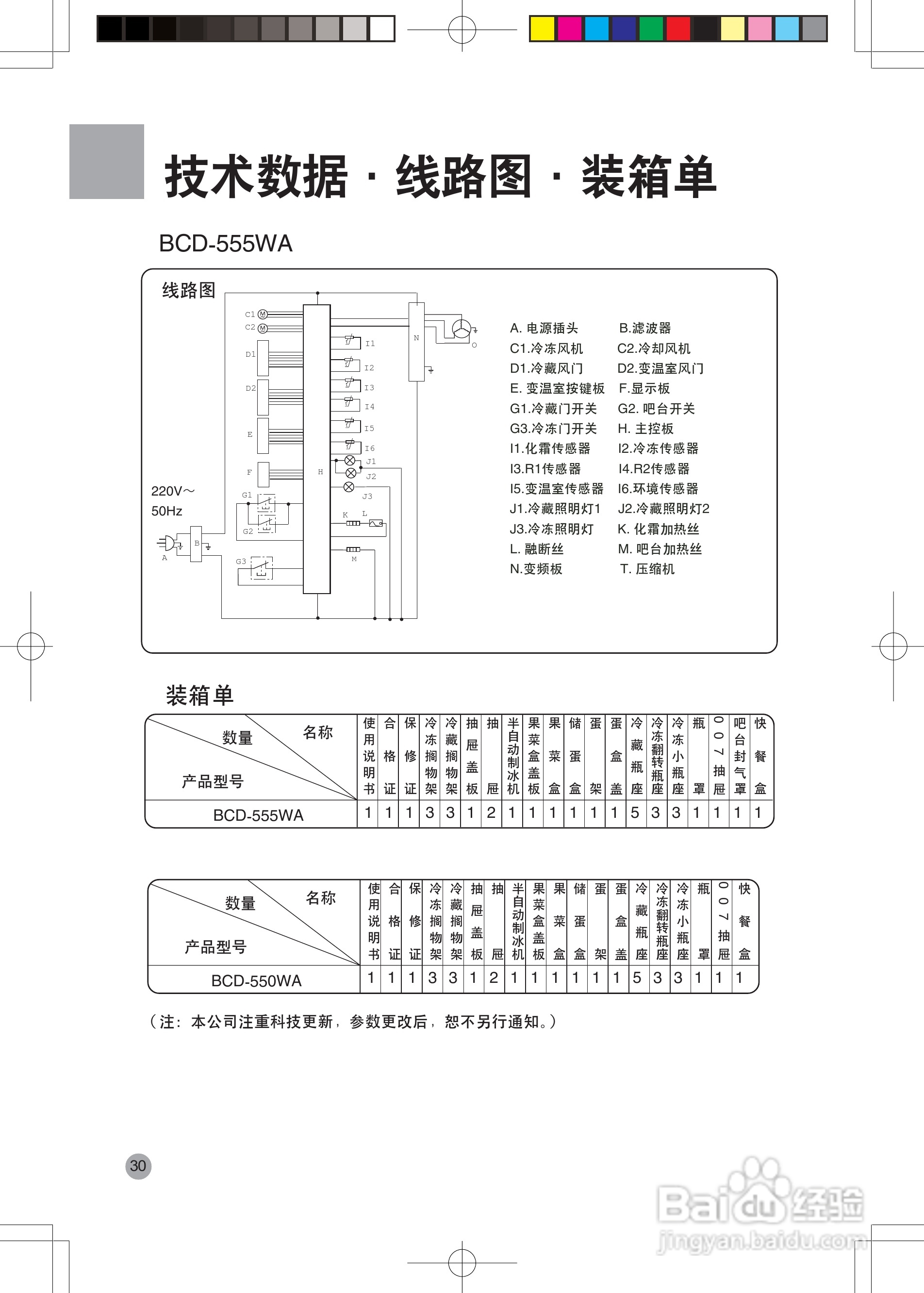
海尔冰箱BCD-555WA型说明书:[4]
2025-12-26 09:58:07
(共篇)
上一篇:
声明:
本网站引用、摘录或转载内容仅供网站访问者交流或参考,不代表本站立场,如存在版权或非法内容,请联系站长删除,联系邮箱:site.kefu@qq.com。
相关推荐
那些药可以治疗口腔溃疡
阅读量:115
男性肾虚吃什么水果好?
阅读量:99
如何自制颈枕
阅读量:85
水管和水龙头的安装和日常维护
阅读量:36
洗衣机需要拆开清洗吗
阅读量:139
猜你喜欢
大生活 电视剧
怎么样治疗脱发
情侣空间怎么弄
怎么样下载电视剧
电脑显示亮度怎么调
盆腔炎如何治疗
电车之狼r怎么玩
miss是什么意思
大智若愚是什么意思的意思
肛门出血怎么治疗
猜你喜欢
如何格式化硬盘
慈禧太后的秘密生活
军训生活
一体化生活污水处理设备
如何熬中药
如何安装wifi
鸡毛菜是什么菜
如何使用微信公众号
celine是什么牌子
如何加入家庭组