指南生活
首页
美食营养
手工爱好
生活家居
返回
指南生活
首页
美食营养
游戏数码
手工爱好
生活家居
健康养生
运动户外
职场理财
情感交际
母婴教育
时尚美容
知识问答
生活知识
生活百科
搜索
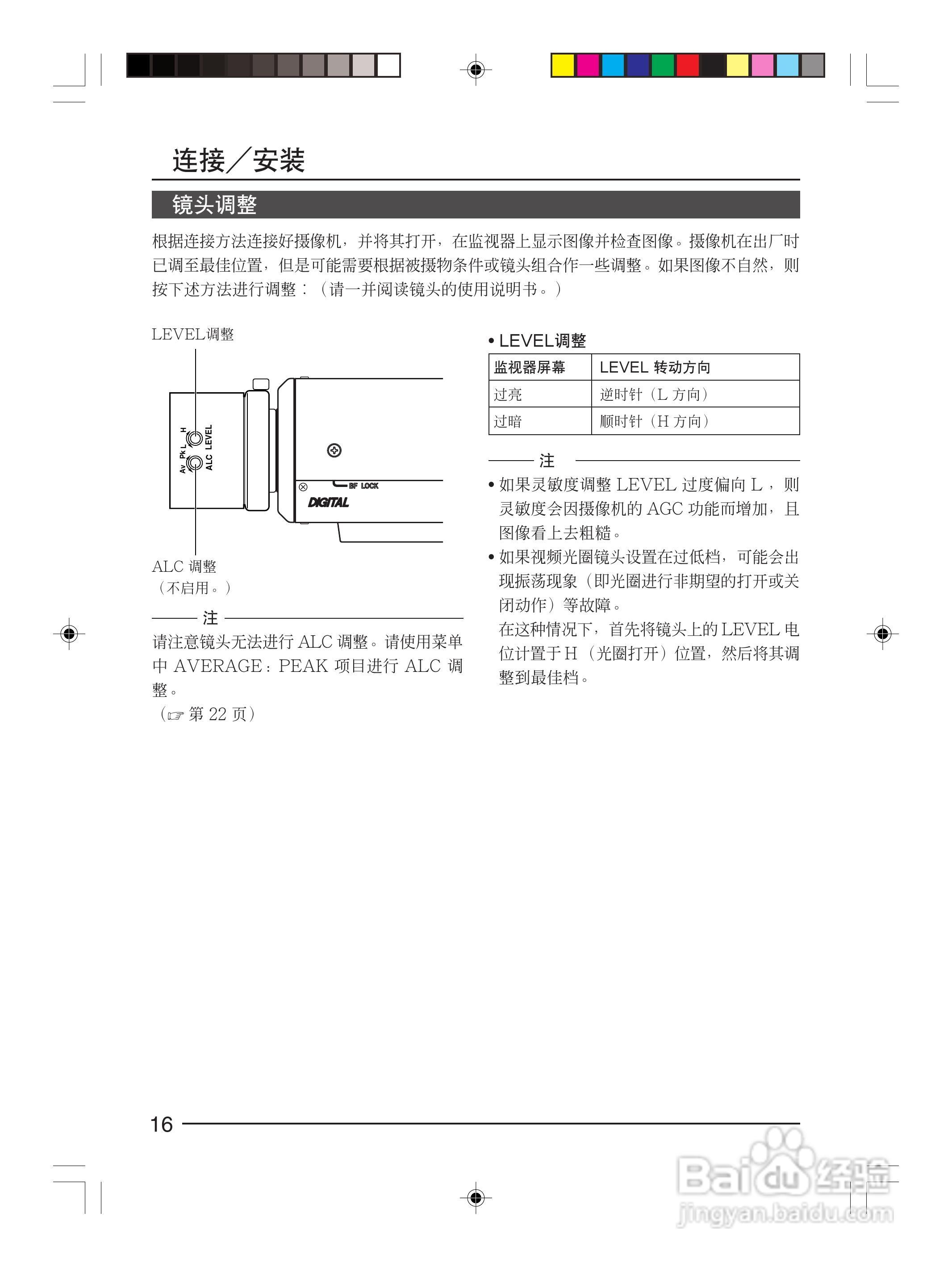
infinova V1033-1彩色视频摄像机使用说明书:[2]
2026-04-25 07:49:18
本篇为《infinova V1033-1彩色视频摄像机使用说明书》,主要介绍该产品的使用方法以及常见故障解决方案。
(共篇)
上一篇:
|
下一篇:
声明:
本网站引用、摘录或转载内容仅供网站访问者交流或参考,不代表本站立场,如存在版权或非法内容,请联系站长删除,联系邮箱:site.kefu@qq.com。
相关推荐
Infinova V6201-M系列彩色百万像素网络摄像机使用说明:[2]
阅读量:48
Infinova V6201-M系列彩色百万像素网络摄像机使用说明:[1]
阅读量:126
Infinova V6201-M系列彩色百万像素网络摄像机使用说明:[3]
阅读量:124
Infinova V6201-M系列彩色百万像素网络摄像机使用说明:[5]
阅读量:162
Infinova V6201-M系列彩色百万像素网络摄像机使用说明:[6]
阅读量:104
猜你喜欢
七零八落什么意思
录视频用什么软件好
名声大振的意思
偶尔的意思
推波助澜的意思
shampoo是什么意思
乳液什么时候用
骄阳似火是什么意思
crane是什么意思
学以致用的意思
猜你喜欢
什么时候打新股中签率高
超声波在生活中还有什么用途呢
亲是什么意思
防火墙有什么作用
鱼贯而入的意思
osd是什么意思
饕餮是什么意思
得过且过是什么意思
构思的意思
齐大非偶什么意思