iMX6UL Cortex-A7架构单核ARM开发板接口介绍
1、1. POWER 电源接口电源输入为 5V/2A+,给核心板提供 5V 电源,给底板供电。原理图部分如下图所示。


2、电源接口位置如下图所示。

3、2. SWITCH 电源开关轻触电源开关可以控制开发板电源通断。原理图部分如下图所示。

4、如下图所示。

5、3. 拨码开关8 位拨码开关控制 iMX6UL 启动模式。 原理图部分如下图所示。

6、如下图所示。

7、4. JTAG 接口保留 JTAG 接口,有需要的用户可以进行扩展。原理图部分如下图所示。

8、如下图所示。

9、5. CAMERA 接口支持 500 万自动对焦摄像头模块。原理图部分如下图所示。

10、如下图所示。

11、6. GPIO 接口复用的扩展口,支持 GPIO 扩展。原理图部分如下图所示。

12、如下图所示。

13、7.User Key 功能按键2 个扩展按键,支持休眠,复位。原理图部分如下图所示。

14、如下图所示。

15、8. MIC支持麦克输入,支持录音功能。原理图部分如下图所示。

16、如下图所示。

17、9. PHONE支持耳机功能。 原理图部分如下图所示。

18、如下图所示。

19、10. 串口两路 232 电平串口。原理图部分如下图所示。

20、如下图所示。

21、6 路 3.3V TTL 电平串口。


22、11. USB Host2 路 USB 扩展口。原理图部分如下图所示。

23、如下图所示。

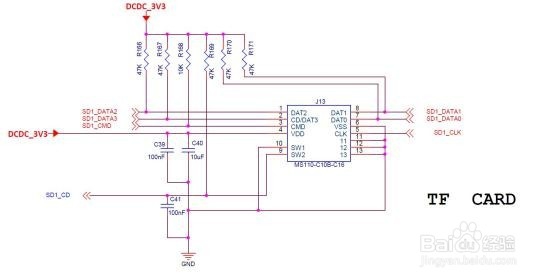
24、12.TF CardTF 卡标准卡槽。原理图部分如下图所示。

25、如下图所示。

26、13. 网口板载百双路百兆有线以太网,传输量提升,提供更快,更流畅的速度。原理图部分如下图所示。

27、如下图所示。

28、14. LCD 接口支持 RGB-LCD 接口,LVDS-LCD 接口。RGB-LCD 原理图部分如下图所示。

29、LVDS 信号,软排线接口原理图部分如下图所示。

30、LVDS 信号,HDMI 接口原理图部分如下图所示。

31、如下图所示。

32、15. USB OTGUSB OTG 接口。OTG 接口用于烧写操作系统镜像。原理图部分如下图所示。

33、如下图所示。

34、16. RTC 实时时钟锂电池供电,掉电后时钟继续工作。原理图部分如下图所示。


35、如下图所示。

36、17. CAN 接口双路 can 总线。原理图部分如下图所示。

37、如下图所示。

38、18. USB WIFIUSB WIFI 模组。原理图部分如下图所示。

39、如下图所示。

40、19. GPS 模组(选配)GPS 模组。原理图部分如下图所示。

41、如下图所示。

42、20. 4G 模组(选配)4G 模组。原理图部分如下图所示。

43、如下图所示。
