指南生活
首页
美食营养
手工爱好
生活家居
返回
指南生活
首页
美食营养
游戏数码
手工爱好
生活家居
健康养生
运动户外
职场理财
情感交际
母婴教育
时尚美容
知识问答
生活知识
搜索
一指禅指JZA1003A纹门禁(考勤)多功能一体机说明书:[2]
2026-03-08 17:44:03
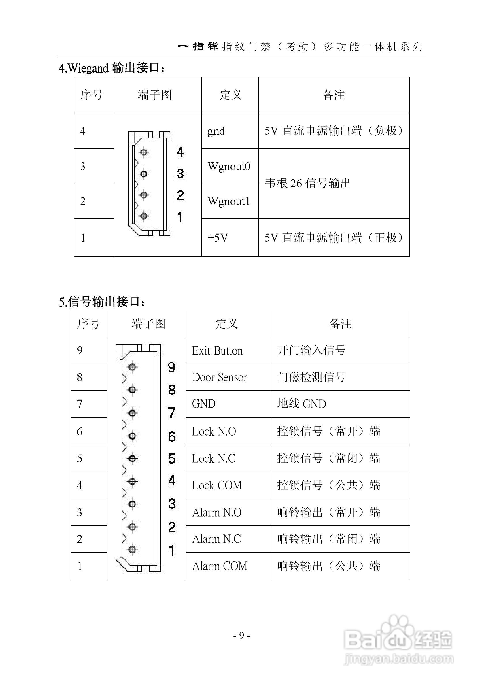
本篇为《一指禅指JZA1003A纹门禁(考勤)多功能一体机说明书》,主要介绍该产品的使用方法以及常见故障解决方案。
(共篇)
上一篇:
|
下一篇:
声明:
本网站引用、摘录或转载内容仅供网站访问者交流或参考,不代表本站立场,如存在版权或非法内容,请联系站长删除,联系邮箱:site.kefu@qq.com。
相关推荐
一指禅指JZA3001纹门禁(考勤)多功能一体机说明书:[2]
阅读量:141
一指禅指JZA3001纹门禁(考勤)多功能一体机说明书:[3]
阅读量:173
一指禅指JZA3001纹门禁(考勤)多功能一体机说明书:[1]
阅读量:92
一指禅指纹门禁考勤多功能一体机系列说明书:[2]
阅读量:175
一指禅指纹门禁考勤多功能一体机系列说明书:[3]
阅读量:81
猜你喜欢
含沙射影的意思
乌龙是什么意思
什么叠翠成语
source是什么意思
对口招生是什么意思
hour是什么意思
六一儿童节祝福语
廉航是什么意思
滴水湖有什么好玩的
海上的风像什么
猜你喜欢
高超的意思
狗血是什么意思
长草是什么意思
videos是什么意思
生日的祝福
用什么可以美白牙齿
安然无恙的恙是什么意思
贝雷帽适合什么脸型
教师节 送什么花
睡电热毯有什么坏处