指南生活
首页
美食营养
手工爱好
生活家居
返回
指南生活
首页
美食营养
游戏数码
手工爱好
生活家居
健康养生
运动户外
职场理财
情感交际
母婴教育
时尚美容
知识问答
生活知识
生活百科
搜索
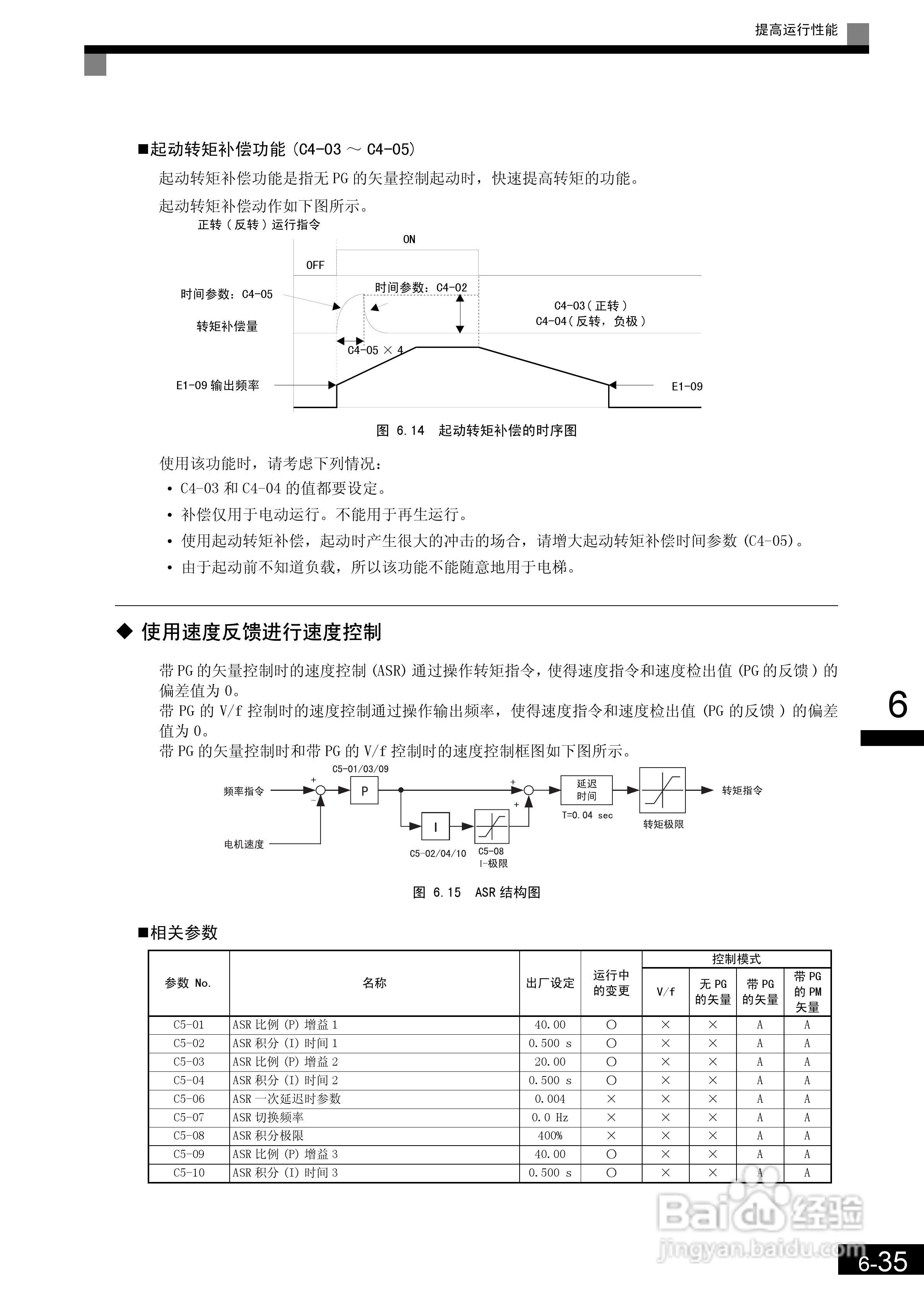
安川CIMR-L7B4055变频器使用说明书:[19]
2026-03-29 04:46:57
本篇为《安川CIMR-L7B4055变频器使用说明书》,主要介绍该产品的使用方法以及常见故障解决方案。
(共篇)
上一篇:
|
下一篇:
声明:
本网站引用、摘录或转载内容仅供网站访问者交流或参考,不代表本站立场,如存在版权或非法内容,请联系站长删除,联系邮箱:site.kefu@qq.com。
相关推荐
安川CIMR-L7B4055变频器使用说明书:[20]
阅读量:160
安川CIMR-L7B4055变频器使用说明书:[29]
阅读量:57
使用说明书wf2651使用指南
阅读量:137
使用说明书封面怎么做
阅读量:127
安川CIMR-L7B4055变频器使用说明书:[30]
阅读量:45
猜你喜欢
猖獗的意思
dha什么时候吃
舆论的意思
维嘉和吴昕什么关系
璀璨夺目的意思
聚精会神的意思是什么
material是什么意思
下吧老冒痘痘什么原因
学校周边开什么店好
nba季前赛什么时候开始
猜你喜欢
东莞地铁什么时候开通
汽车脚垫什么牌子好
不计免赔特约险是什么意思
什么网络电视软件好
舆论的意思
thunder是什么意思
突如其来是什么意思
立秋是什么意思
forward是什么意思
cpm是什么意思