指南生活
首页
美食营养
手工爱好
生活家居
返回
指南生活
首页
美食营养
游戏数码
手工爱好
生活家居
健康养生
运动户外
职场理财
情感交际
母婴教育
时尚美容
知识问答
生活知识
生活百科
搜索
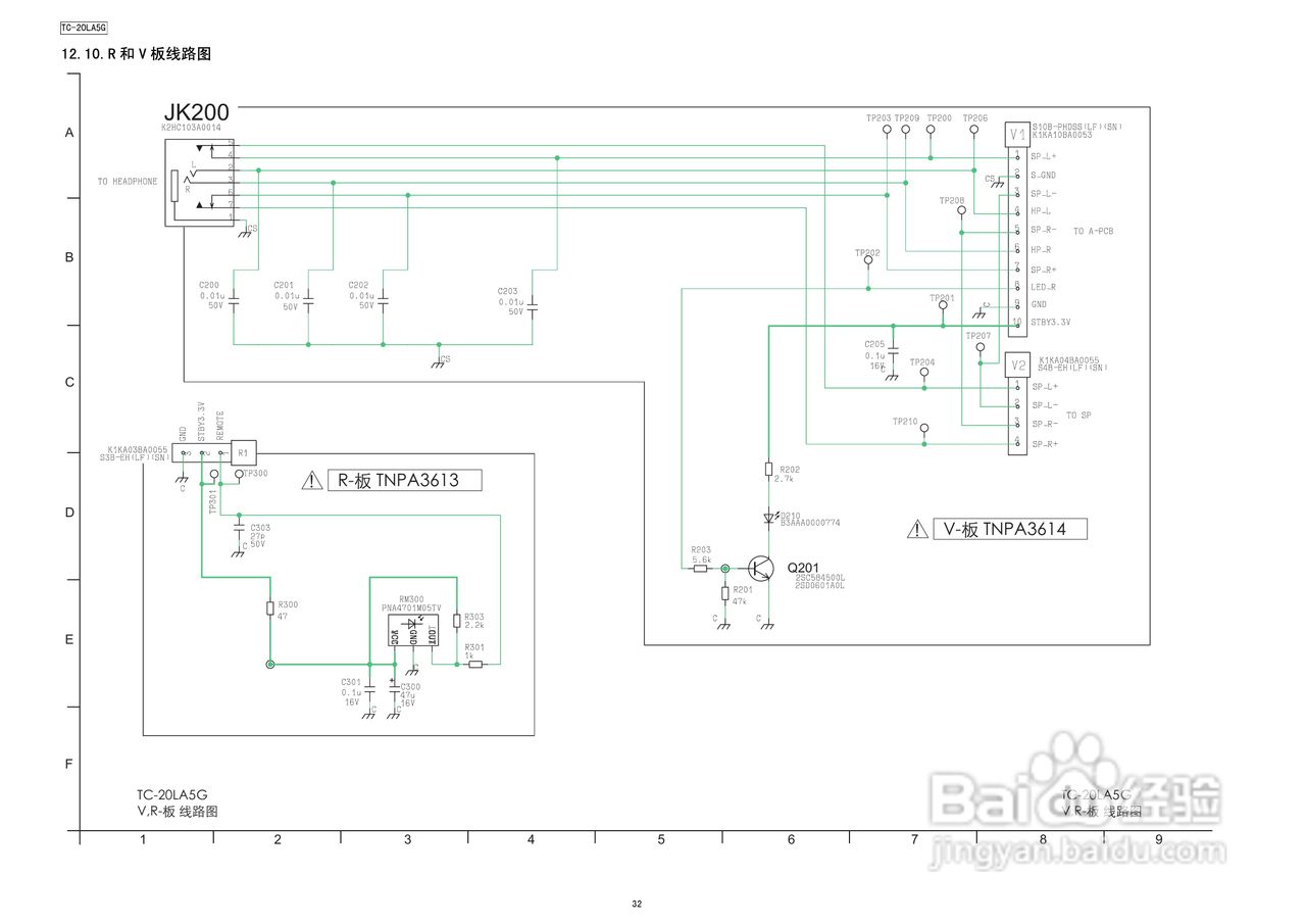
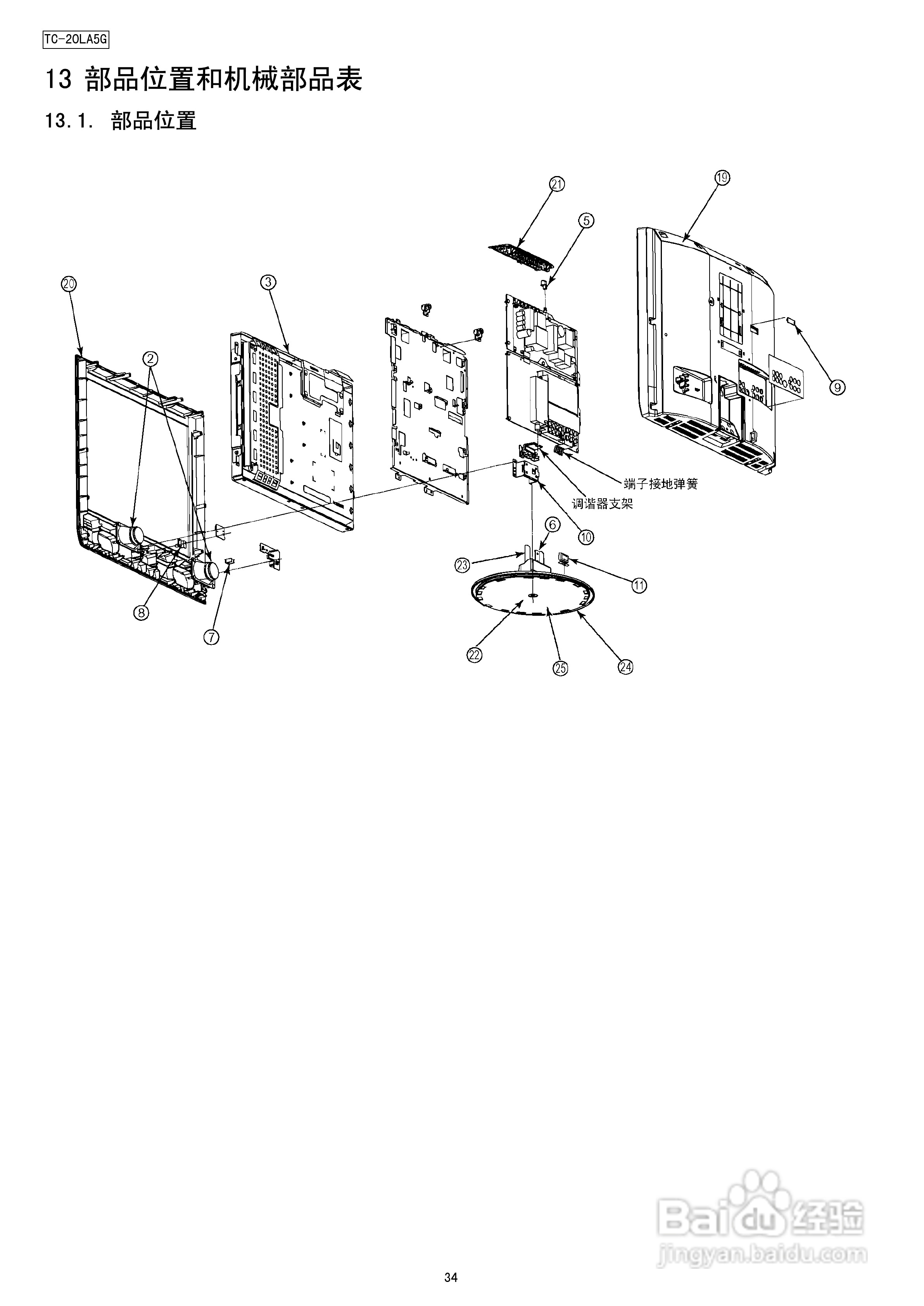
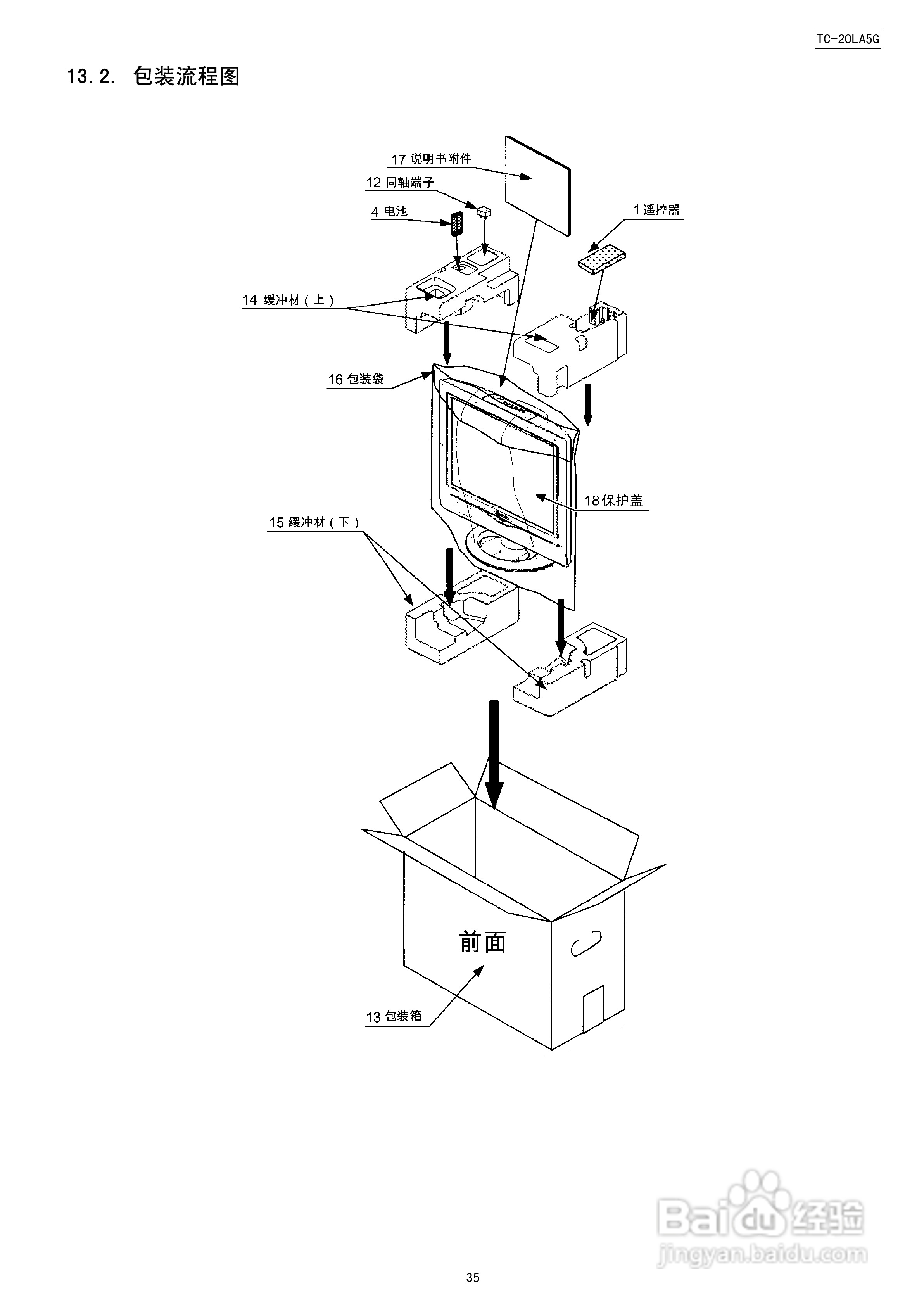
松下TC-20LA5G液晶彩电使用说明书:[4]
2026-03-25 02:58:14
/>
/>
/>
(共篇)
上一篇:
|
下一篇:
声明:
本网站引用、摘录或转载内容仅供网站访问者交流或参考,不代表本站立场,如存在版权或非法内容,请联系站长删除,联系邮箱:site.kefu@qq.com。
相关推荐
MaxDos工具箱清理无效盘符的教程
阅读量:114
win10关机变重启该怎么办
阅读量:126
禁用电脑开机硬盘检测
阅读量:83
aoc lv243xip怎么设置
阅读量:148
安装Windows10 64位提示“只能安装到GPT分区”
阅读量:53
猜你喜欢
空耳什么意思
什么是记叙文
给老人买什么礼物好
三角梅什么时候开花
ppp项目是什么意思
1984年属什么生肖
农历11月是什么星座
什么星座最聪明
屏幕总成是什么意思
三个牛念什么
猜你喜欢
hf是什么意思
过氧化氢阳性什么意思
亡羊补牢的亡是什么意思
together是什么意思
处长是什么级别
脑卒中是什么意思
什么是重读闭音节
豕是什么意思
11月6日是什么星座
巍巍什么四字成语