周立功GMS87C1102/GMS87C1202微控制器说明书:[2]

2025-11-04 00:07:08

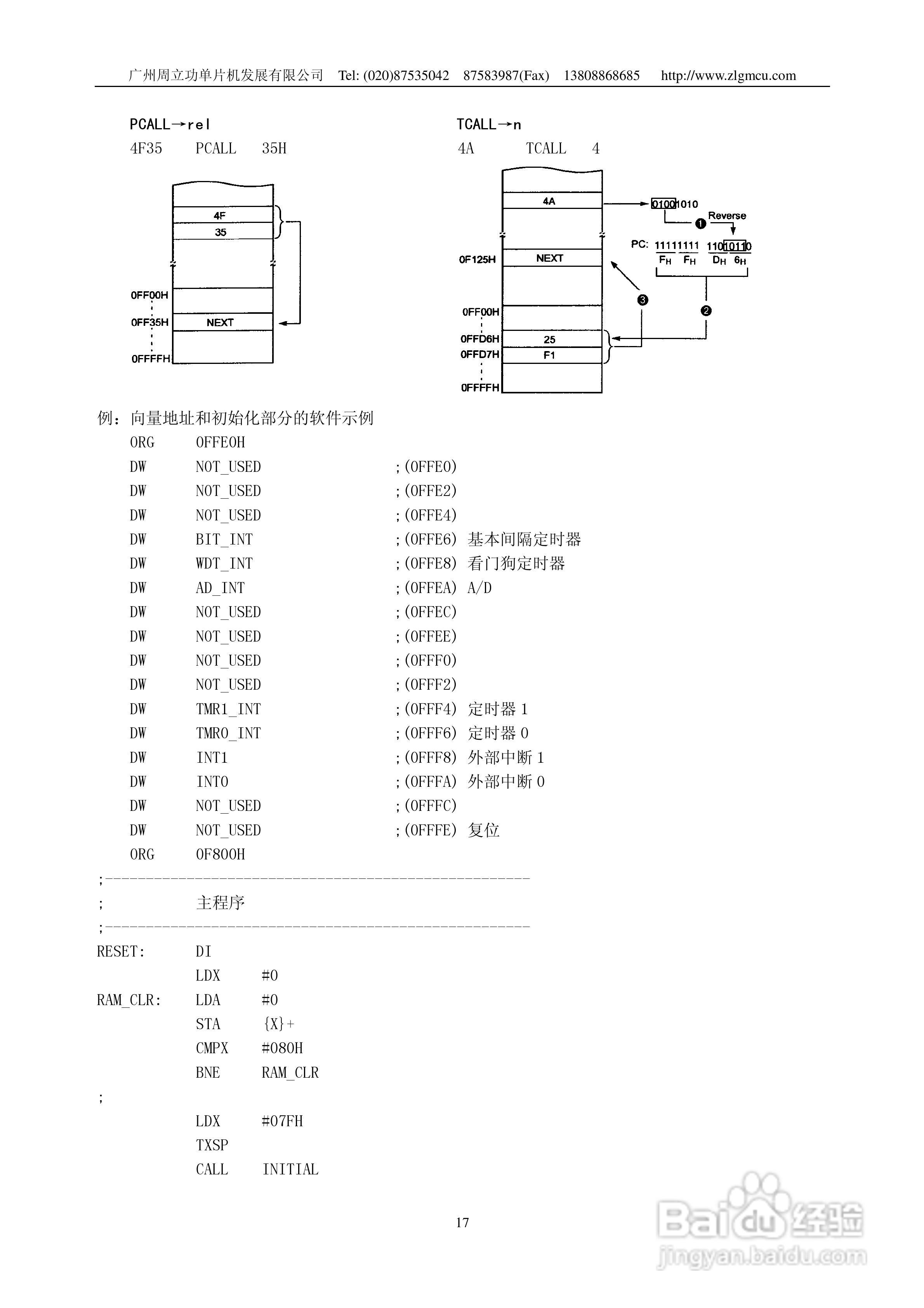
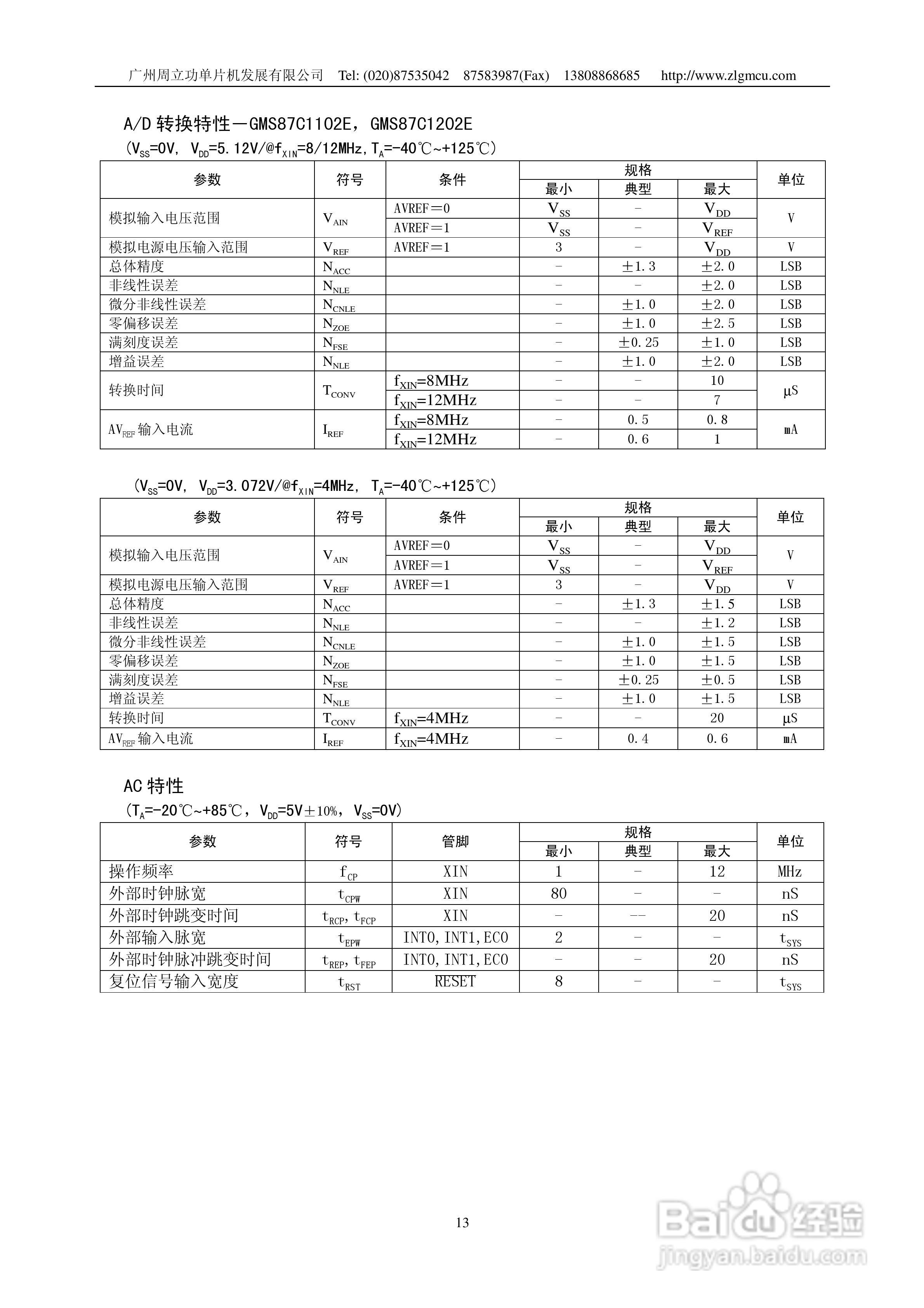
本篇为《周立功GMS87C1102/GMS87C1202微控制器说明书》,主要介绍该产品的使用方法以及常见故障解决方案。

 

周立功GMS87C1102/GMS87C1202微控制器说明书:[2]

周立功GMS87C1102/GMS87C1202微控制器说明书:[2]

周立功GMS87C1102/GMS87C1202微控制器说明书:[2]

周立功GMS87C1102/GMS87C1202微控制器说明书:[2]

周立功GMS87C1102/GMS87C1202微控制器说明书:[2]

周立功GMS87C1102/GMS87C1202微控制器说明书:[2]

周立功GMS87C1102/GMS87C1202微控制器说明书:[2]

周立功GMS87C1102/GMS87C1202微控制器说明书:[2]

周立功GMS87C1102/GMS87C1202微控制器说明书:[2]

周立功GMS87C1102/GMS87C1202微控制器说明书:[2]

(共篇)上一篇:|下一篇:
声明:本网站引用、摘录或转载内容仅供网站访问者交流或参考,不代表本站立场,如存在版权或非法内容,请联系站长删除,联系邮箱:site.kefu@qq.com。
猜你喜欢