指南生活
首页
美食营养
手工爱好
生活家居
返回
指南生活
首页
美食营养
游戏数码
手工爱好
生活家居
健康养生
运动户外
职场理财
情感交际
母婴教育
时尚美容
知识问答
生活知识
生活百科
搜索
周立功P89LPC901/902/903微控制器使用说明书:[2]
2026-04-23 18:17:32
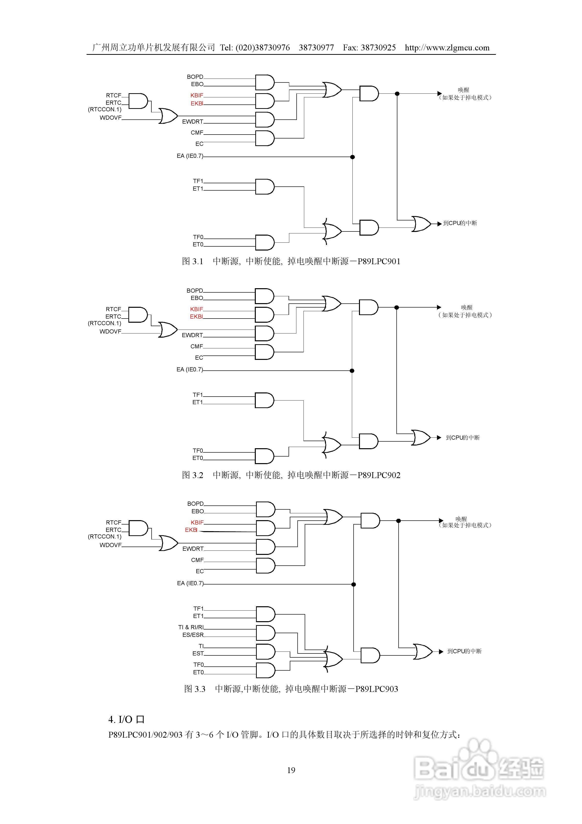
本篇为《周立功P89LPC901/902/903微控制器使用说明书》,主要介绍该产品的使用方法以及常见故障解决方案。
(共篇)
上一篇:
|
下一篇:
声明:
本网站引用、摘录或转载内容仅供网站访问者交流或参考,不代表本站立场,如存在版权或非法内容,请联系站长删除,联系邮箱:site.kefu@qq.com。
相关推荐
周立功P89LPC901/902/903微控制器使用说明书:[3]
阅读量:20
周立功LPC2292/LPC2294微控制器说明书:[2]
阅读量:111
周立功LPC2119微控制器使用说明书:[19]
阅读量:196
周立功LPC2292/LPC2294微控制器说明书:[3]
阅读量:179
周立功LPC2292/LPC2294微控制器说明书:[1]
阅读量:117
猜你喜欢
sure是什么意思
胡豆的功效与作用
杀马特是什么意思
忽如一夜春风来千树万树梨花开意思
word是什么意思
can是什么意思
记忆犹新的意思
食言是什么意思
什么是波特率
颐指气使是什么意思
猜你喜欢
茉莉花茶作用
瑟瑟发抖的意思
亲切的什么
什么是萨德系统
半胱氨酸的作用
用白醋泡脚有什么好处
三阴交穴位作用
客舍的意思
coat是什么意思中文
蛇毒的作用