指南生活
首页
美食营养
手工爱好
生活家居
返回
指南生活
首页
美食营养
游戏数码
手工爱好
生活家居
健康养生
运动户外
职场理财
情感交际
母婴教育
时尚美容
知识问答
生活知识
生活百科
搜索
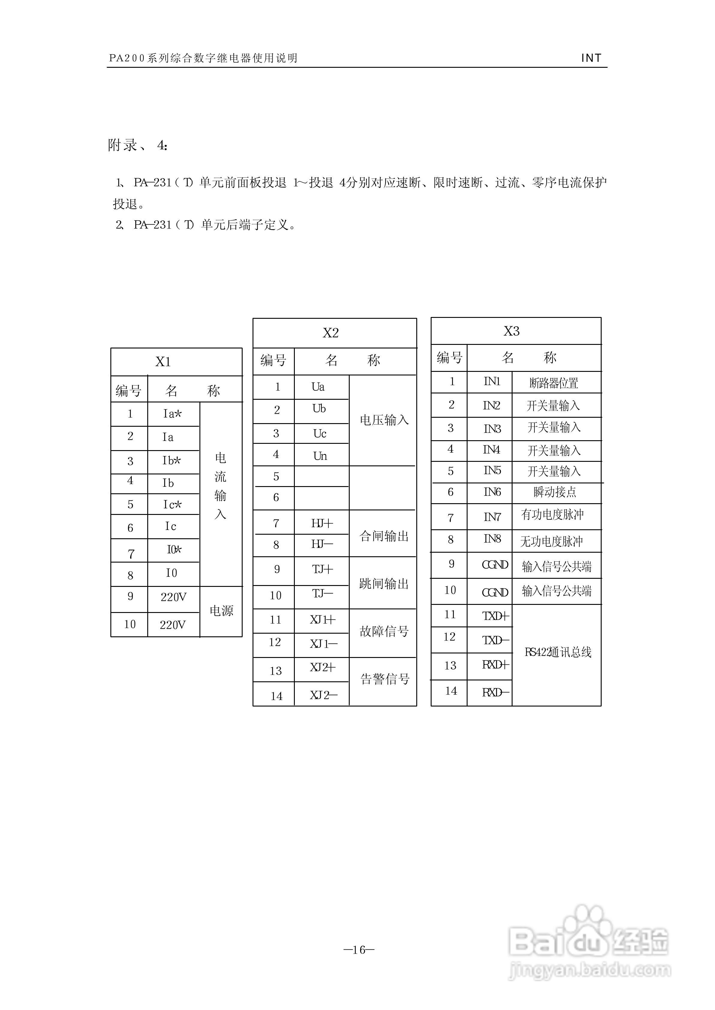
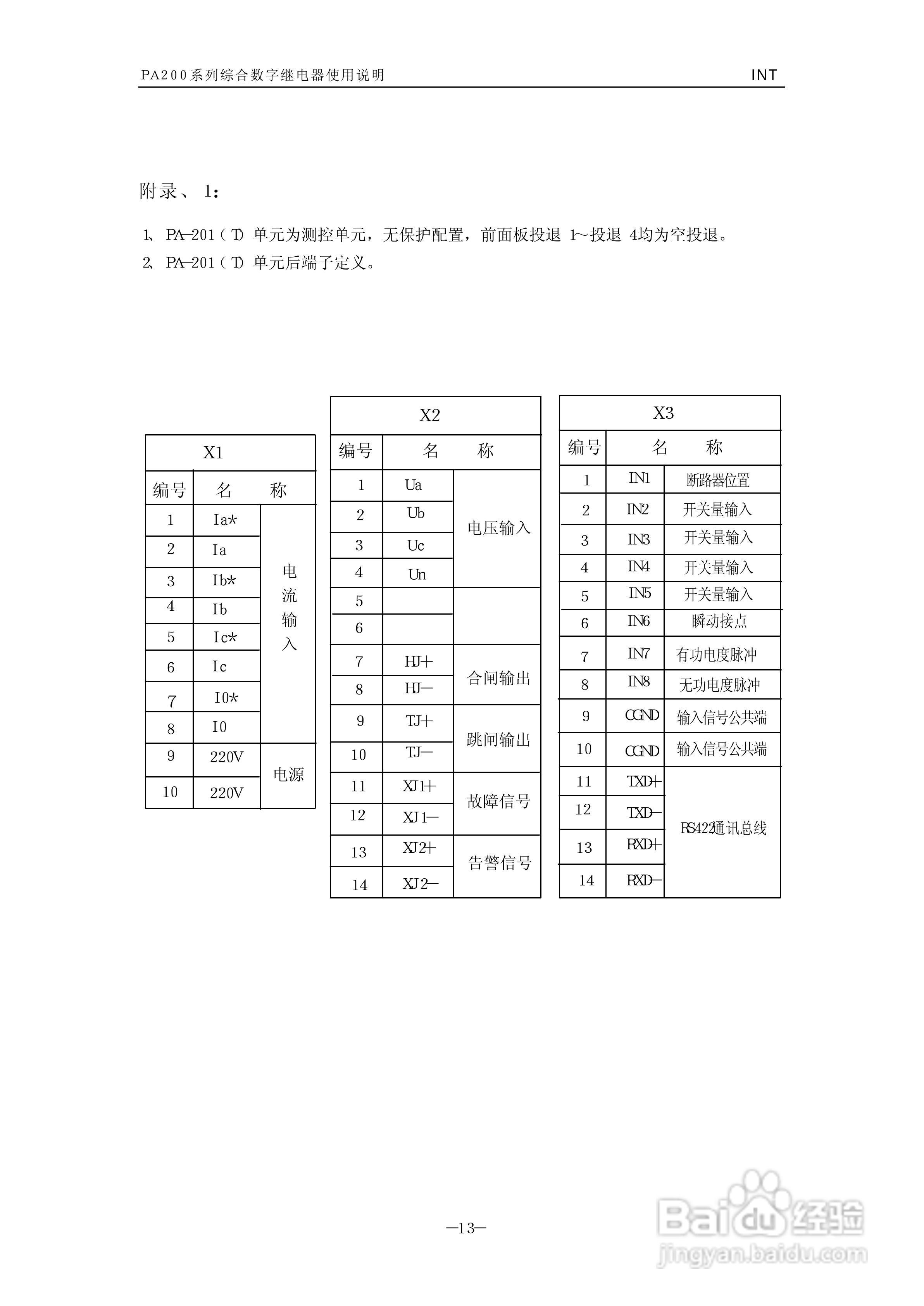
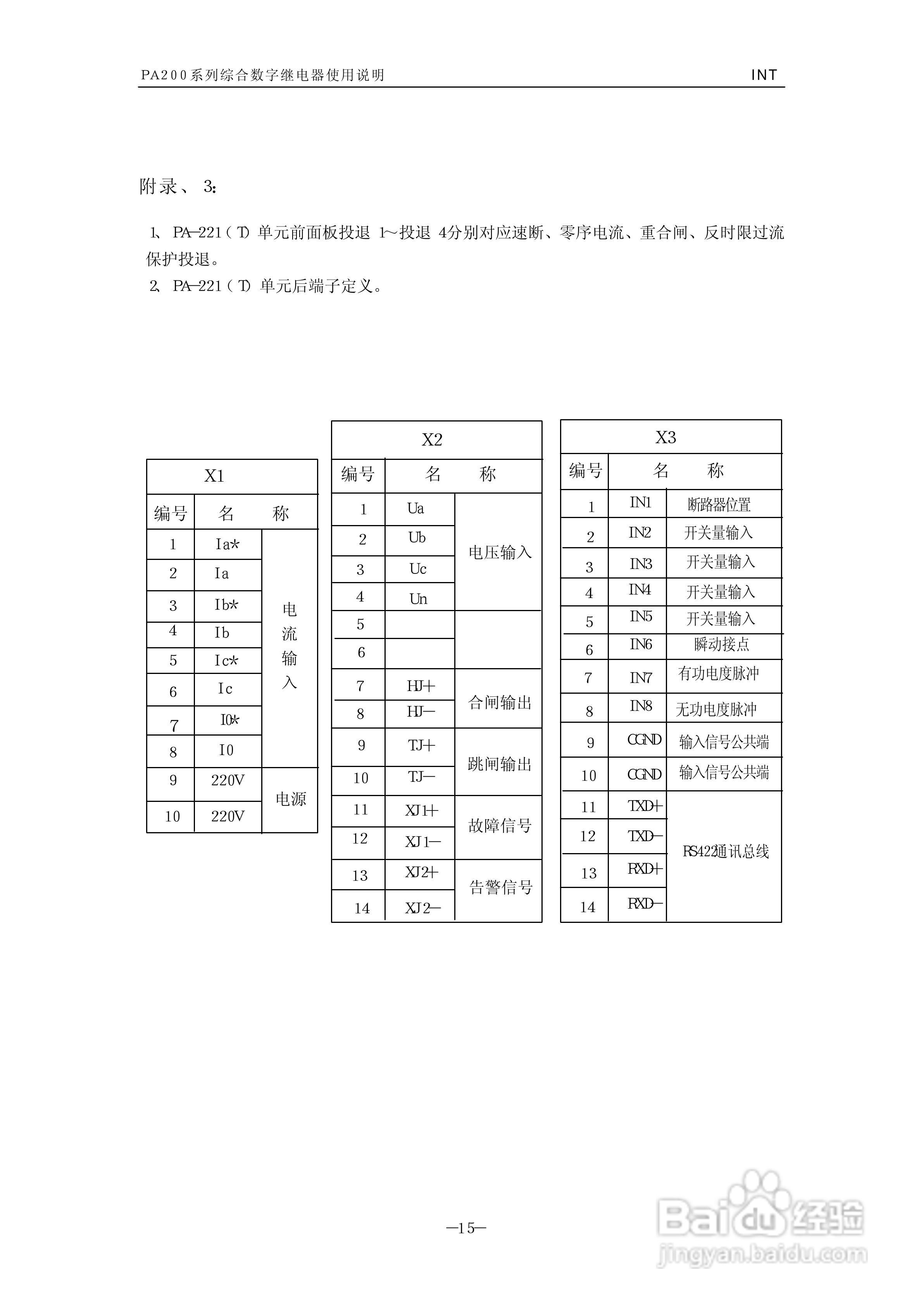
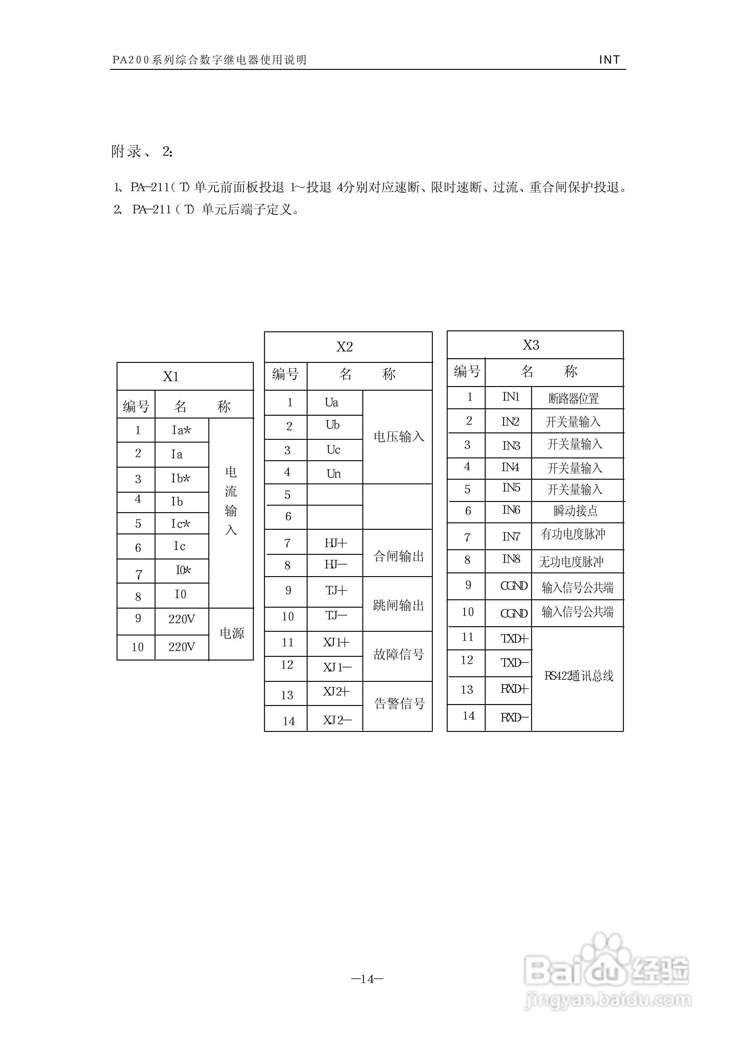
PA200调功器使用说明书:[2]
2026-05-10 06:58:35
本篇为《PA200调功器使用说明书》,主要介绍该产品的使用方法以及常见故障解决方案。
(共篇)
上一篇:
|
下一篇:
声明:
本网站引用、摘录或转载内容仅供网站访问者交流或参考,不代表本站立场,如存在版权或非法内容,请联系站长删除,联系邮箱:site.kefu@qq.com。
相关推荐
PA200调功器使用说明书:[1]
阅读量:116
东元7200PA变频器使用说明书:[2]
阅读量:21
Panasonic BL-PA100宽频电源使用说明书:[2]
阅读量:142
TDS-PA01现场总线适配器使用说明书:[2]
阅读量:170
使用说明书封面怎么做
阅读量:81
猜你喜欢
我的世界电梯怎么做
青菜怎么炒好吃
青春痘怎么能治好
芒果吃多了会怎么样
siri怎么打开
我的世界怎么做电梯
拔丝苹果的家常做法
心跳过快怎么办怎么解决
医保报销是怎么报销的
英雄联盟手游怎么下载
猜你喜欢
excel表格怎么换行
怀孕为什么会呕吐
恙怎么读
栈怎么读
我的世界西瓜怎么种
行李箱密码锁打不开怎么办
为什么月经迟迟不来
我的世界马鞍怎么做
怎么给电脑设置开机密码
word怎么自动生成目录