指南生活
首页
美食营养
手工爱好
生活家居
返回
指南生活
首页
美食营养
游戏数码
手工爱好
生活家居
健康养生
运动户外
职场理财
情感交际
母婴教育
时尚美容
知识问答
生活知识
生活百科
搜索
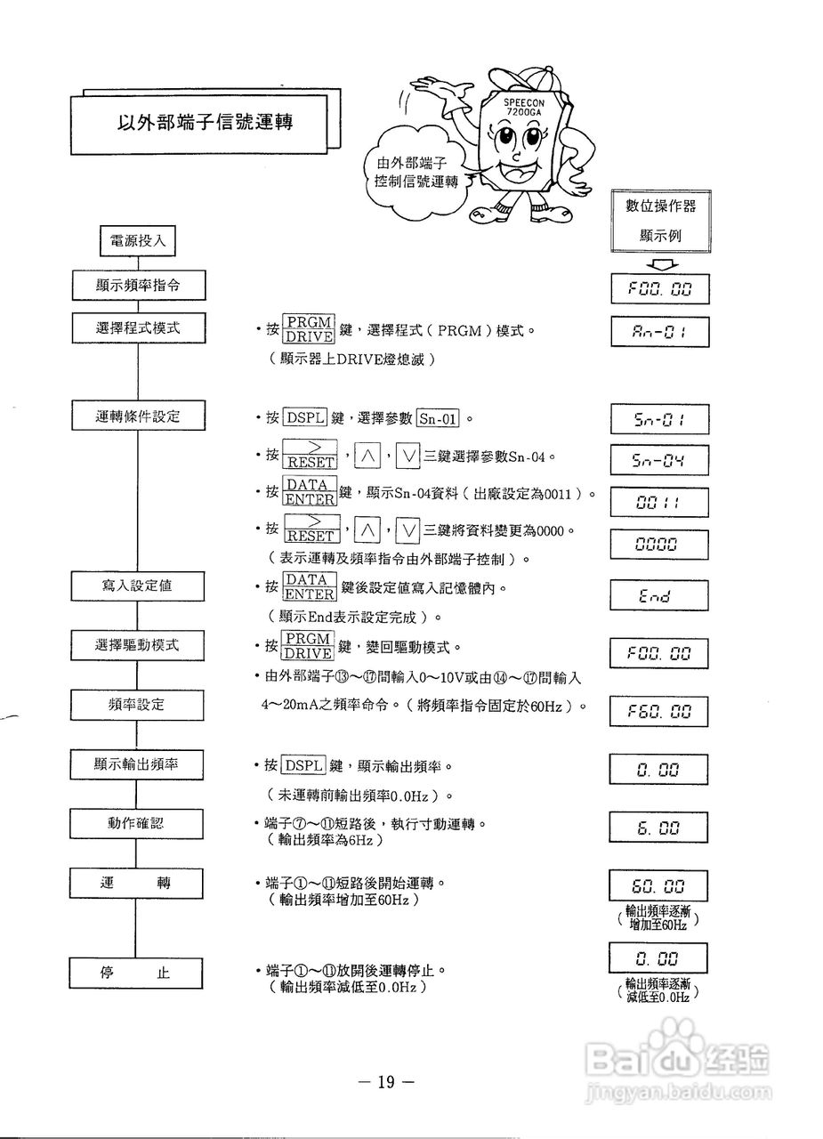
东元7200PA变频器使用说明书:[2]
2026-03-23 06:57:52
本篇为《东元7200PA变频器使用说明书》,主要介绍该产品的使用方法以及常见故障解决方案。
(共篇)
上一篇:
|
下一篇:
声明:
本网站引用、摘录或转载内容仅供网站访问者交流或参考,不代表本站立场,如存在版权或非法内容,请联系站长删除,联系邮箱:site.kefu@qq.com。
相关推荐
东元7200PA变频器使用说明书:[3]
阅读量:64
东元7200GA变频器使用说明书:[3]
阅读量:63
PA200调功器使用说明书:[2]
阅读量:179
优派PJL7200投影机使用说明书:[2]
阅读量:144
使用说明书封面怎么做
阅读量:41
猜你喜欢
龙涎香是什么
什么的芦苇
初中毕业考不上高中可以上什么学校
质因数是什么
死刑缓期两年执行是什么意思
麻油是什么油
瘟疫是什么病
letter是什么意思
cp是什么
七月十四是什么日子
猜你喜欢
sky是什么意思
潜水是什么意思
蒟蒻是什么
精美的反义词是什么
loop是什么意思
正月十五是什么节日
型男是什么意思
三月三是什么节
蝉联是什么意思
n是什么牌子的鞋