指南生活
首页
美食营养
手工爱好
生活家居
返回
指南生活
首页
美食营养
游戏数码
手工爱好
生活家居
健康养生
运动户外
职场理财
情感交际
母婴教育
时尚美容
知识问答
生活知识
搜索
RCS-978ZJ系列220KV变压器保护装置说明书:[3]
2025-12-28 13:12:02
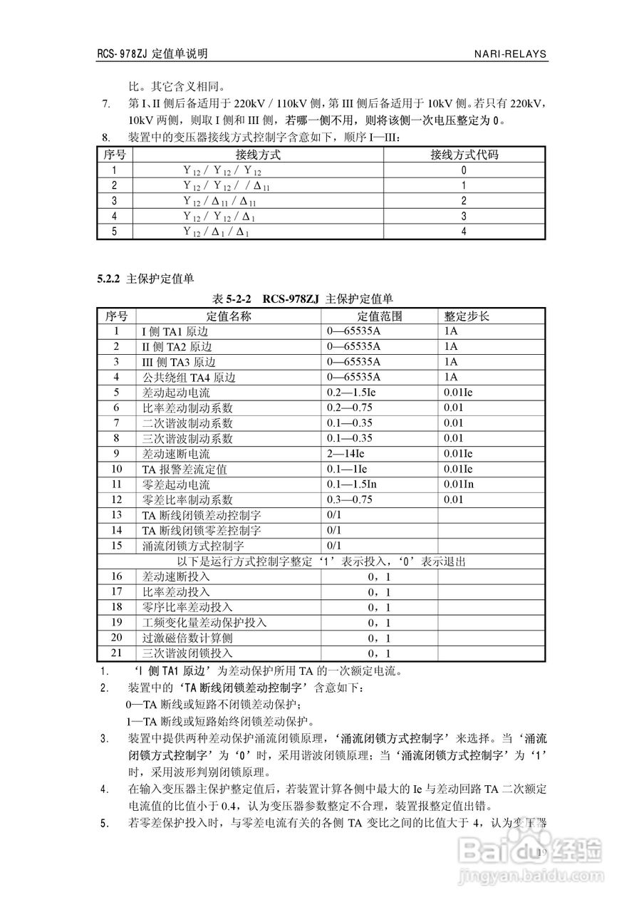
本篇为《RCS-978ZJ系列220KV变压器保护装置说明书》,主要介绍该产品的使用方法以及常见故障解决方案。
(共篇)
上一篇:
|
下一篇:
声明:
本网站引用、摘录或转载内容仅供网站访问者交流或参考,不代表本站立场,如存在版权或非法内容,请联系站长删除,联系邮箱:site.kefu@qq.com。
相关推荐
RCS-978ZJ系列220KV变压器保护装置说明书:[2]
阅读量:36
RCS-978ZJ型变压器成套保护装置技术和使用说明书:[3]
阅读量:107
RCS-978ZJ型变压器成套保护装置技术和使用说明书:[2]
阅读量:183
RCS-978ZJ型变压器成套保护装置技术和使用说明书:[5]
阅读量:62
变压器满负载的测试方法
阅读量:38
猜你喜欢
芒果的功效与作用禁忌
华为mate9什么时候上市
男运动裤
科学小知识手抄报
tct是检查什么的
男友生日送什么礼物好
女人的胸部长什么样
贷款需要什么手续
微微地什么
片仔癀的功效与作用
猜你喜欢
福尔马林的作用
送男生什么礼物比较好
防患于未然什么意思
最近有什么新电影
人参粉的功效与作用
弱水三千只取一瓢什么意思
蓦然回首什么意思
说明方法的作用
千日红的功效与作用
槐花的功效与作用