亚特克CPC316变频恒压供水控制器使用说明书:[1]
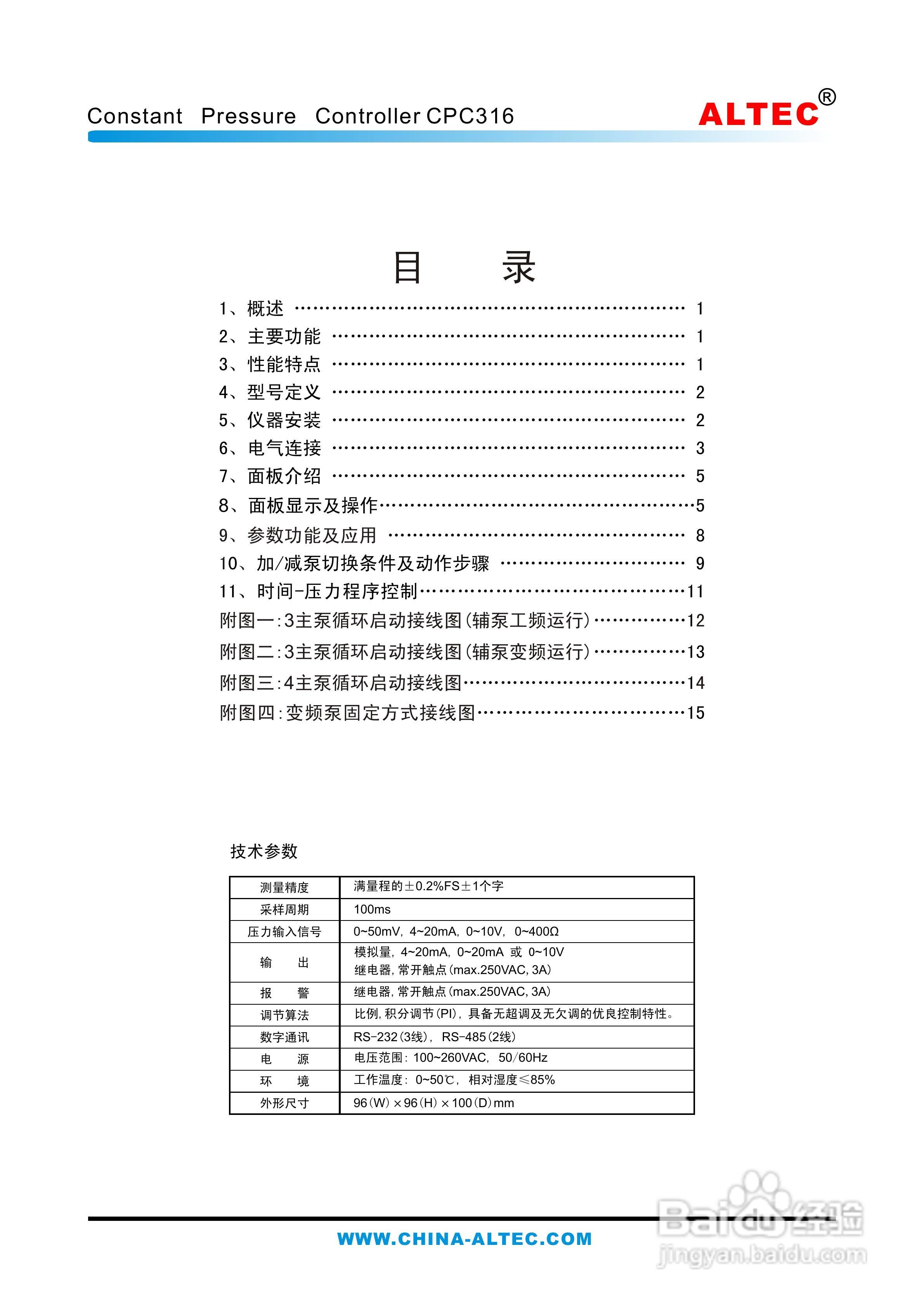
本篇为《亚特克CPC316变频恒压供水控制器使用说明书》,主要介绍该产品的使用方法以及常见故障解决方案。
![亚特克CPC316变频恒压供水控制器使用说明书:[1]](https://exp-picture.cdn.bcebos.com/e076d77622bc7dc5d2c67bea5e460596b914293a.jpg)
![亚特克CPC316变频恒压供水控制器使用说明书:[1]](https://exp-picture.cdn.bcebos.com/47bf594ec28333bf124e65fadbb8b43ea9db1d3a.jpg)
![亚特克CPC316变频恒压供水控制器使用说明书:[1]](https://exp-picture.cdn.bcebos.com/560be432939c2cf7ed138cac452c5b1b1fde123a.jpg)
![亚特克CPC316变频恒压供水控制器使用说明书:[1]](https://exp-picture.cdn.bcebos.com/125ed0ecd3d96975cf65bc2cd243040149fe093a.jpg)
![亚特克CPC316变频恒压供水控制器使用说明书:[1]](https://exp-picture.cdn.bcebos.com/486884883913e8e5a54ffd09352f477047187d3a.jpg)
![亚特克CPC316变频恒压供水控制器使用说明书:[1]](https://exp-picture.cdn.bcebos.com/92174dbbf82064fbc1aa61948e6104a354e96f3a.jpg)
![亚特克CPC316变频恒压供水控制器使用说明书:[1]](https://exp-picture.cdn.bcebos.com/e996472ae3efe07875908f03b96c576698cf653a.jpg)
![亚特克CPC316变频恒压供水控制器使用说明书:[1]](https://exp-picture.cdn.bcebos.com/22c4fe36e29147e85f4169c7b603bbea3f86583a.jpg)
![亚特克CPC316变频恒压供水控制器使用说明书:[1]](https://exp-picture.cdn.bcebos.com/6002c9d4483104eb80060fba092b74ee1d324e3a.jpg)
![亚特克CPC316变频恒压供水控制器使用说明书:[1]](https://exp-picture.cdn.bcebos.com/75af02324b18512cf1508812ad334884cce3493a.jpg)
声明:本网站引用、摘录或转载内容仅供网站访问者交流或参考,不代表本站立场,如存在版权或非法内容,请联系站长删除,联系邮箱:site.kefu@qq.com。
阅读量:150
阅读量:35
阅读量:173
阅读量:120
阅读量:195
本篇为《亚特克CPC316变频恒压供水控制器使用说明书》,主要介绍该产品的使用方法以及常见故障解决方案。
![亚特克CPC316变频恒压供水控制器使用说明书:[1]](https://exp-picture.cdn.bcebos.com/e076d77622bc7dc5d2c67bea5e460596b914293a.jpg)
![亚特克CPC316变频恒压供水控制器使用说明书:[1]](https://exp-picture.cdn.bcebos.com/47bf594ec28333bf124e65fadbb8b43ea9db1d3a.jpg)
![亚特克CPC316变频恒压供水控制器使用说明书:[1]](https://exp-picture.cdn.bcebos.com/560be432939c2cf7ed138cac452c5b1b1fde123a.jpg)
![亚特克CPC316变频恒压供水控制器使用说明书:[1]](https://exp-picture.cdn.bcebos.com/125ed0ecd3d96975cf65bc2cd243040149fe093a.jpg)
![亚特克CPC316变频恒压供水控制器使用说明书:[1]](https://exp-picture.cdn.bcebos.com/486884883913e8e5a54ffd09352f477047187d3a.jpg)
![亚特克CPC316变频恒压供水控制器使用说明书:[1]](https://exp-picture.cdn.bcebos.com/92174dbbf82064fbc1aa61948e6104a354e96f3a.jpg)
![亚特克CPC316变频恒压供水控制器使用说明书:[1]](https://exp-picture.cdn.bcebos.com/e996472ae3efe07875908f03b96c576698cf653a.jpg)
![亚特克CPC316变频恒压供水控制器使用说明书:[1]](https://exp-picture.cdn.bcebos.com/22c4fe36e29147e85f4169c7b603bbea3f86583a.jpg)
![亚特克CPC316变频恒压供水控制器使用说明书:[1]](https://exp-picture.cdn.bcebos.com/6002c9d4483104eb80060fba092b74ee1d324e3a.jpg)
![亚特克CPC316变频恒压供水控制器使用说明书:[1]](https://exp-picture.cdn.bcebos.com/75af02324b18512cf1508812ad334884cce3493a.jpg)