指南生活
首页
美食营养
手工爱好
生活家居
返回
指南生活
首页
美食营养
游戏数码
手工爱好
生活家居
健康养生
运动户外
职场理财
情感交际
母婴教育
时尚美容
知识问答
生活知识
搜索
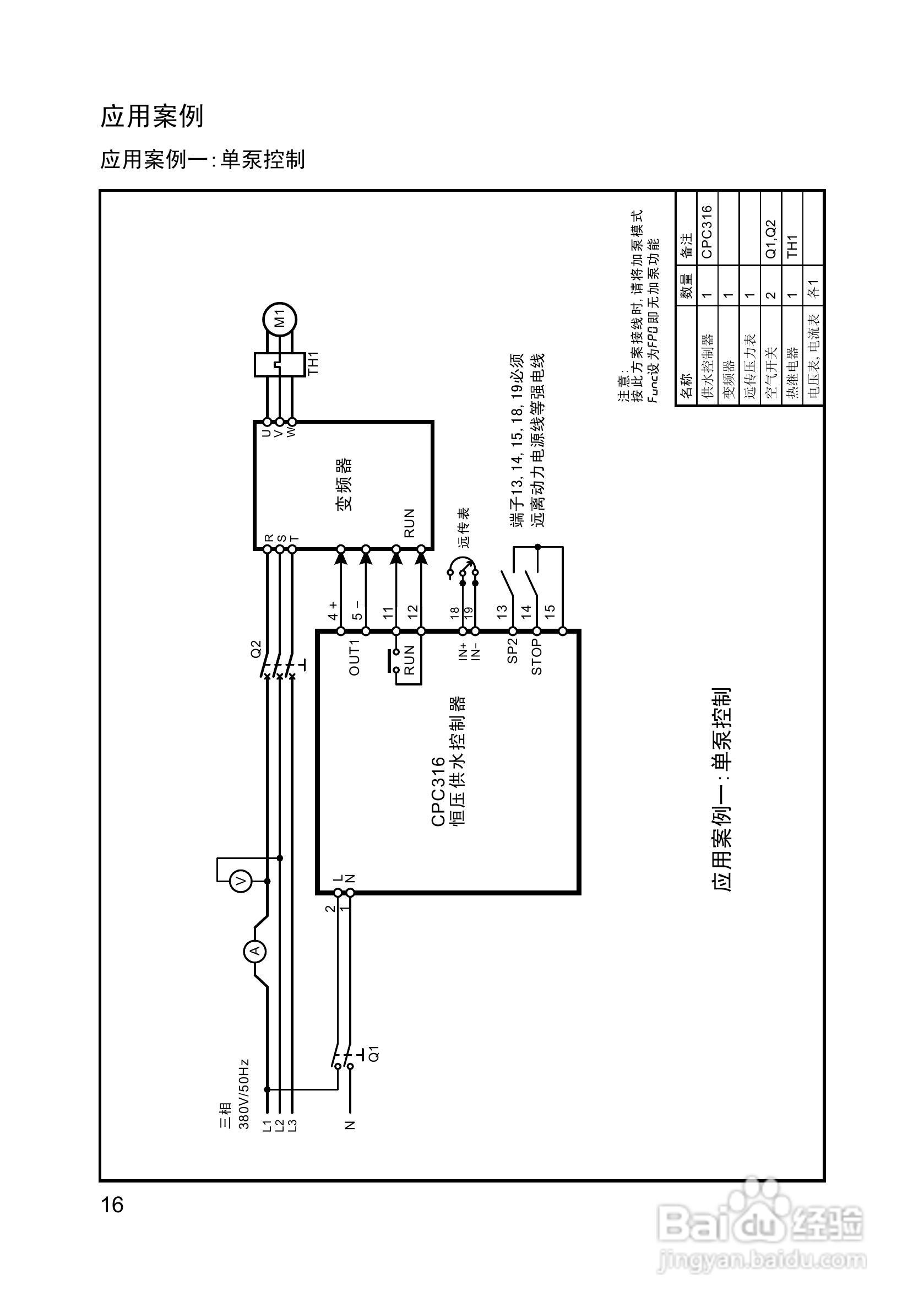
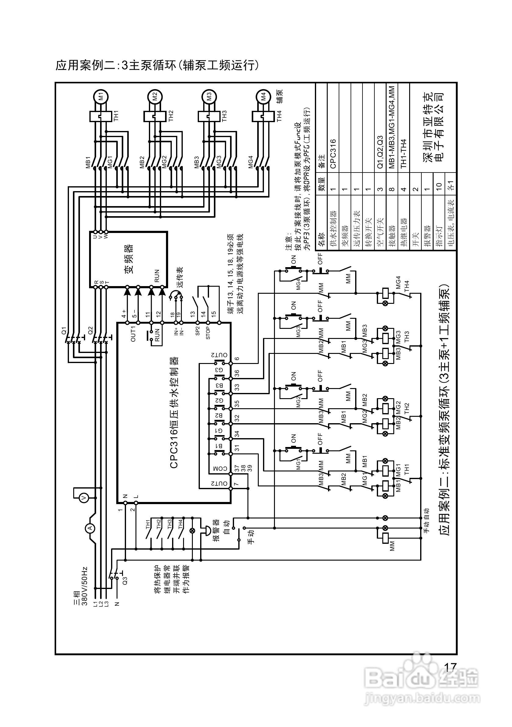
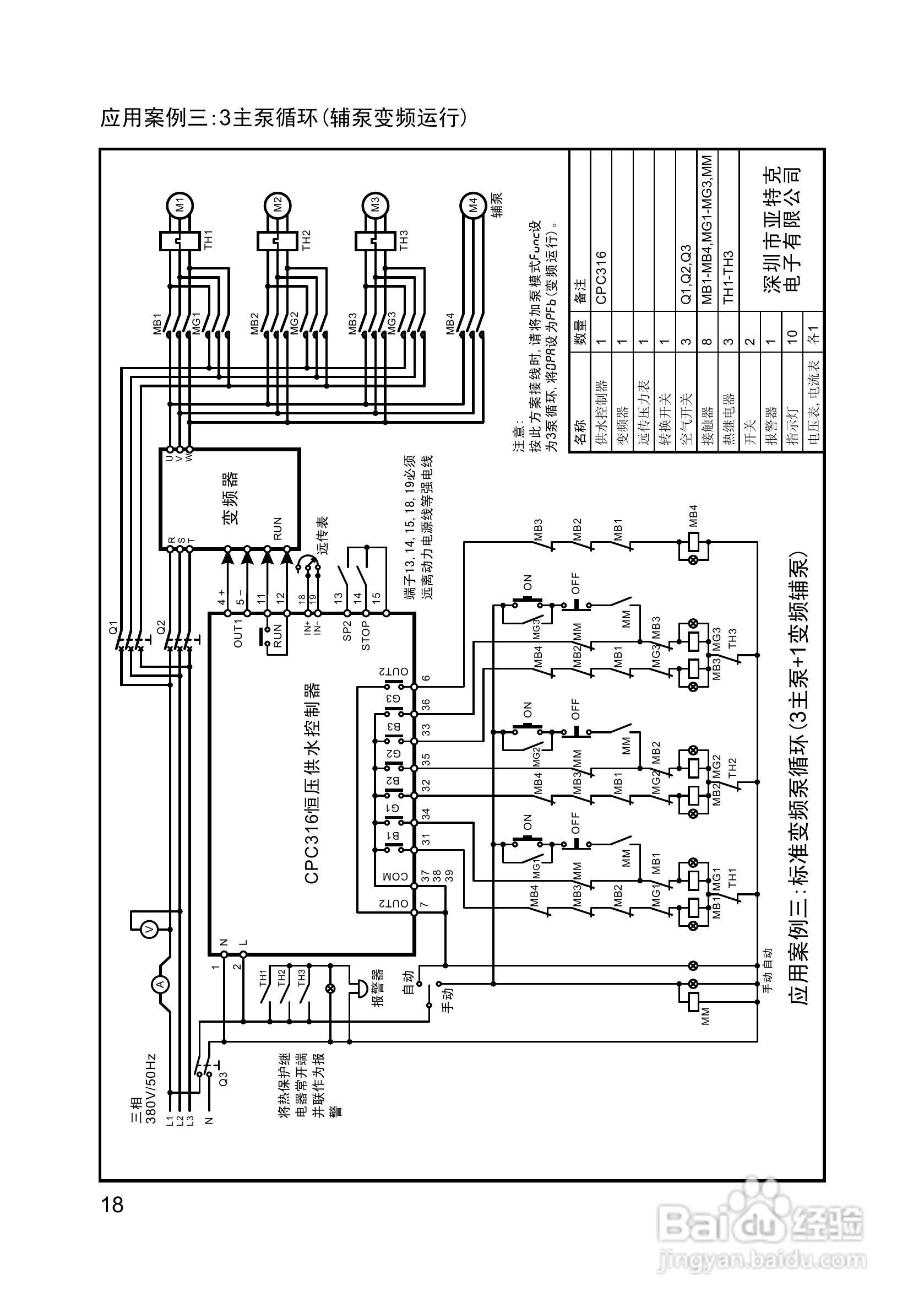
CPC316变频恒压供水控制器V4版使用说明书:[2]
2026-02-25 09:54:30
本篇为《CPC316变频恒压供水控制器V4版使用说明书》,主要介绍该产品的使用方法以及常见故障解决方案。
(共篇)
上一篇:
|
下一篇:
声明:
本网站引用、摘录或转载内容仅供网站访问者交流或参考,不代表本站立场,如存在版权或非法内容,请联系站长删除,联系邮箱:site.kefu@qq.com。
相关推荐
天正电气2014如何插入变压器元件
阅读量:147
CAD快速看图怎么修改标注颜色和大小?
阅读量:33
高喷防渗墙开挖检验效果分解
阅读量:122
如何对CAD文档进行对比 CAD文档对比方法
阅读量:103
cad图怎么在word里打开?
阅读量:25
猜你喜欢
自我检讨怎么写
中国劳动关系学院怎么样
星际争霸2怎么玩
怎么写观后感
端午节英文怎么说
文字中间的圆点怎么打
玻璃上的胶怎么去除
汉堡包英文怎么说
暗网怎么进入
itunes怎么备份
猜你喜欢
淘宝客服怎么做
养狗证怎么办理
朋友用英语怎么写
孕妇扁桃体发炎怎么办
牙齿烂了怎么办
晚上失眠睡不着怎么办
眼睛怕光是怎么回事
嗜睡怎么办
英语我爱你怎么写
手被辣椒辣了怎么办