指南生活
首页
美食营养
手工爱好
生活家居
返回
指南生活
首页
美食营养
游戏数码
手工爱好
生活家居
健康养生
运动户外
职场理财
情感交际
母婴教育
时尚美容
搜索
南瑞RCS-931DMML_HD型超高压线路成套保护装置使用说明:[5]
2025-11-04 14:15:31
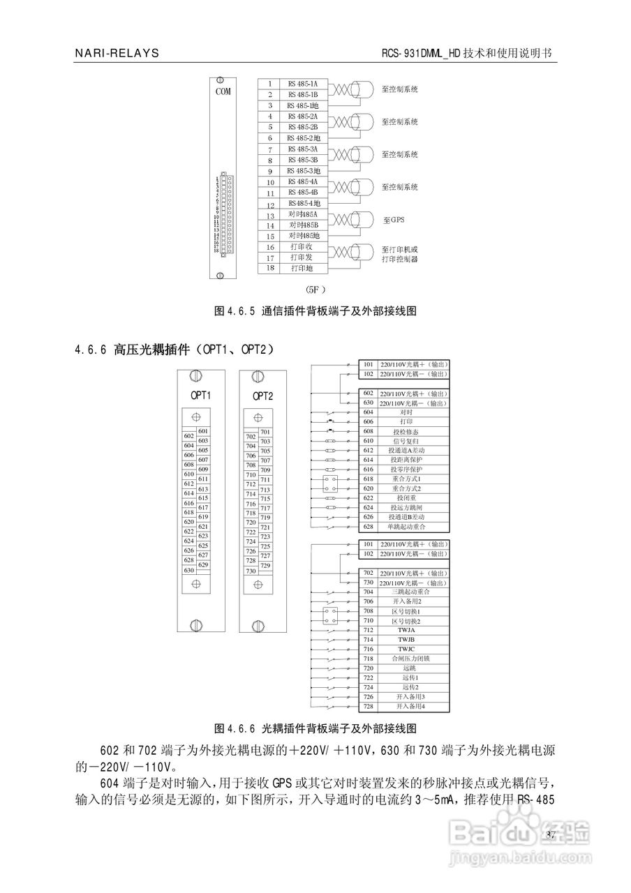
本篇为《南瑞RCS-931DMML_HD型超高压线路成套保护装置使用说明》,主要介绍该产品的使用方法以及常见故障解决方案。
(共篇)
上一篇:
|
下一篇:
声明:
本网站引用、摘录或转载内容仅供网站访问者交流或参考,不代表本站立场,如存在版权或非法内容,请联系站长删除,联系邮箱:site.kefu@qq.com。
相关推荐
南瑞RCS-931DMML_HD型超高压线路成套保护装置使用说明:[4]
阅读量:82
南瑞RCS-931ADMM超高压线路电流差动保护装置使用说明:[5]
阅读量:66
南瑞RCS-931EN超高压线路成套保护装置使用说明书:[1]
阅读量:42
南瑞RCS-931ADMM超高压线路电流差动保护装置使用说明:[6]
阅读量:51
南瑞RCS-931EN超高压线路成套保护装置使用说明书:[6]
阅读量:113
猜你喜欢
兔死狐悲是什么意思
地震云什么样
保险丝常采用什么材料
学生票什么时候可以买
不知道玩什么游戏
suggest是什么意思
效率的意思
compare是什么意思
湖北的湖指的是什么湖
brake是什么意思
猜你喜欢
我的世界岩浆有什么用
三相四线是什么意思
贻笑大方是什么意思
由来的意思
相机调控是什么意思
高傲的意思
清谈的意思
什么页游好玩不花钱
园丁是什么意思
快乐的什么作文