指南生活
首页
美食营养
手工爱好
生活家居
返回
指南生活
首页
美食营养
游戏数码
手工爱好
生活家居
健康养生
运动户外
职场理财
情感交际
母婴教育
时尚美容
知识问答
生活知识
生活百科
搜索
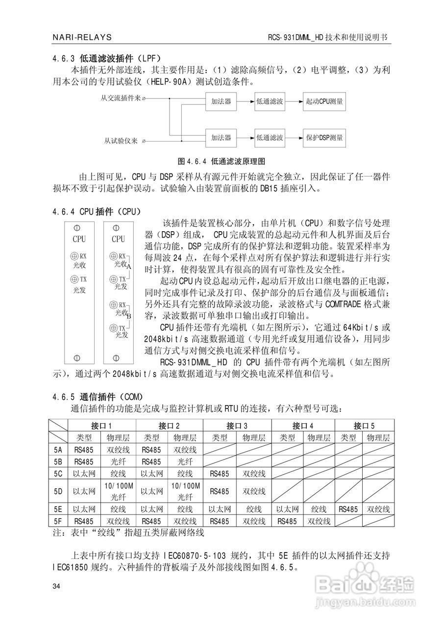
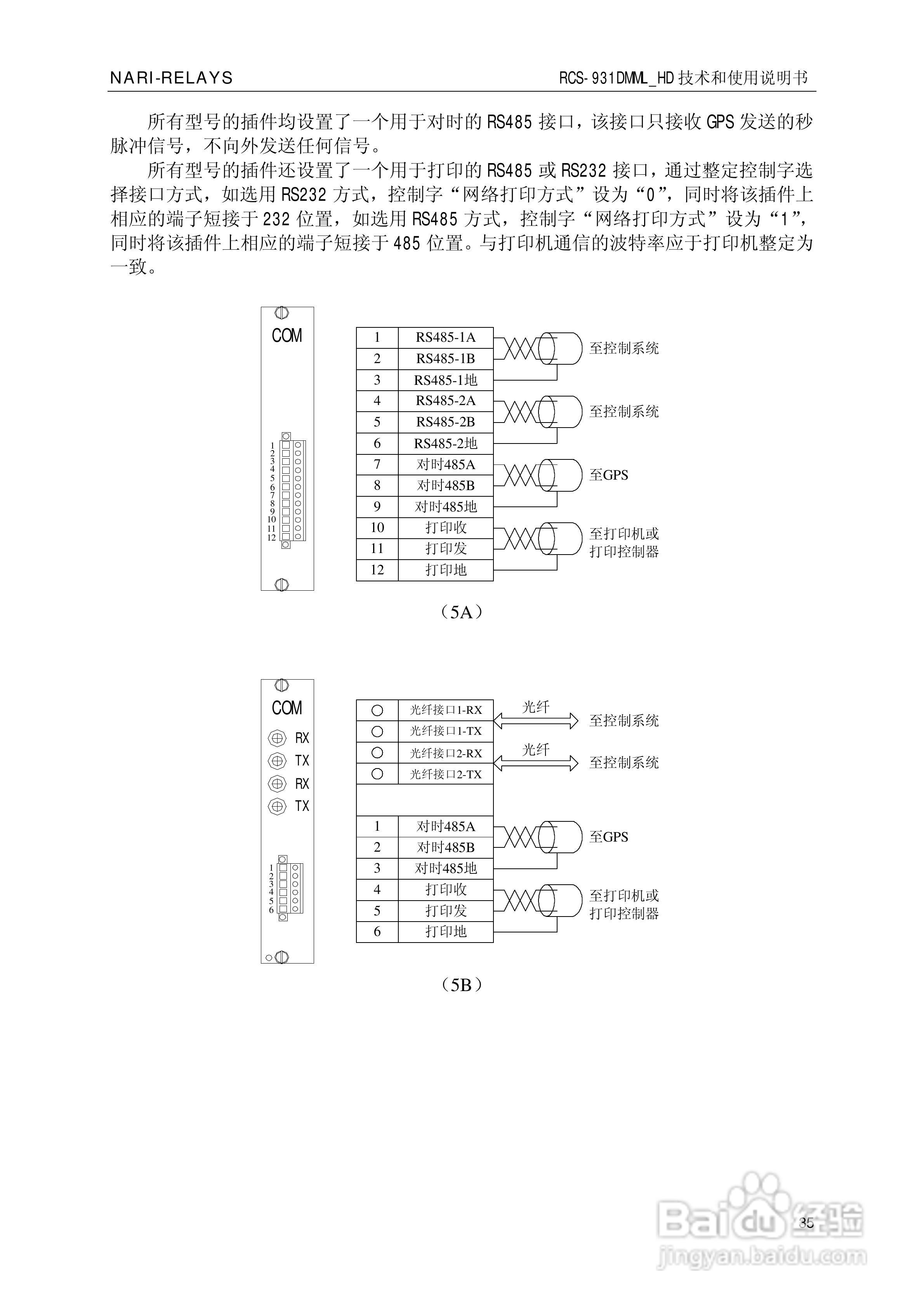
南瑞RCS-931DMML_HD型超高压线路成套保护装置使用说明:[4]
2026-04-28 15:24:49
本篇为《南瑞RCS-931DMML_HD型超高压线路成套保护装置使用说明》,主要介绍该产品的使用方法以及常见故障解决方案。
(共篇)
上一篇:
|
下一篇:
声明:
本网站引用、摘录或转载内容仅供网站访问者交流或参考,不代表本站立场,如存在版权或非法内容,请联系站长删除,联系邮箱:site.kefu@qq.com。
相关推荐
南瑞RCS-931DMML_HD型超高压线路成套保护装置使用说明:[5]
阅读量:147
南瑞RCS-931ADMM超高压线路电流差动保护装置使用说明:[4]
阅读量:165
南瑞RCS-931EN超高压线路成套保护装置使用说明书:[1]
阅读量:112
南瑞RCS-931ADMM超高压线路电流差动保护装置使用说明:[6]
阅读量:58
南瑞RCS-931EN超高压线路成套保护装置使用说明书:[6]
阅读量:99
猜你喜欢
柠檬水什么时候喝好
什么又绿江南岸
运动会400米加油稿
乐谱知识
凡士林的作用与用途
胡萝卜素的功效与作用
理科女生适合学什么专业
国家知识产权网
什么牌子的眼霜好
运动会投稿100字
猜你喜欢
小学安全知识
熟地黄的功效与作用及禁忌
运动会开幕式新闻稿
卸磨杀驴什么意思
咖啡的作用
12.9运动
知识产权诉讼
霉菌性阴炎用什么药好得快
苹果功效与作用
attach什么意思