避雷器使用方法
1、带电单相测试接线方法
带电单相接线方法如图3所示,请先将仪器可靠地线,再接电流测试线
(三芯线的黄线接计数器上端,绿线、红线悬空),最后接电压测试线(四芯线的黄线接氧化锌避雷器对应的PT的相别,黑线接N相,绿线、红线悬空)。接电流测试线的方法,首先根据电流大小,接电流测试线到主机端0-2mA或2-10mA量程档上,再将另一端接到计数器的上端。接电压测试线的方法,也是先接仪器这一端再去接PT端,一定要小心谨慎接线以避免PT二次或试验电压短路。

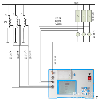
2、带电三相接线方法如图4所示,请先将仪器可靠地线,再接电流测试线(三芯线的黄、绿、红线,分别接A、B、C三相氧化锌避雷器计数器上端),最后接电压测试线(四芯线的黄、绿、红、黑线分别接PT的A、B、C、N相)。
接电流测试线的方法,首先根据电流大小,接电流测试线到主机端0-2mA或2-10mA量程档上,再将另一端接到计数器的上端。接电压测试线的方法,也是先接仪器这一端再去接PT端,一定要小心谨慎接线以避免PT二次或试验电压短路。

3、在变压器停电状态下,实验室单相接线方法如图5所示,请先将仪器可靠地线,再接电流测试线(三芯线的黄线接氧化锌避雷器下端,绿、红线悬空),最后接电压测试线(四芯线的黄线、黑线接变压器的测量绕组,注意方向,绿、红线悬空)。接电流测试线的方法,首先根据电流大小,接电流测试线到主机端0-2mA或2-10mA量程档上,再将另一端接氧化锌避雷器下端。接电压测试线的方法,也是先接仪器这一端再去接变压器测试绕组。检查正确接线后,慢慢升压到氧化锌避雷器的额定电压,然后操作仪器开始试验。

4、在变压器停电状态下,实验室三相接线方法如图6所示,请先将仪器可靠地线,再接电流测试线(三芯线的黄、绿、红线接A、B、C相氧化锌避雷器下端),最后接电压测试线(四芯线的黄、绿、红线并在一起和黑线接变
压器的测量绕组,注意方向)。接电流测试线的方法,首先根据电流大小,接电流测试线到主机端0-2mA或2-10mA量程档上,再将另一端接氧化锌避雷器下端。接电压测试线的方法,也是先接仪器这一端再去接变压器测试绕组。检查正确接线后,慢慢升压到氧化锌避雷器的额定电压,然后操作仪器开始试验。
0���<�x��接氧化锌避雷器下端。接电压测试线的方法,也是先接仪器这一端再去接变压器测试绕组。检查正确接线后,慢慢升压到氧化锌避雷器的额定电压,然后操作仪器开始试验
