指南生活
首页
美食营养
手工爱好
生活家居
返回
指南生活
首页
美食营养
游戏数码
手工爱好
生活家居
健康养生
运动户外
职场理财
情感交际
母婴教育
时尚美容
知识问答
生活知识
生活百科
搜索
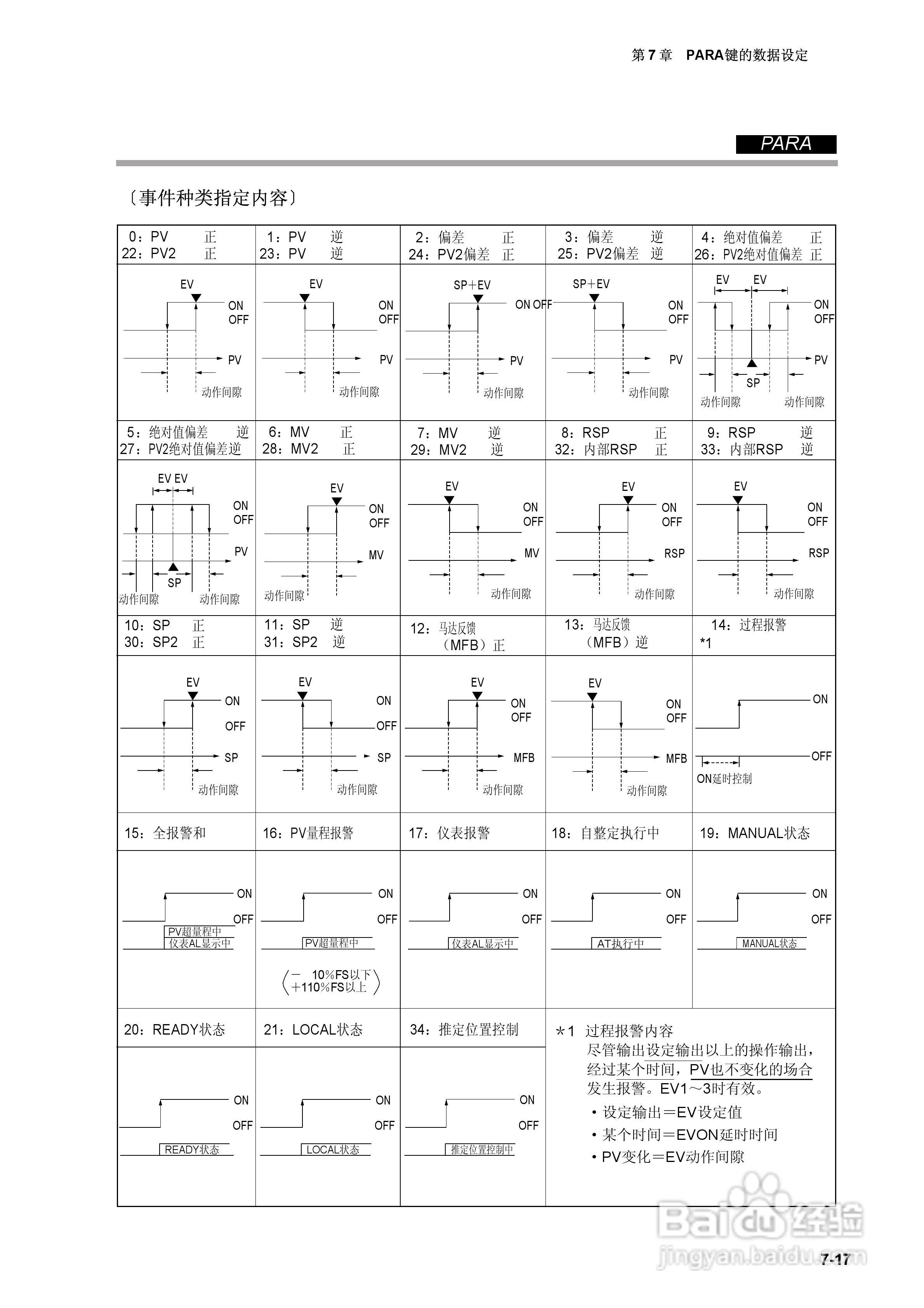
日本山武指示调节器SDC40A使用说明书:[8]
2026-03-29 08:40:09
本篇为《日本山武指示调节器SDC40A使用说明书》,主要介绍该产品的使用方法以及常见故障解决方案。
(共篇)
上一篇:
|
下一篇:
声明:
本网站引用、摘录或转载内容仅供网站访问者交流或参考,不代表本站立场,如存在版权或非法内容,请联系站长删除,联系邮箱:site.kefu@qq.com。
相关推荐
日本山武指示调节器SDC40A使用说明书:[18]
阅读量:144
日本山武指示调节器SDC40A使用说明书:[15]
阅读量:150
使用说明书封面怎么做
阅读量:107
使用说明书wf2651使用指南
阅读量:99
日本山武指示调节器SDC40A使用说明书:[10]
阅读量:100
猜你喜欢
怎么辨别耐克鞋真假
可乐鸡翅怎么烧最好吃
糖蒜的腌制方法家常
煎中药的正确方法
怎么翻译网页
上古卷轴5代码怎么用
猫图片大全可爱
平板电脑怎么刷机
怎么才能不怀孕
怎么画眉
猜你喜欢
怎么查路由器密码
降血压方法
红包数字代表的意思大全
免费影视大全
咸鸭蛋的腌制方法
体癣最好的治疗方法
ie怎么卸载
米兰花的养殖方法
手动档车正确起步方法
身份证号大全