指南生活
首页
美食营养
手工爱好
生活家居
返回
指南生活
首页
美食营养
游戏数码
手工爱好
生活家居
健康养生
运动户外
职场理财
情感交际
母婴教育
时尚美容
知识问答
生活知识
搜索
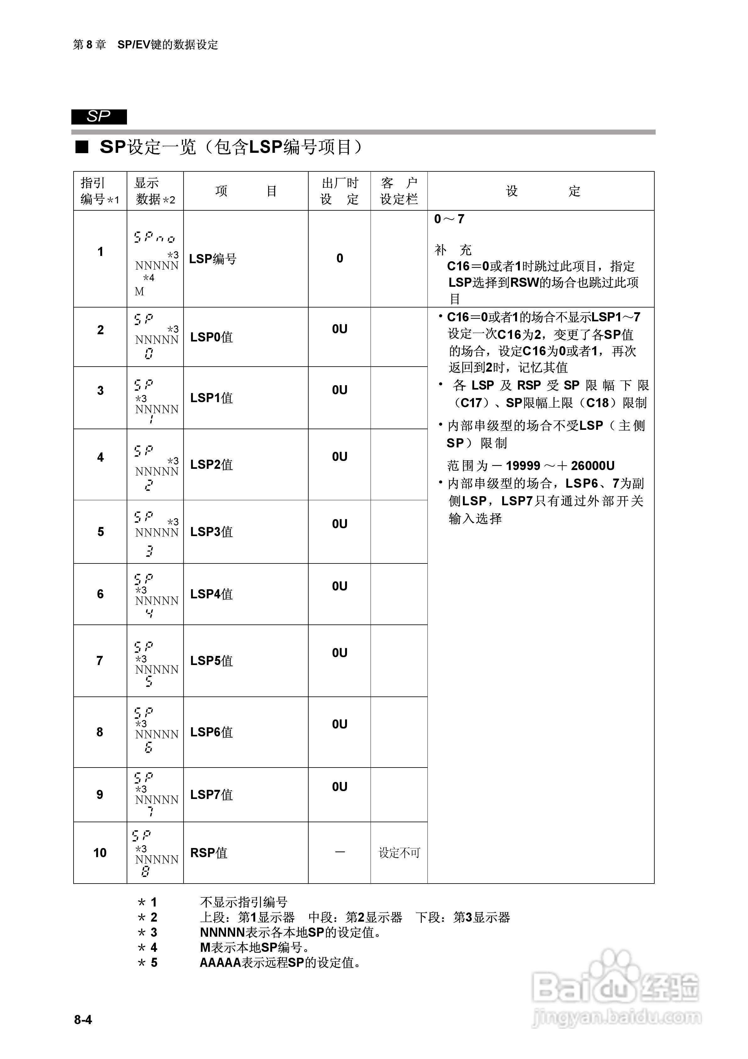
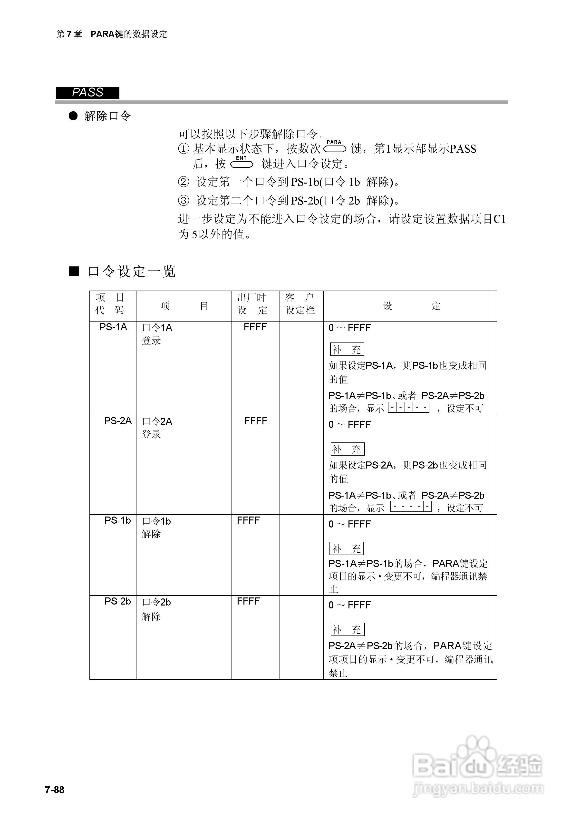
日本山武指示调节器SDC40A使用说明书:[15]
2026-01-01 14:28:22
本篇为《日本山武指示调节器SDC40A使用说明书》,主要介绍该产品的使用方法以及常见故障解决方案。
(共篇)
上一篇:
|
下一篇:
声明:
本网站引用、摘录或转载内容仅供网站访问者交流或参考,不代表本站立场,如存在版权或非法内容,请联系站长删除,联系邮箱:site.kefu@qq.com。
相关推荐
日本山武指示调节器SDC40A使用说明书:[18]
阅读量:86
使用说明书封面怎么做
阅读量:144
使用说明书wf2651使用指南
阅读量:149
日本山武指示调节器SDC40A使用说明书:[8]
阅读量:135
日本山武指示调节器SDC40A使用说明书:[10]
阅读量:176
猜你喜欢
10月29日是什么星座
什么是有机奶粉
尿常规能检查出什么
陈述句是什么意思
什么是特岗教师
本科是什么意思
悟性是什么意思
亚麻带日语什么意思
automatic是什么意思
苗族的传统节日是什么
猜你喜欢
禀赋是什么意思
west是什么意思
蹂躏是什么意思
爱的魔力转圈圈什么歌
直女是什么意思
aj是什么意思
五颜六色的近义词是什么
412是什么意思
三者险是什么意思
开盲盒是什么意思