指南生活
首页
美食营养
手工爱好
生活家居
返回
指南生活
首页
美食营养
游戏数码
手工爱好
生活家居
健康养生
运动户外
职场理财
情感交际
母婴教育
时尚美容
搜索
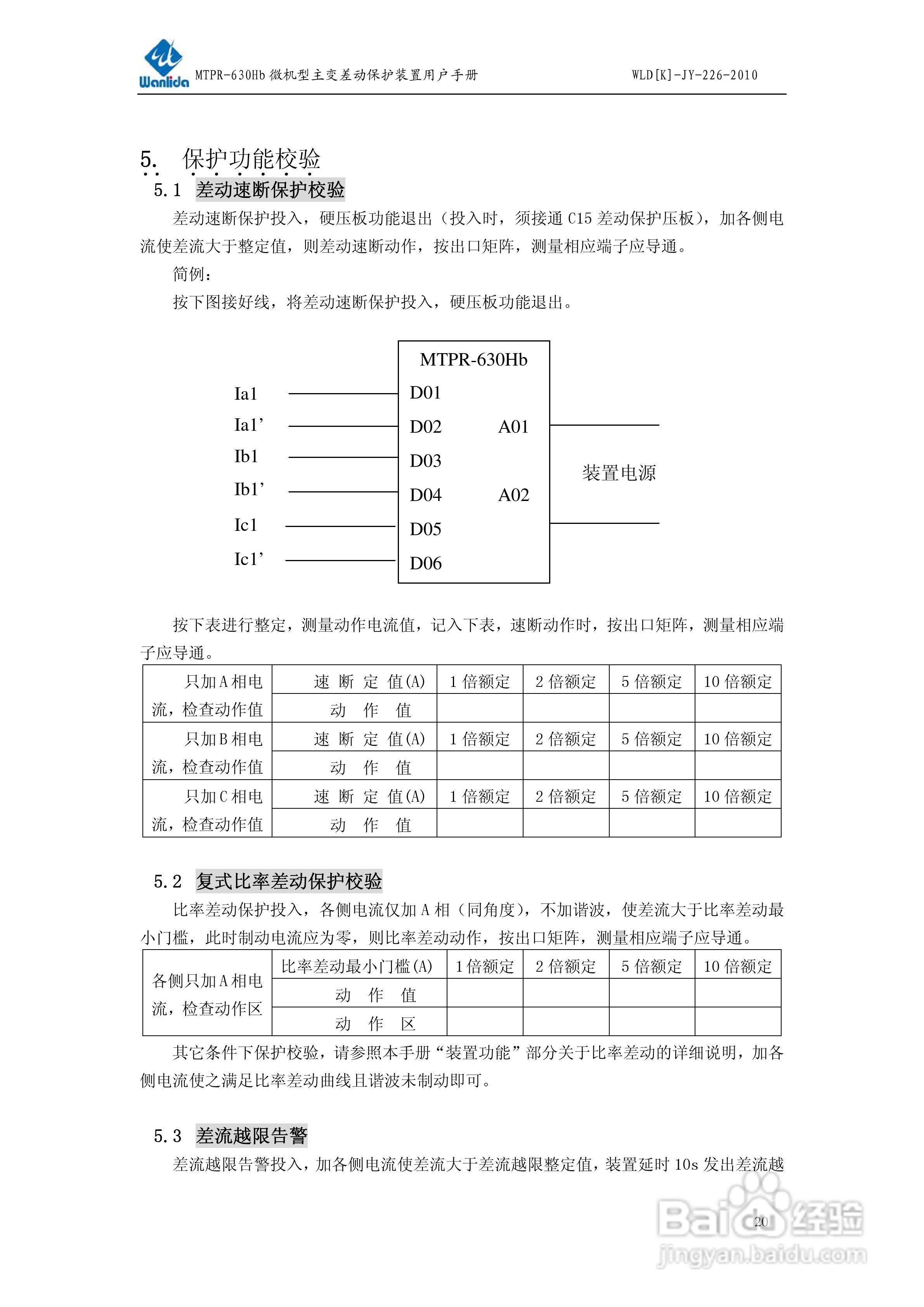
MTPR-630Hb微机型变压器差动保护装置用户手册:[3]
2025-10-20 23:04:07
本篇为《MTPR-630Hb微机型变压器差动保护装置用户手册》,主要介绍该产品的使用方法以及常见故障解决方案。
(共篇)
上一篇:
声明:
本网站引用、摘录或转载内容仅供网站访问者交流或参考,不代表本站立场,如存在版权或非法内容,请联系站长删除,联系邮箱:site.kefu@qq.com。
相关推荐
MTPR-630Hb微机型变压器差动保护装置用户手册:[1]
阅读量:119
MTPR-630Hb微机型变压器差动保护装置用户手册:[2]
阅读量:36
MLPR-610Hb微机型线路保护测控装置用户手册:[4]
阅读量:169
MLPR-610Hb微机型线路保护测控装置用户手册:[3]
阅读量:141
MLPR-610Hb微机型线路保护测控装置用户手册:[1]
阅读量:105
猜你喜欢
park是什么意思
2月7日是什么星座
融资租赁是什么意思
想你爱你留不住你是什么歌
梦见去世的亲人是什么意思
两面三刀什么意思
公费师范生是什么意思啊
考二建需要什么条件
拉皮条什么意思
苹果公开版什么意思
猜你喜欢
天然气是什么
缱绻是什么意思
11月12日是什么星座
辛德瑞拉什么意思
跑马是什么意思
假如时光倒流我能做什么是什么歌
工勤人员是什么意思
12319是什么电话
three是什么意思
sku是什么意思