指南生活
首页
美食营养
手工爱好
生活家居
返回
指南生活
首页
美食营养
游戏数码
手工爱好
生活家居
健康养生
运动户外
职场理财
情感交际
母婴教育
时尚美容
知识问答
生活知识
搜索
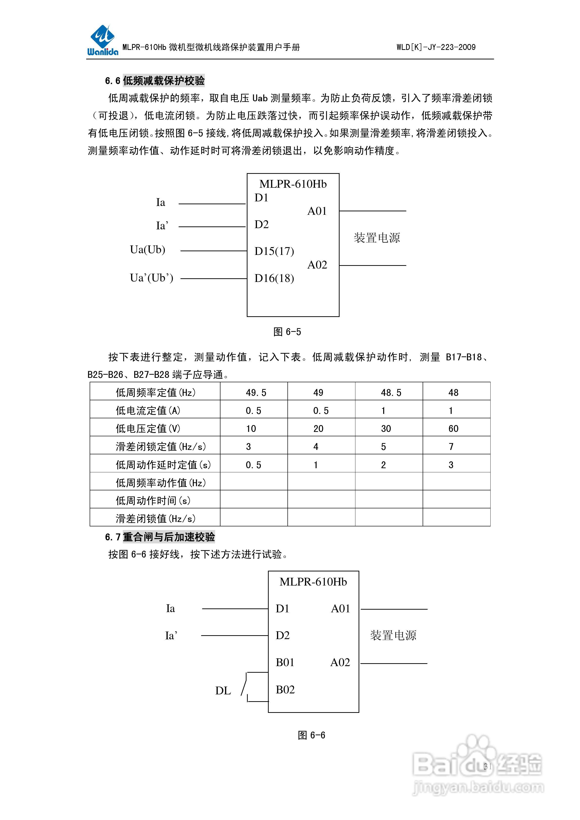
MLPR-610Hb微机型线路保护测控装置用户手册:[4]
2025-11-27 23:53:58
本篇为《MLPR-610Hb微机型线路保护测控装置用户手册》,主要介绍该产品的使用方法以及常见故障解决方案。
(共篇)
上一篇:
声明:
本网站引用、摘录或转载内容仅供网站访问者交流或参考,不代表本站立场,如存在版权或非法内容,请联系站长删除,联系邮箱:site.kefu@qq.com。
相关推荐
MLPR-610Hb微机型线路保护测控装置用户手册:[3]
阅读量:157
微机继电保护测试仪软件操作方法
阅读量:157
MLPR-610Hb微机型线路保护测控装置用户手册:[2]
阅读量:164
MGPR-620Hb微机型发电机后备保护测控装置用户手册:[4]
阅读量:186
MCPR-610Hb微机型电容器保护测控装置用户手册:[2]
阅读量:128
猜你喜欢
挂单是什么意思
马冬梅什么意思
填缝剂什么牌子好
怒不可遏是什么意思
马云马化腾什么关系
姊妹的意思
股份制企业是什么意思
裤裙搭配什么上衣
直男是什么意思简单点
什么牌子的音箱好
猜你喜欢
有什么网页游戏好玩
梦见大水是什么意思
两面三刀的意思
壁纸什么材质的好
捉妖记2什么时候上映
无限火力什么时候再开
独特的意思
股市黑天鹅是什么意思
教师节 送什么花
什么石头有收藏价值