指南生活
首页
美食营养
手工爱好
生活家居
返回
指南生活
首页
美食营养
游戏数码
手工爱好
生活家居
健康养生
运动户外
职场理财
情感交际
母婴教育
时尚美容
知识问答
生活知识
生活百科
搜索
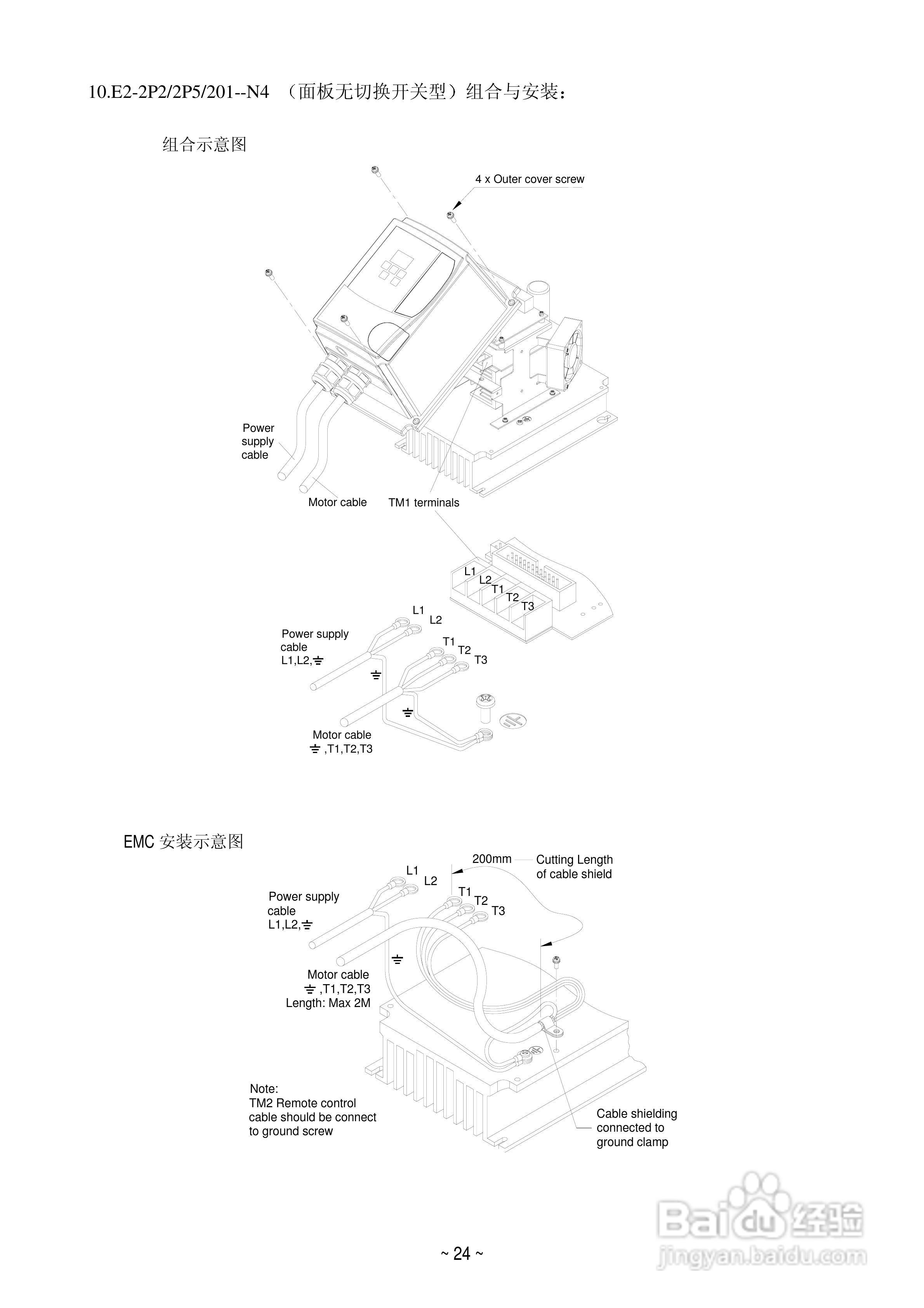
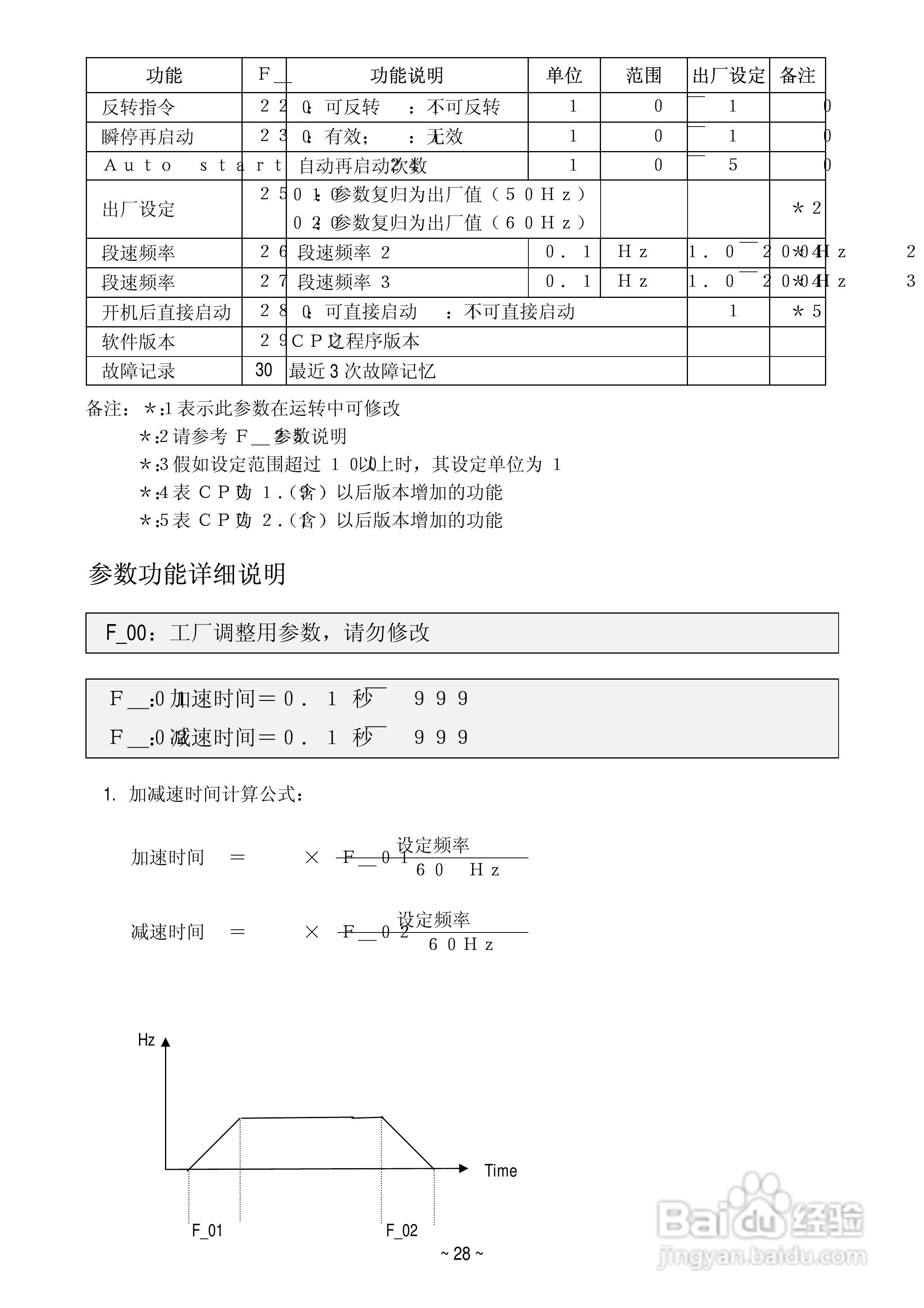
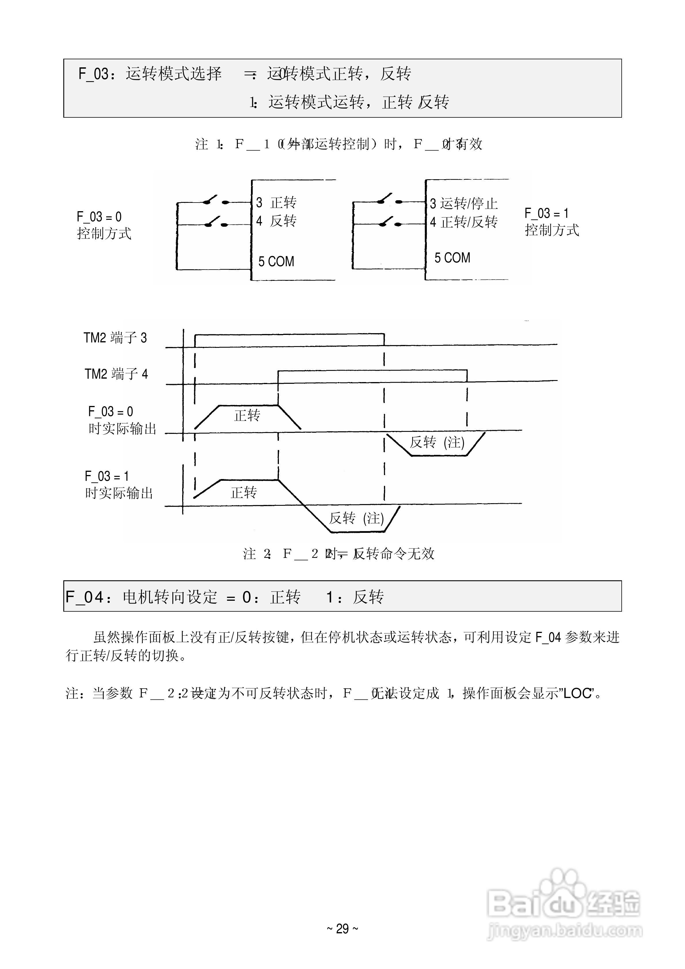
台达T-VERTER变频器使用说明书:[3]
2026-03-24 20:56:21
本篇为《台达T-VERTER变频器使用说明书》,主要介绍该产品的使用方法以及常见故障解决方案。
(共篇)
上一篇:
|
下一篇:
声明:
本网站引用、摘录或转载内容仅供网站访问者交流或参考,不代表本站立场,如存在版权或非法内容,请联系站长删除,联系邮箱:site.kefu@qq.com。
相关推荐
台达T-VERTER变频器使用说明书:[4]
阅读量:37
台安T-VERTER V2-460-H3变频器使用手册:[10]
阅读量:143
四方M320-4T0900塑料专用变频器使用说明书:[3]
阅读量:134
变频器调试接线教程
阅读量:159
变频器控制线路接线方法
阅读量:47
猜你喜欢
香葱的种植方法
提出用英语怎么说
小孩湿疹最佳治疗方法
小学数学公式大全
苦菊怎么做好吃
女人痛经怎么办
杏鲍菇的家常做法
男生瘦脸的最快方法
国内怎么上youtube
酸辣白菜的腌制方法
猜你喜欢
毛衣编织起针方法
酱牛肉怎么做好吃
波斯菊的种植方法
电子表格求和方法
公式大全
市场营销专业怎么样
南瓜怎么做好吃又简单
菜谱家常菜做法大全
得了高血压怎么办
家常菜谱大全