指南生活
首页
美食营养
手工爱好
生活家居
返回
指南生活
首页
美食营养
游戏数码
手工爱好
生活家居
健康养生
运动户外
职场理财
情感交际
母婴教育
时尚美容
知识问答
生活知识
生活百科
搜索
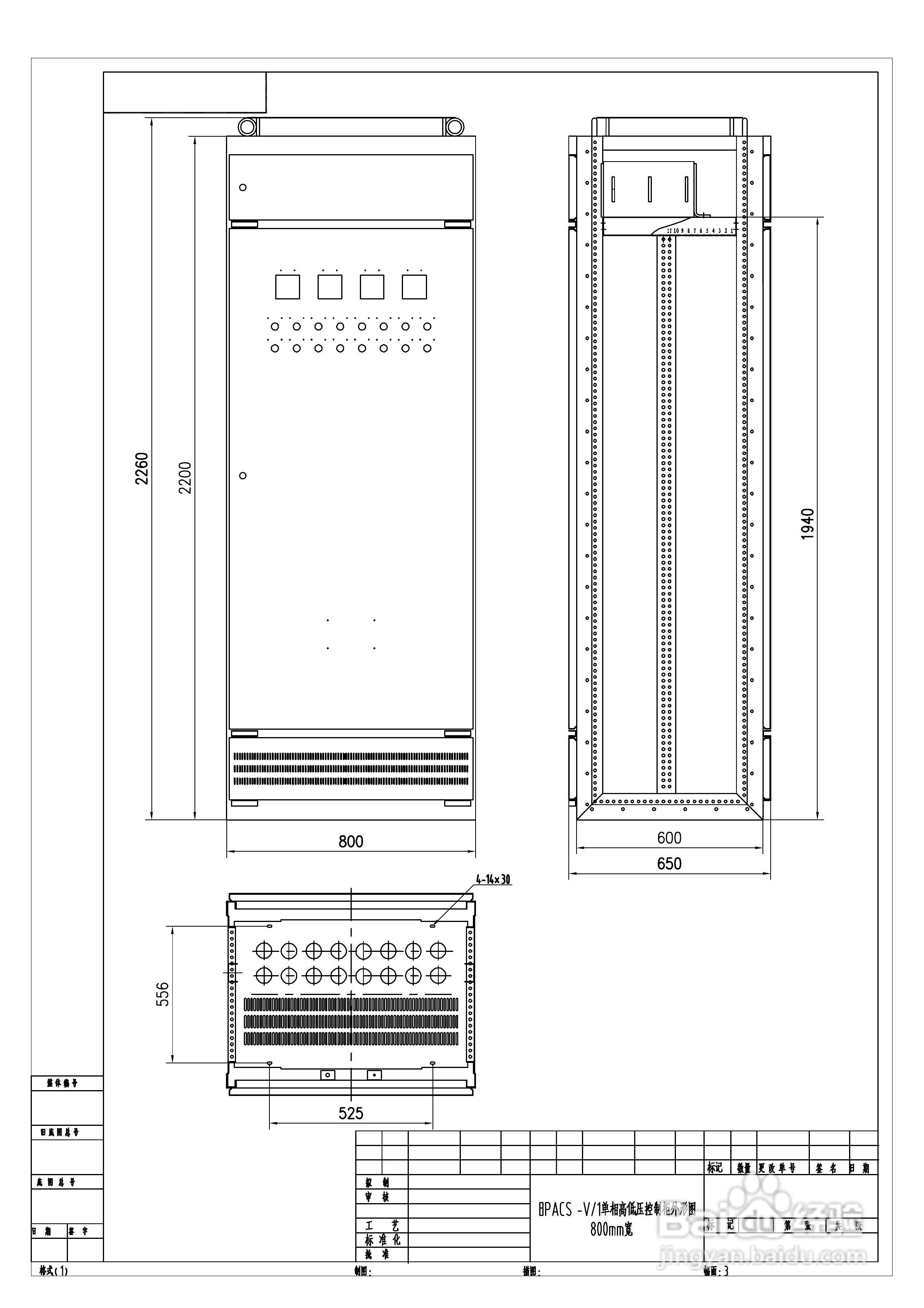
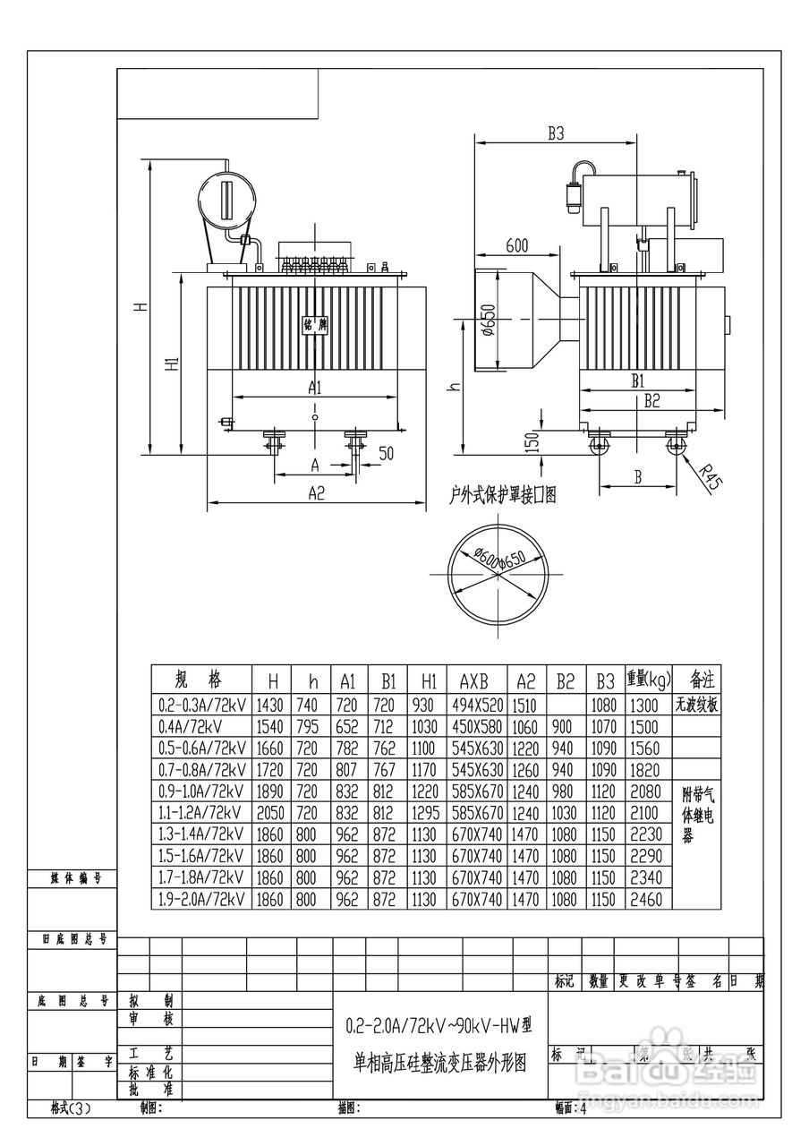
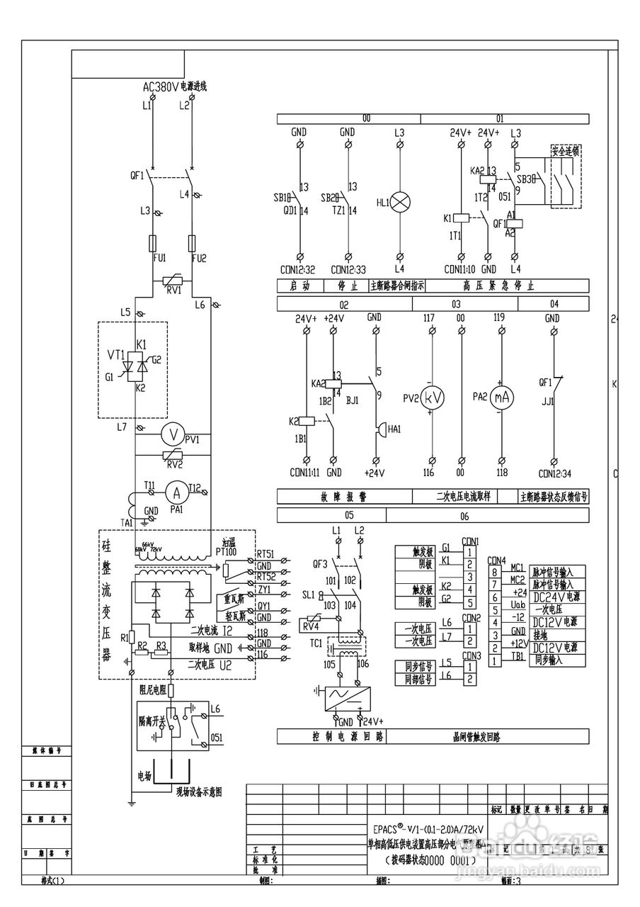
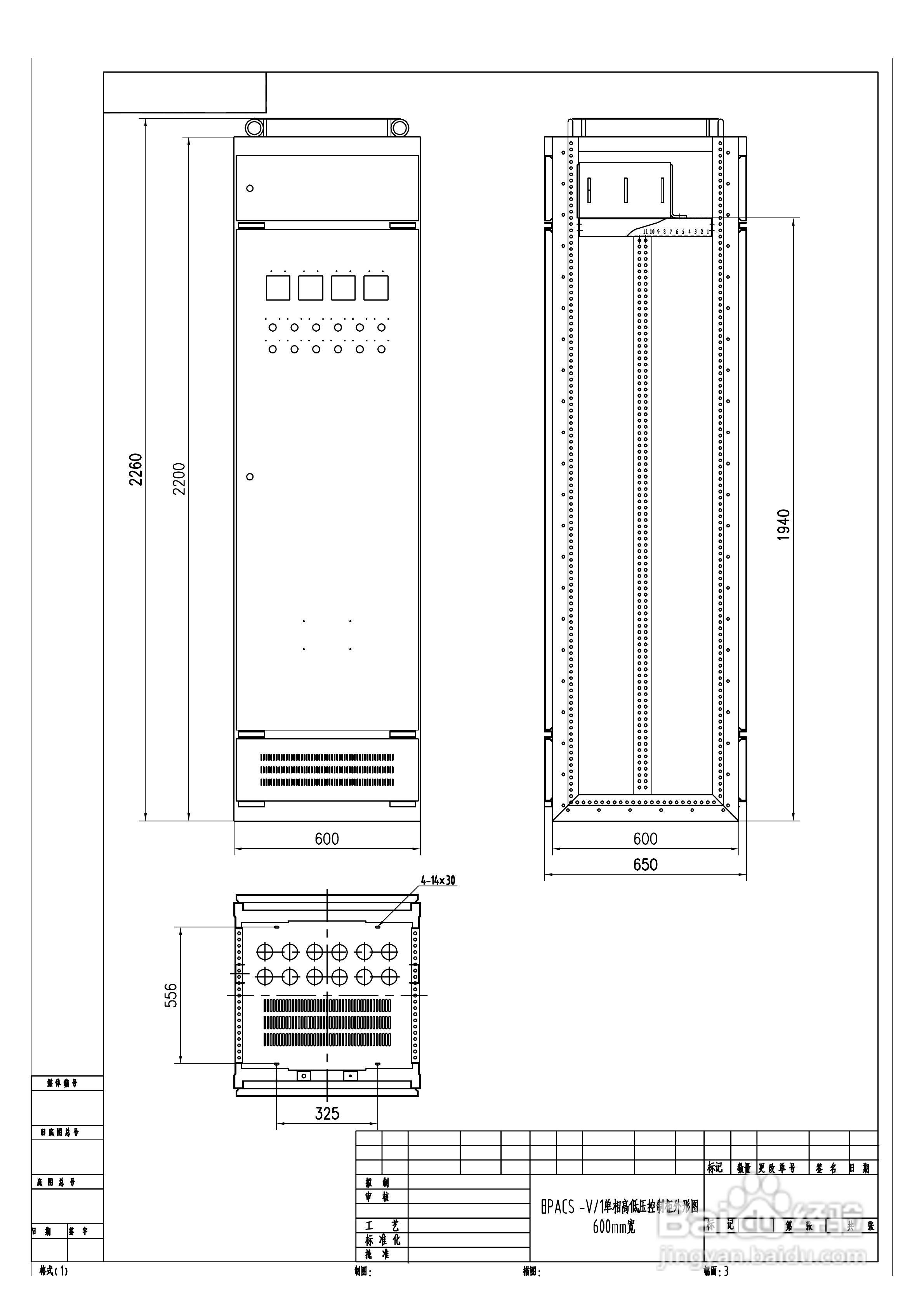
德维PACS-V/1电除尘用单相高低压供电装置/全电场智能:[3]
2026-03-26 16:09:41
本篇为《德维PACS-V/1电除尘用单相高低压供电装置/全电场智能》,主要介绍该产品的使用方法以及常见故障解决方案。
(共篇)
上一篇:
|
下一篇:
声明:
本网站引用、摘录或转载内容仅供网站访问者交流或参考,不代表本站立场,如存在版权或非法内容,请联系站长删除,联系邮箱:site.kefu@qq.com。
相关推荐
眼科PACS影像管理系统包含哪些流程?
阅读量:71
静电除尘器的结构组成说明
阅读量:155
除尘器的常识
阅读量:143
蔡司视野连接眼科PACS说明
阅读量:68
工业除尘方法解读
阅读量:149
猜你喜欢
白萝卜丸子的家常做法
亿健跑步机怎么样
水培风信子的养殖方法
盗汗是怎么回事
毕业自我鉴定怎么写
电脑打不出汉字怎么办
角膜炎治疗方法
粉蒸排骨的家常做法
传染性软疣怎么治
老板欠工资不给怎么办
猜你喜欢
这个符号怎么打
油焖尖椒的家常做法
治脚臭最有效的方法
怎么把照片内存变小
蒸馒头的方法
家常红烧鱼
鸭肠怎么做好吃
银行卡不用了怎么办
怎么做好ppt
金鱼的饲养方法