指南生活
首页
美食营养
手工爱好
生活家居
返回
指南生活
首页
美食营养
游戏数码
手工爱好
生活家居
健康养生
运动户外
职场理财
情感交际
母婴教育
时尚美容
知识问答
生活知识
生活百科
搜索
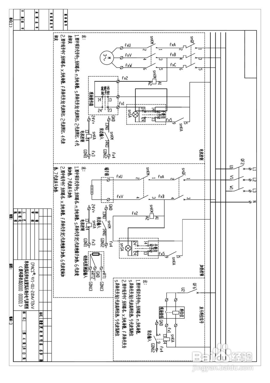
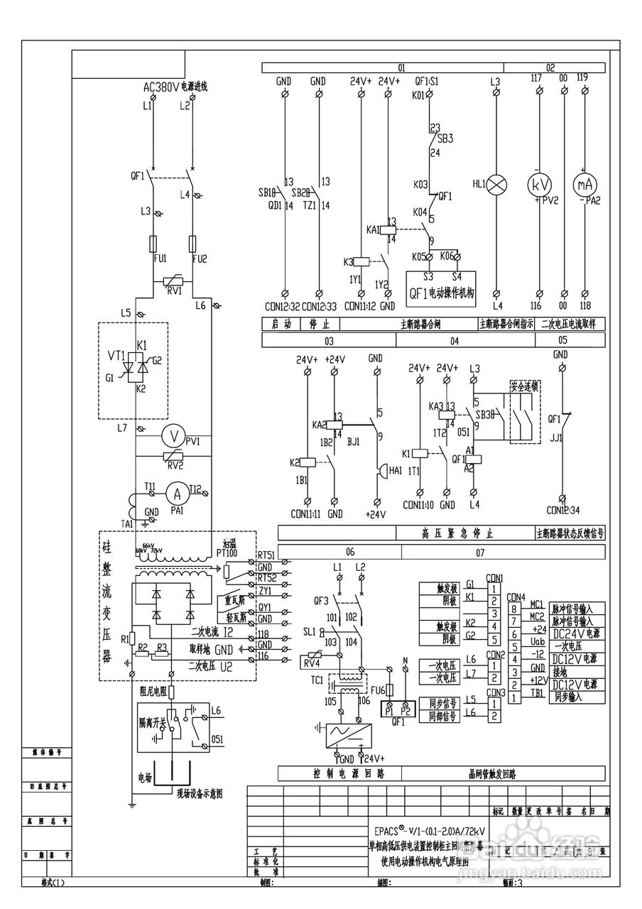
德维PACS-V/1电除尘用单相高低压供电装置/全电场智能:[4]
2026-04-25 19:12:49
本篇为《德维PACS-V/1电除尘用单相高低压供电装置/全电场智能》,主要介绍该产品的使用方法以及常见故障解决方案。
(共篇)
上一篇:
声明:
本网站引用、摘录或转载内容仅供网站访问者交流或参考,不代表本站立场,如存在版权或非法内容,请联系站长删除,联系邮箱:site.kefu@qq.com。
相关推荐
全院云PACS系统功能模块
阅读量:98
眼科PACS影像管理系统包含哪些流程?
阅读量:138
蔡司视野连接眼科PACS说明
阅读量:112
除尘器的常识
阅读量:195
工业除尘方法解读
阅读量:132
猜你喜欢
舒展的近义词是什么
铭是什么意思
用什么洗脸最好
妒忌是什么意思
snowy是什么意思中文
什么音响好
送妈妈什么礼物好
维生素b12片
除权除息日是什么意思
豆豉是什么
猜你喜欢
优格是什么
sneaker是什么意思
小学生运动会通讯稿
得房率是什么意思
发财树的养殖方法和注意事项
nc粉是什么意思
浮屠是什么意思
妙不可言是什么意思
什么是烂尾楼
苹果6什么时候上市