指南生活
首页
美食营养
手工爱好
生活家居
返回
指南生活
首页
美食营养
游戏数码
手工爱好
生活家居
健康养生
运动户外
职场理财
情感交际
母婴教育
时尚美容
知识问答
生活知识
生活百科
搜索
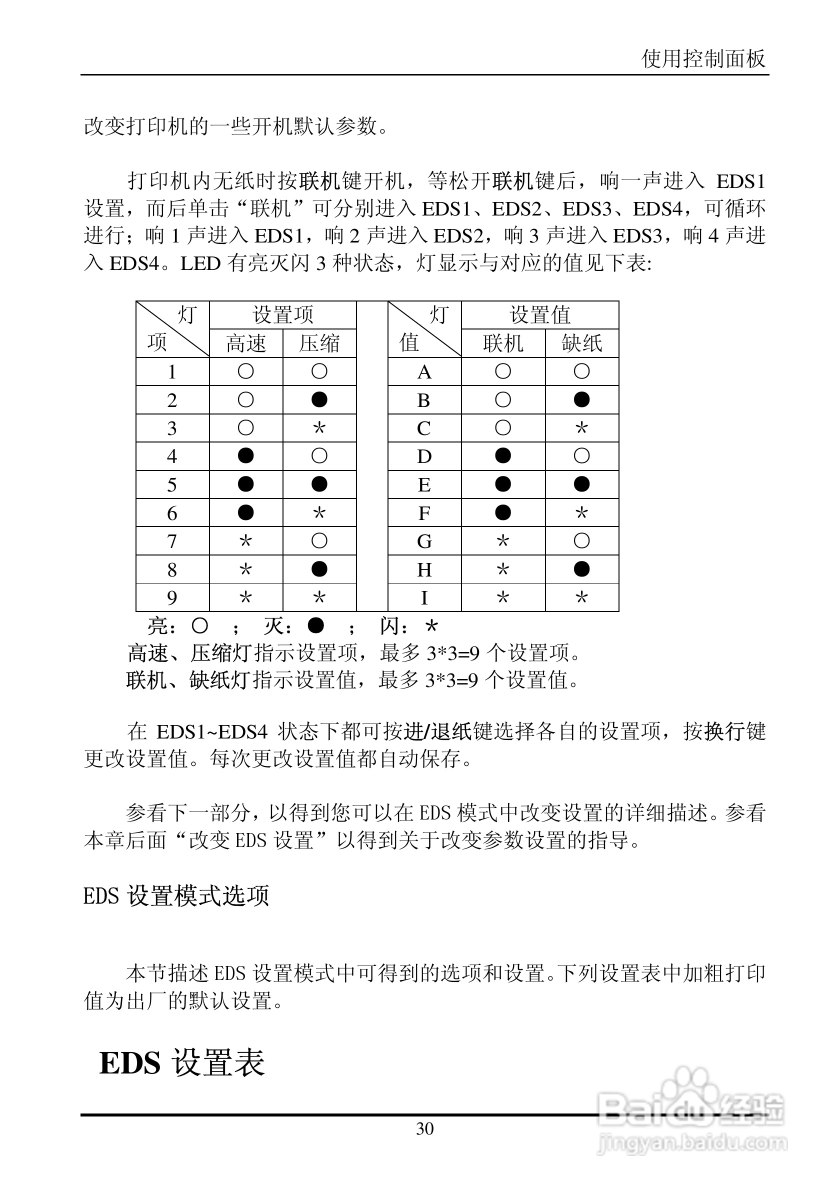
实达BP-660K打印机使用说明书:[4]
2026-04-25 11:01:19
本篇为《实达BP-660K打印机使用说明书》,主要介绍该产品的使用方法以及常见故障解决方案。
(共篇)
上一篇:
|
下一篇:
声明:
本网站引用、摘录或转载内容仅供网站访问者交流或参考,不代表本站立场,如存在版权或非法内容,请联系站长删除,联系邮箱:site.kefu@qq.com。
相关推荐
实达BP-650K打印机使用说明书:[4]
阅读量:88
实达BP-1650K打印机使用手册:[4]
阅读量:49
实达票据打印机BP-650KII使用手册:[4]
阅读量:89
实达BP-650K打印机使用说明书:[6]
阅读量:138
实达BP-650K打印机使用说明书:[3]
阅读量:148
猜你喜欢
卡其色短裤配什么颜色上衣
什么是阴阳人
党的最高纲领是什么
122是什么电话号码
兔死狐悲是什么意思
82年属什么生肖
义无反顾什么意思
赴汤蹈火的汤是什么意思
reserved是什么意思
whatsapp是什么
猜你喜欢
basic是什么意思
手足口病用什么药
负荆请罪是什么意思
什么风细雨
嘴唇干裂什么原因
butter是什么意思
什么是翻新机
大保健什么意思
什么是惊厥
红糖水什么时候喝最好