指南生活
首页
美食营养
手工爱好
生活家居
返回
指南生活
首页
美食营养
游戏数码
手工爱好
生活家居
健康养生
运动户外
职场理财
情感交际
母婴教育
时尚美容
知识问答
生活知识
搜索
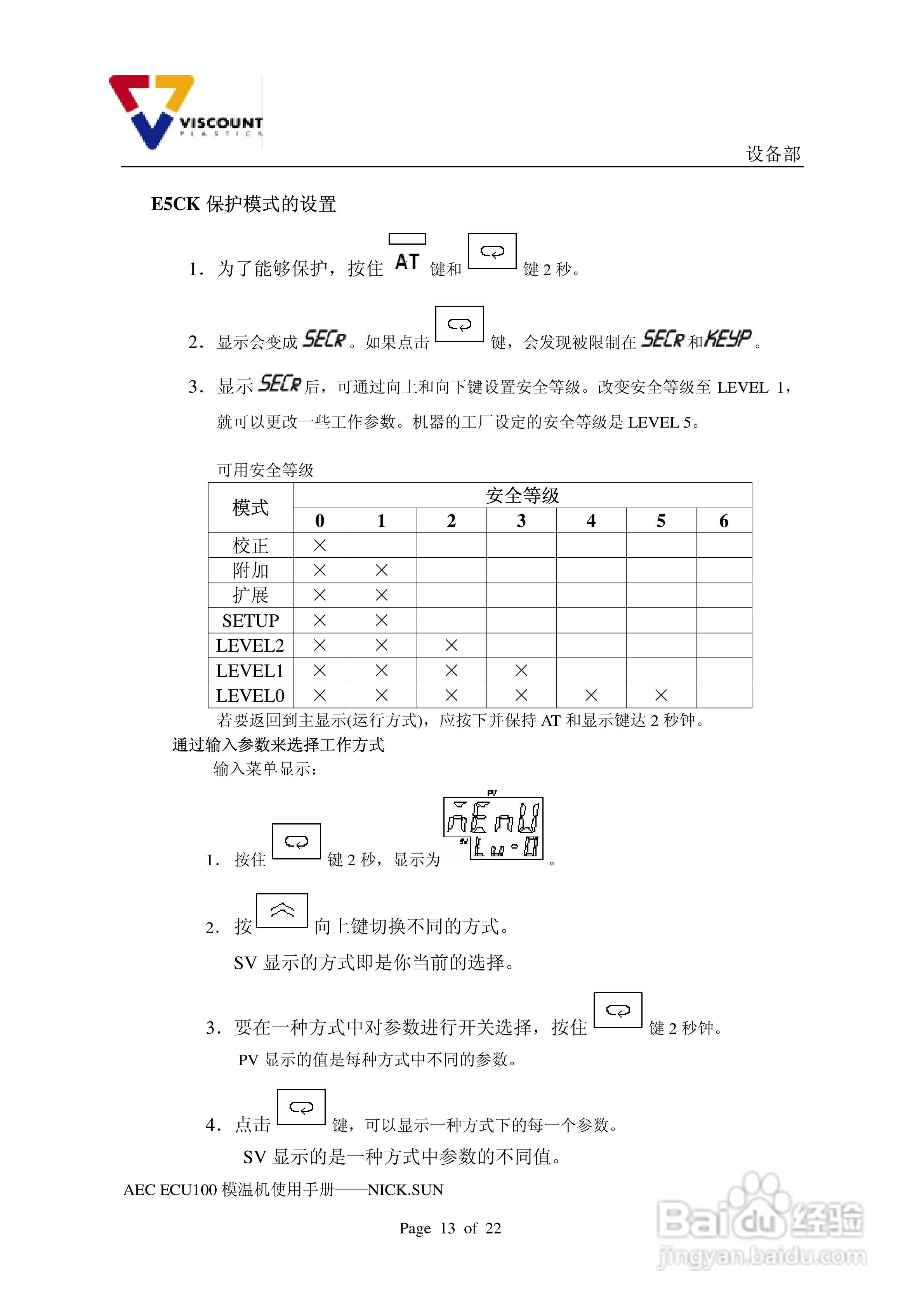
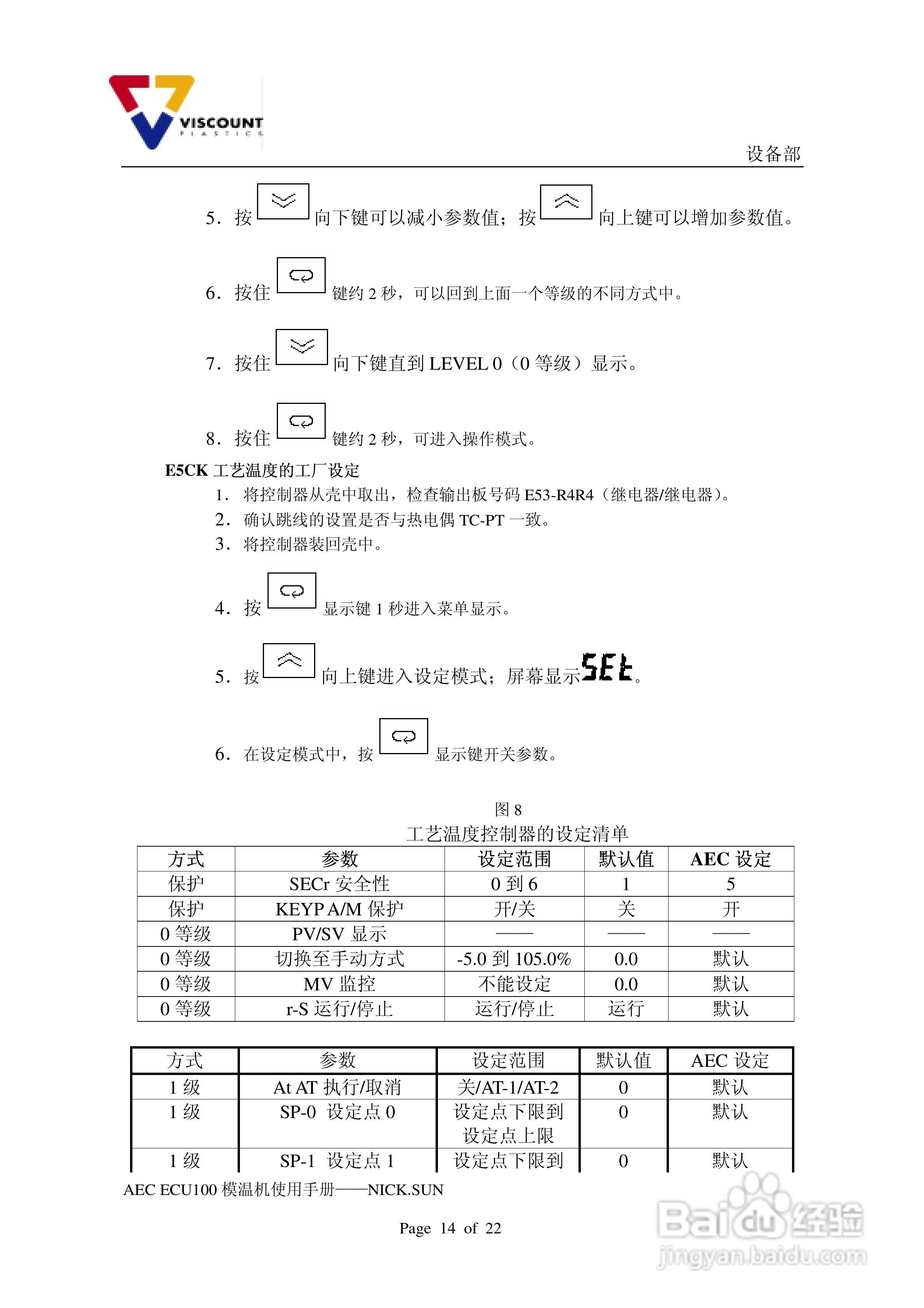
AEC模温机使用手册:[2]
2025-12-20 06:33:46
本篇为《AEC模温机使用手册》,主要介绍该产品的使用方法以及常见故障解决方案。
(共篇)
上一篇:
声明:
本网站引用、摘录或转载内容仅供网站访问者交流或参考,不代表本站立场,如存在版权或非法内容,请联系站长删除,联系邮箱:site.kefu@qq.com。
相关推荐
营养早餐~橙香鸡蛋羹
阅读量:48
浮戏山雪花洞旅游攻略
阅读量:131
婆媳关系相处要坚持哪些原则?婆媳相处篇
阅读量:26
铅笔绘制纪念品
阅读量:128
怎样做运动帽指甲?
阅读量:177
猜你喜欢
什么牌子的奶粉最好
眼睛疲劳用什么眼药水
什么钱最值钱
布尔什维克是什么意思
五脊六兽什么意思
胡椒粉是什么
开网店卖什么好
辣条是什么做的
什么是植物神经紊乱
永日念什么
猜你喜欢
反右运动
扎西德勒什么意思
运动员进行曲简谱
delay是什么意思
护垫是什么
不负韶华上一句是什么
正襟危坐是什么意思
白内障是什么症状
bee是什么意思
黑色婚纱代表什么