指南生活
首页
美食营养
手工爱好
生活家居
返回
指南生活
首页
美食营养
游戏数码
手工爱好
生活家居
健康养生
运动户外
职场理财
情感交际
母婴教育
时尚美容
搜索
正泰NZB6114微机线路保护测控装置使用说明书:[2]
2025-10-22 13:08:29
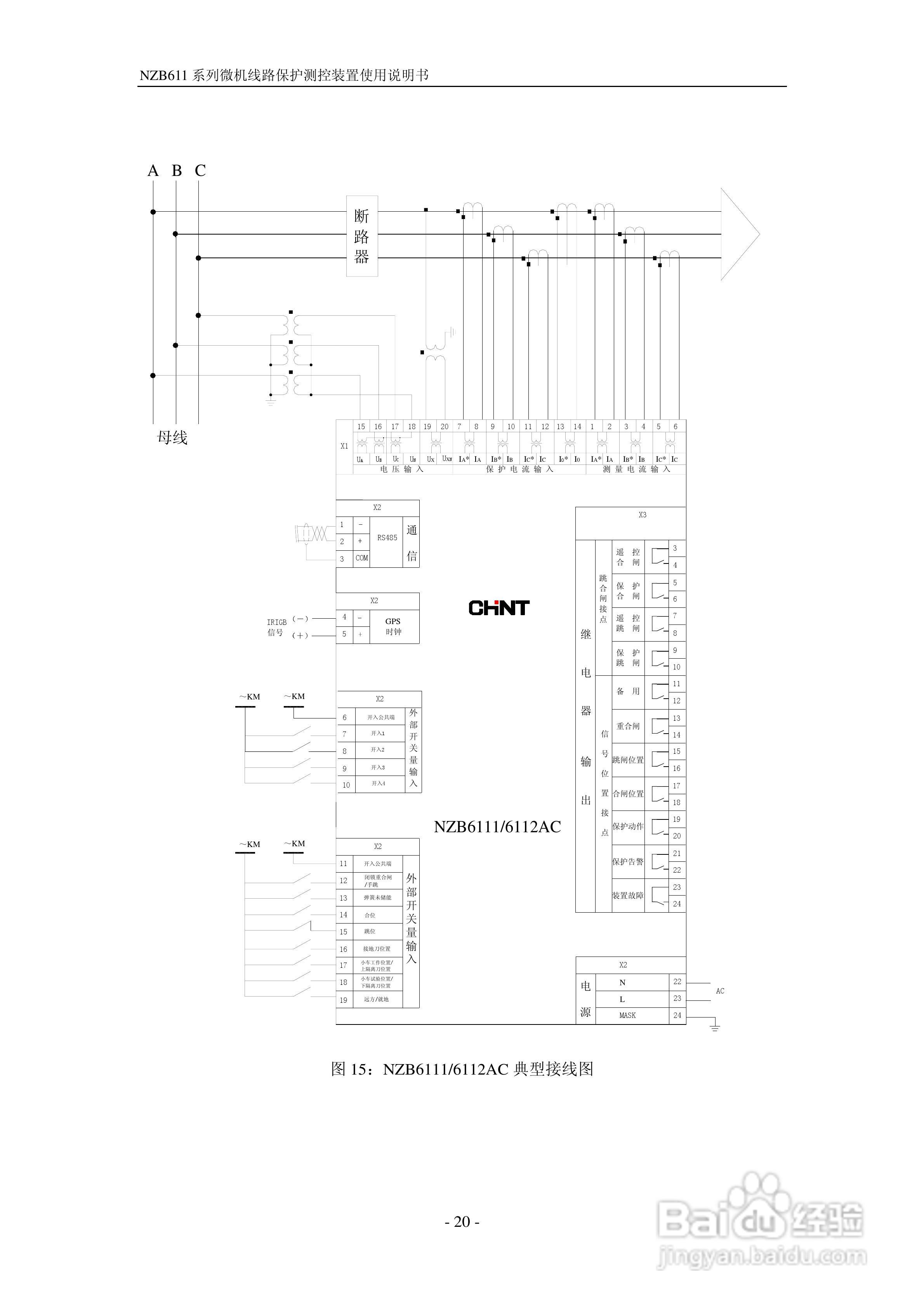
本篇为《正泰NZB6114微机线路保护测控装置使用说明书》,主要介绍该产品的使用方法以及常见故障解决方案。
(共篇)
上一篇:
|
下一篇:
声明:
本网站引用、摘录或转载内容仅供网站访问者交流或参考,不代表本站立场,如存在版权或非法内容,请联系站长删除,联系邮箱:site.kefu@qq.com。
相关推荐
正泰NZB6114微机线路保护测控装置使用说明书:[4]
阅读量:150
正泰NZB6114微机线路保护测控装置使用说明书:[3]
阅读量:26
正泰NZB6184微机变压器保护测控装置使用说明书:[6]
阅读量:91
NZB610系列微机测控装置使用说明书:[2]
阅读量:190
NZB610系列微机测控装置使用说明书:[1]
阅读量:44
猜你喜欢
period是什么意思
呈现的意思
生辰八字是什么意思
guide是什么意思
effort是什么意思
pumpkin是什么意思
络绎不绝的绝是什么意思
island是什么意思
微博会员有什么特权
什么是预报名
猜你喜欢
feature是什么意思
qq农场点券有什么用
生日祝福语搞笑
纯洁的意思
下线车什么意思
白平衡是什么意思
除权是什么意思
为中华之崛起而读书的意思
suit是什么意思
附近人的软件都有什么