指南生活
首页
美食营养
手工爱好
生活家居
返回
指南生活
首页
美食营养
游戏数码
手工爱好
生活家居
健康养生
运动户外
职场理财
情感交际
母婴教育
时尚美容
知识问答
生活知识
生活百科
搜索
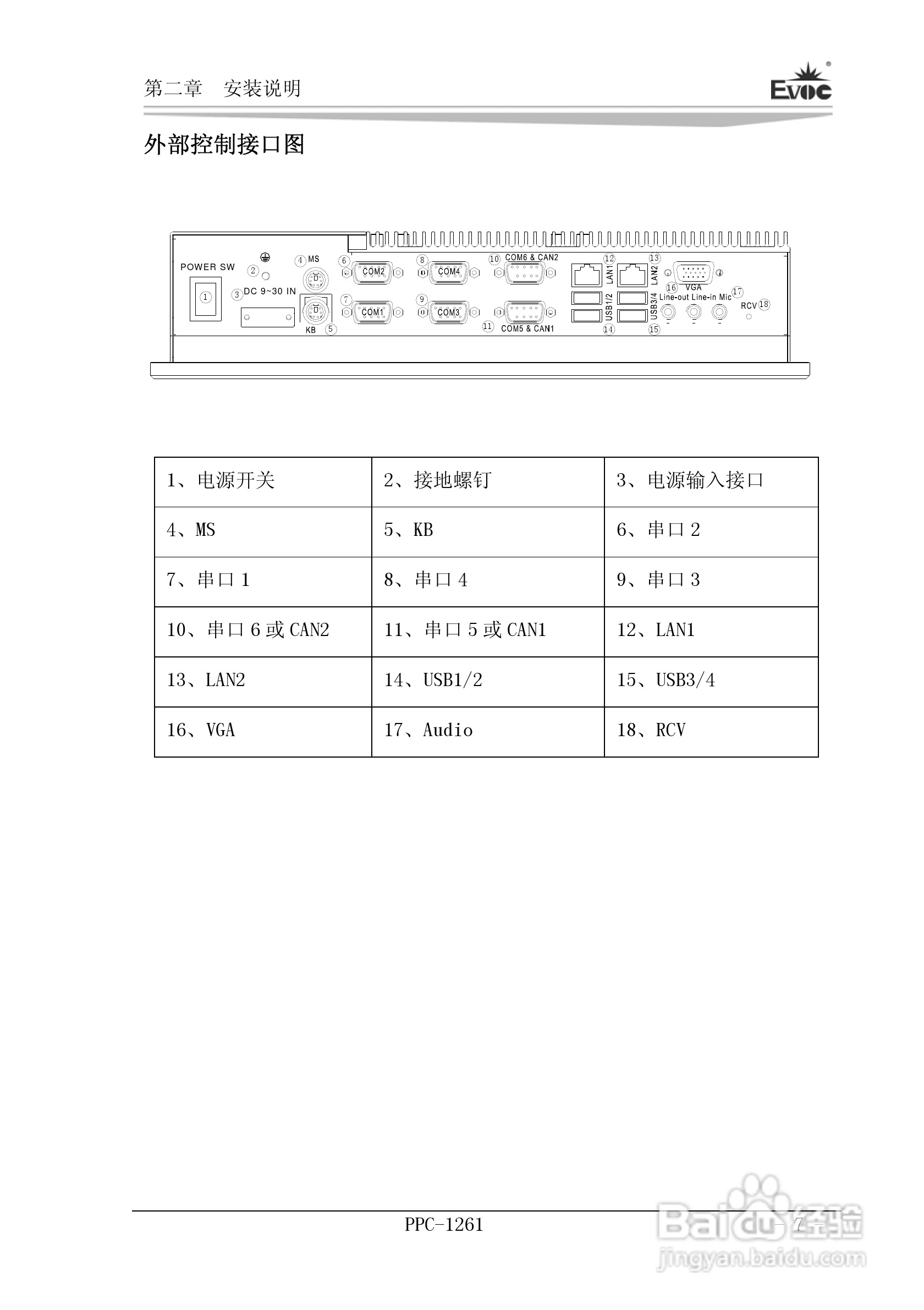
研祥PPC-1261工业平板电脑说明书:[2]
2026-04-26 14:18:19
本篇为《研祥PPC-1261工业平板电脑说明书》,主要介绍该产品的使用方法以及常见故障解决方案。
(共篇)
上一篇:
|
下一篇:
声明:
本网站引用、摘录或转载内容仅供网站访问者交流或参考,不代表本站立场,如存在版权或非法内容,请联系站长删除,联系邮箱:site.kefu@qq.com。
相关推荐
研祥PPC-1261工业平板电脑说明书:[3]
阅读量:84
研祥PPC-1005工业平板电脑说明书:[2]
阅读量:114
研祥PPC-1005工业平板电脑说明书:[3]
阅读量:109
研祥PPC-1561工业平板电脑说明书:[4]
阅读量:175
研祥PPC-1561工业平板电脑说明书:[1]
阅读量:176
猜你喜欢
怎么扩大c盘空间
扬州大学怎么样
微信电脑版怎么下载
皇派门窗怎么样
在家怎么做蛋糕
去八达岭长城怎么坐车
手麻脚麻是怎么回事
七老护肤品怎么样
红米手机怎么截屏
方括号怎么打
猜你喜欢
过渡句怎么写
微信怎么发红包给好友
胃嗳气是怎么回事
人怎么交配
长痔疮怎么办
孩子不想上学怎么办
怎么去掉旧伤疤
孩子不吃饭怎么办
角质层薄怎么修复
社保卡怎么查询余额