指南生活
首页
美食营养
手工爱好
生活家居
返回
指南生活
首页
美食营养
游戏数码
手工爱好
生活家居
健康养生
运动户外
职场理财
情感交际
母婴教育
时尚美容
知识问答
生活知识
搜索
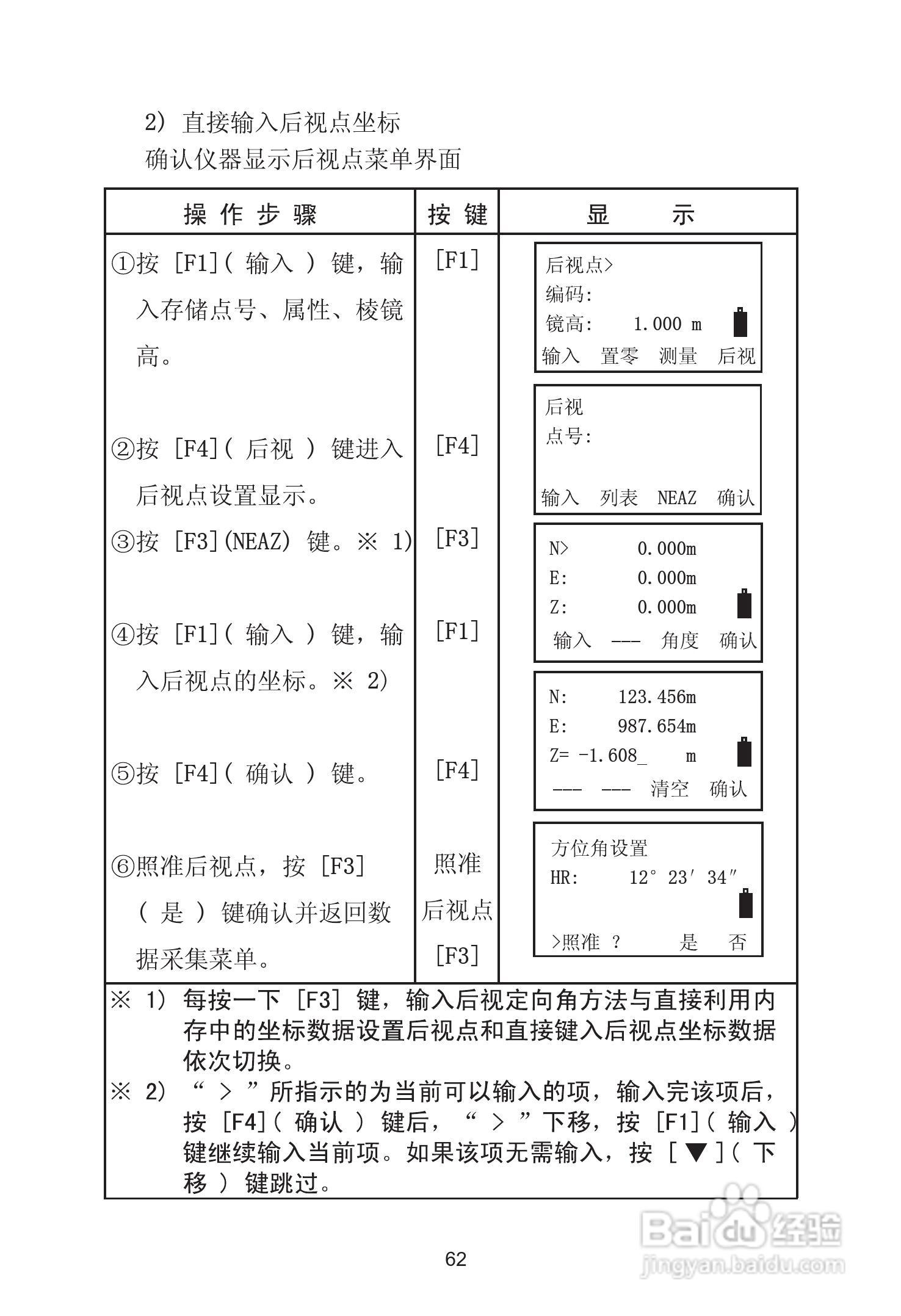
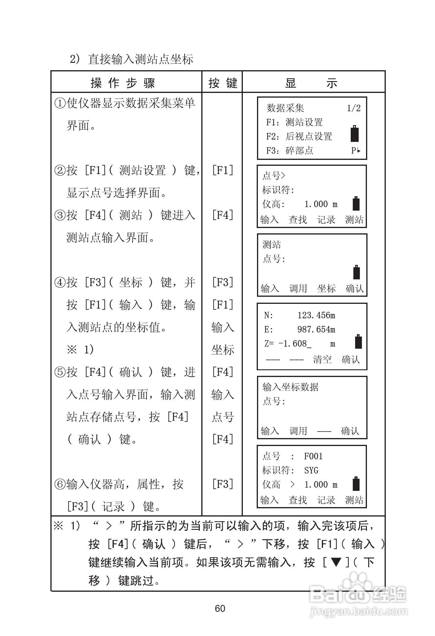
苏州一光RTS115L全站仪使用说明书:[8]
2026-03-07 23:01:15
本篇为《苏州一光RTS115L全站仪使用说明书》,主要介绍该产品的使用方法以及常见故障解决方案。
(共篇)
上一篇:
|
下一篇:
声明:
本网站引用、摘录或转载内容仅供网站访问者交流或参考,不代表本站立场,如存在版权或非法内容,请联系站长删除,联系邮箱:site.kefu@qq.com。
相关推荐
苏州一光RTS115L全站仪使用说明书:[10]
阅读量:158
苏州一光RTS115L全站仪使用说明书:[12]
阅读量:111
苏州一光RTS315L全站仪使用说明书:[1]
阅读量:104
使用说明书wf2651使用指南
阅读量:196
使用说明书封面怎么做
阅读量:157
猜你喜欢
水疗会所有什么服务
负荆请罪是什么意思
以逸待劳是什么意思
墨守成规是什么意思
什么叫网络营销
教师节送老师什么比较好呢
display是什么意思
光阴似箭的意思
卫冕是什么意思
丰胸精油什么牌子好
猜你喜欢
dnf剑魔用什么武器
force是什么意思
shirt的意思
四大皆空是什么意思
education是什么意思
比较有文采的新婚祝福
请教的意思
什么叫约数
当特种兵有什么要求
烤箱什么牌子质量好