指南生活
首页
美食营养
手工爱好
生活家居
返回
指南生活
首页
美食营养
游戏数码
手工爱好
生活家居
健康养生
运动户外
职场理财
情感交际
母婴教育
时尚美容
知识问答
生活知识
生活百科
搜索
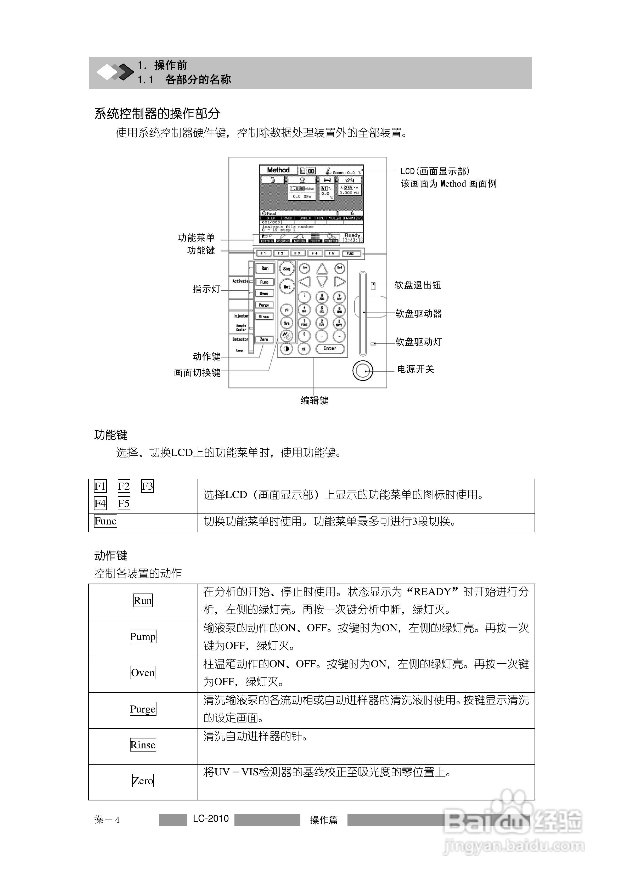
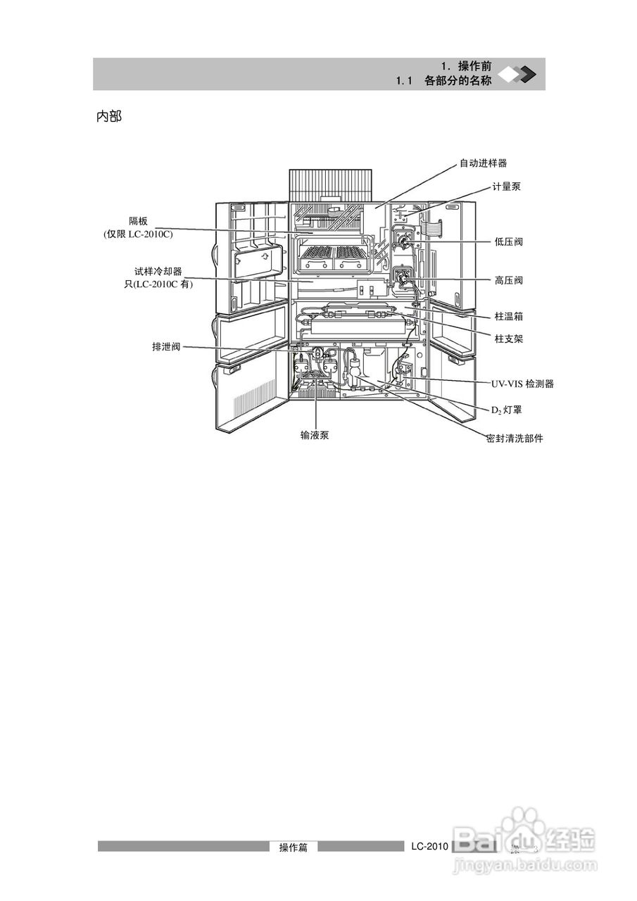
LC-2010C岛津高效液相色谱仪操作说明书:[4]
2026-03-29 13:00:19
本篇为《LC-2010C岛津高效液相色谱仪操作说明书》,主要介绍该产品的使用方法以及常见故障解决方案。
(共篇)
上一篇:
|
下一篇:
声明:
本网站引用、摘录或转载内容仅供网站访问者交流或参考,不代表本站立场,如存在版权或非法内容,请联系站长删除,联系邮箱:site.kefu@qq.com。
相关推荐
LC-2010A岛津高效液相色谱仪操作说明书:[4]
阅读量:91
LC-2010C岛津高效液相色谱仪操作说明书:[13]
阅读量:148
LC-2010A岛津高效液相色谱仪操作说明书:[1]
阅读量:141
LC-2010A岛津高效液相色谱仪操作说明书:[7]
阅读量:25
LC-2010A岛津高效液相色谱仪操作说明书:[6]
阅读量:160
猜你喜欢
乏味是什么意思
汇兑是什么意思
含苞欲放的意思
饥荒魔杖有什么用
oee是什么意思
神通广大的意思
检阅的意思
芊芊什么颜色
萌是什么意思
吃柿子有什么好处
猜你喜欢
carrot是什么意思
捧腹大笑的意思
痤疮用什么
rainbow是什么意思
地勤是做什么的
在地下城寻求邂逅是否搞错了什么漫画
九价疫苗是什么意思
信贷公司是做什么的
yield是什么意思
白手起家的意思