指南生活
首页
美食营养
手工爱好
生活家居
返回
指南生活
首页
美食营养
游戏数码
手工爱好
生活家居
健康养生
运动户外
职场理财
情感交际
母婴教育
时尚美容
知识问答
生活知识
生活百科
搜索
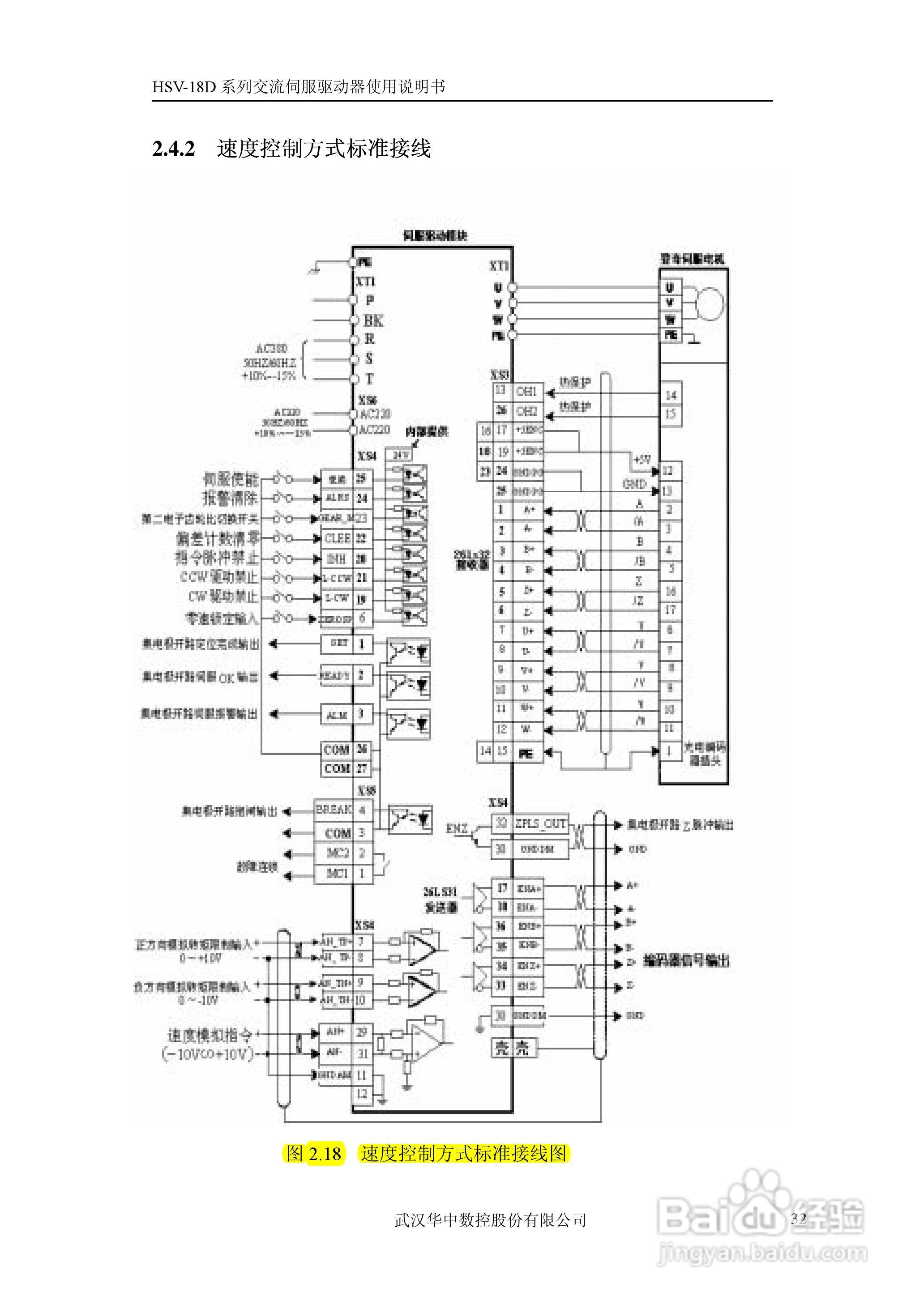
HSV-18D交流伺服驱动器使用说明书V1.2:[4]
2026-03-23 08:02:22
本篇为《HSV-18D交流伺服驱动器使用说明书V1.2》,主要介绍该产品的使用方法以及常见故障解决方案。
(共篇)
上一篇:
|
下一篇:
声明:
本网站引用、摘录或转载内容仅供网站访问者交流或参考,不代表本站立场,如存在版权或非法内容,请联系站长删除,联系邮箱:site.kefu@qq.com。
相关推荐
HSV-18D交流伺服驱动器使用说明书V1.2:[2]
阅读量:119
HSV-18D交流伺服驱动器使用说明书V1.2:[6]
阅读量:49
HSV-18S系列交流主轴驱动器使用说明书V3.4:[2]
阅读量:130
HSV-18S系列交流主轴驱动器使用说明书V3.4:[5]
阅读量:49
HSV-18S系列交流主轴驱动器使用说明书V3.4:[4]
阅读量:153
猜你喜欢
蒲公英泡水喝有什么作用和功效
公章丢失怎么办
如何忘记一个深爱的人
苏州旅游景点地图
启辰r50怎么样
excel换行怎么换
郑和下西洋起锚地是哪里
枸杞的功效与作用泡水
电脑如何设置开机密码
怀孕期间感冒怎么办
猜你喜欢
汇中财富怎么样
河北建材职业技术学院怎么样
阴阳师灯笼鬼哪里多
如何进入开发者模式
蜀南竹海在哪里
如何防脱发
河北省旅游地图
如何去甲醛
tp-link路由器怎么设置
海马s7发动机怎么样