指南生活
首页
美食营养
手工爱好
生活家居
返回
指南生活
首页
美食营养
游戏数码
手工爱好
生活家居
健康养生
运动户外
职场理财
情感交际
母婴教育
时尚美容
知识问答
生活知识
生活百科
搜索
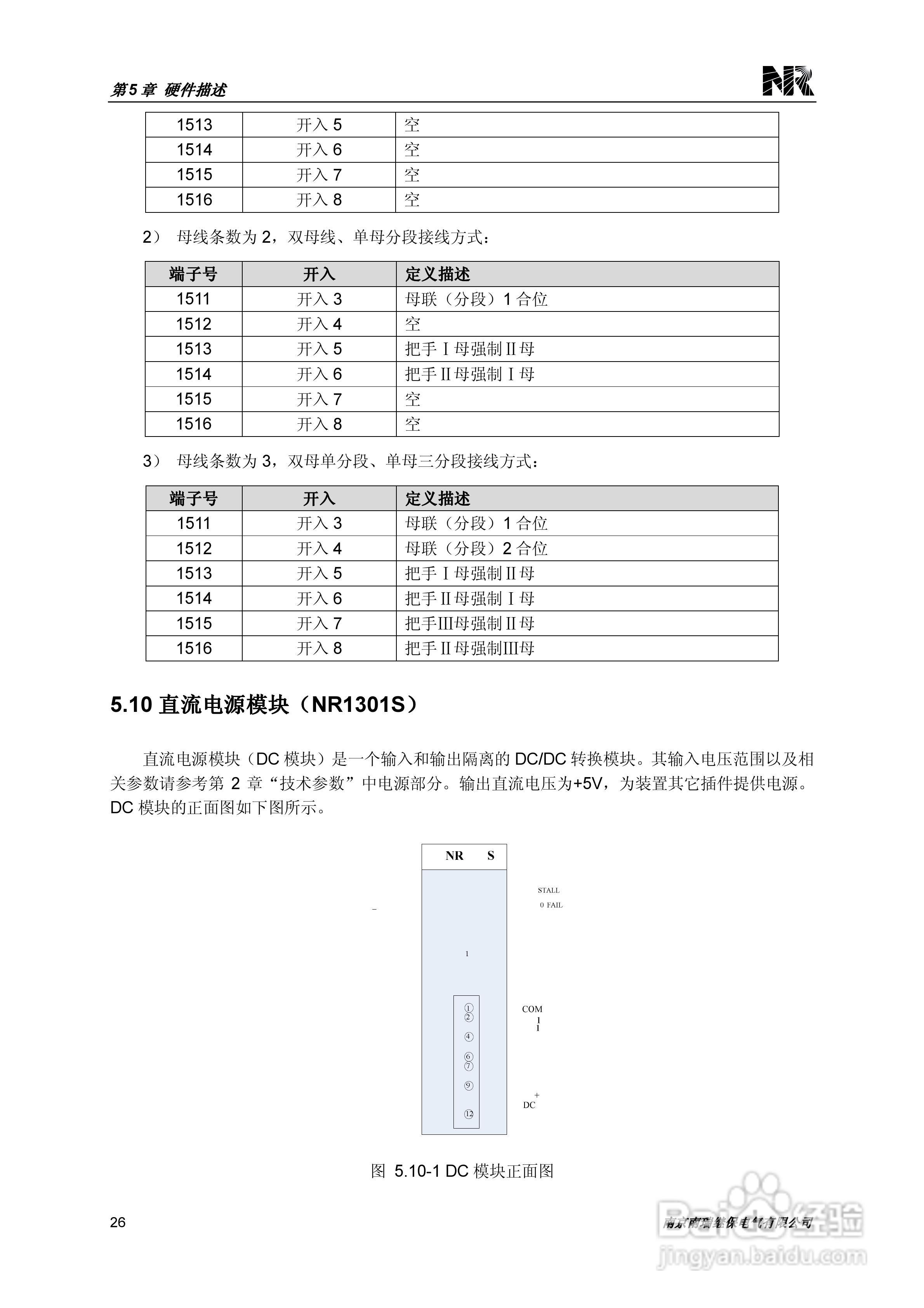
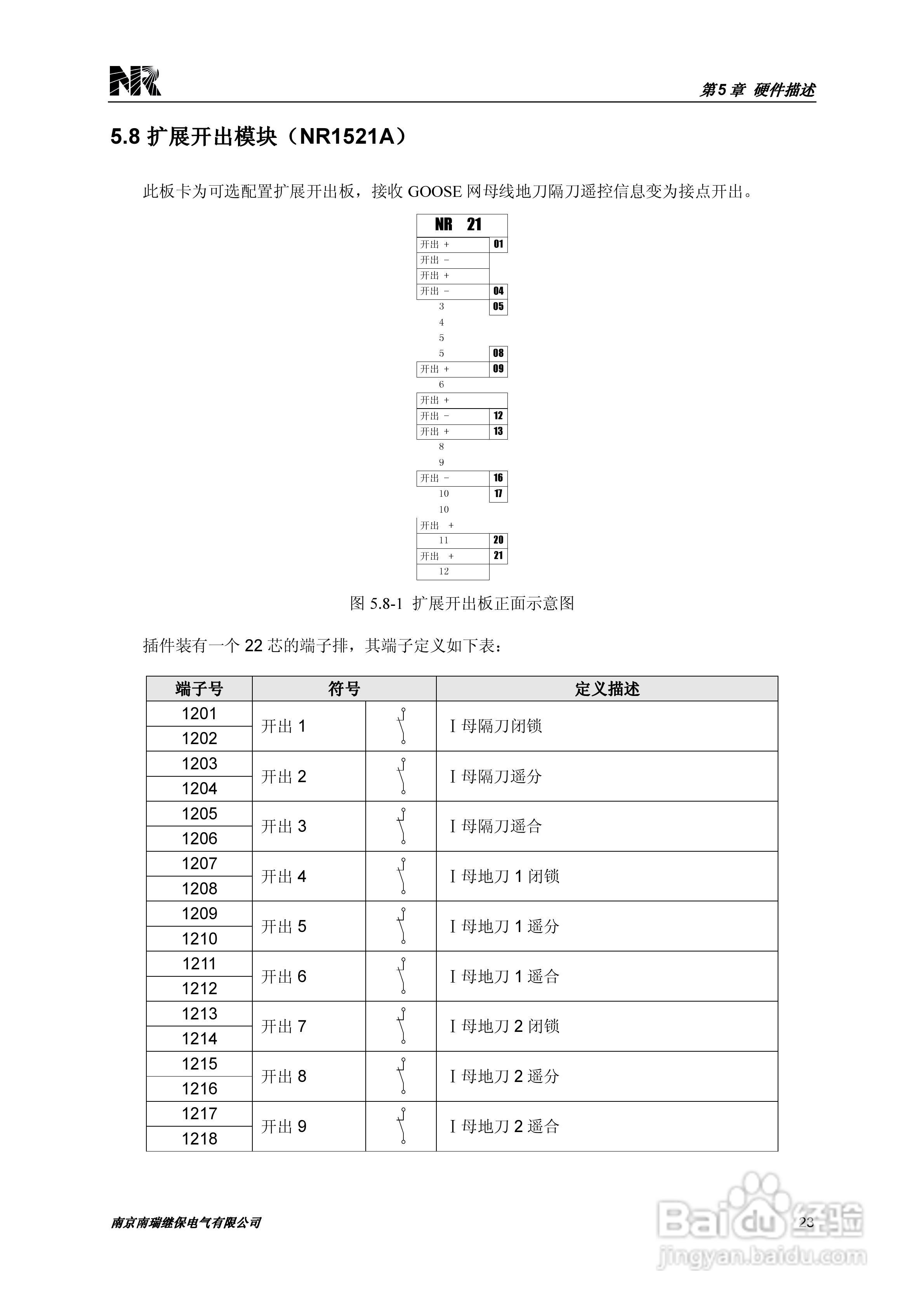
PCS-221N常规母线电压合并单元技术和使用说明书:[4]
2026-03-24 22:35:23
本篇为《PCS-221N常规母线电压合并单元技术和使用说明书》,主要介绍该产品的使用方法以及常见故障解决方案。
(共篇)
上一篇:
|
下一篇:
声明:
本网站引用、摘录或转载内容仅供网站访问者交流或参考,不代表本站立场,如存在版权或非法内容,请联系站长删除,联系邮箱:site.kefu@qq.com。
相关推荐
管家小柚怎么添加
阅读量:141
如何和德国人交朋友:[2]思维习惯
阅读量:152
日常生活中怎样培养孩子思维能力和思考习惯
阅读量:114
确诊淋巴癌的金标准是什么
阅读量:65
重合同守信用证书如何办理
阅读量:176
猜你喜欢
番禺有什么好玩的地方
卵黄囊什么时候出现
ceo是什么意思
杨颖什么时候离的婚
空虚是什么意思
用白醋泡脚有什么好处
干百合的功效与作用
如出一辙的意思
2014什么年
汐是什么意思
猜你喜欢
雷厉风行的意思
发腮是什么意思
什么牙膏美白效果好
自言自语的意思
什么的东风
高考200分能上什么学校
不可开交的意思
speechless什么意思
崩漏是什么意思
乃的意思