指南生活
首页
美食营养
手工爱好
生活家居
返回
指南生活
首页
美食营养
游戏数码
手工爱好
生活家居
健康养生
运动户外
职场理财
情感交际
母婴教育
时尚美容
知识问答
生活知识
搜索
日本山武指示调节器SDC40B使用说明书:[13]
2025-12-09 00:29:08
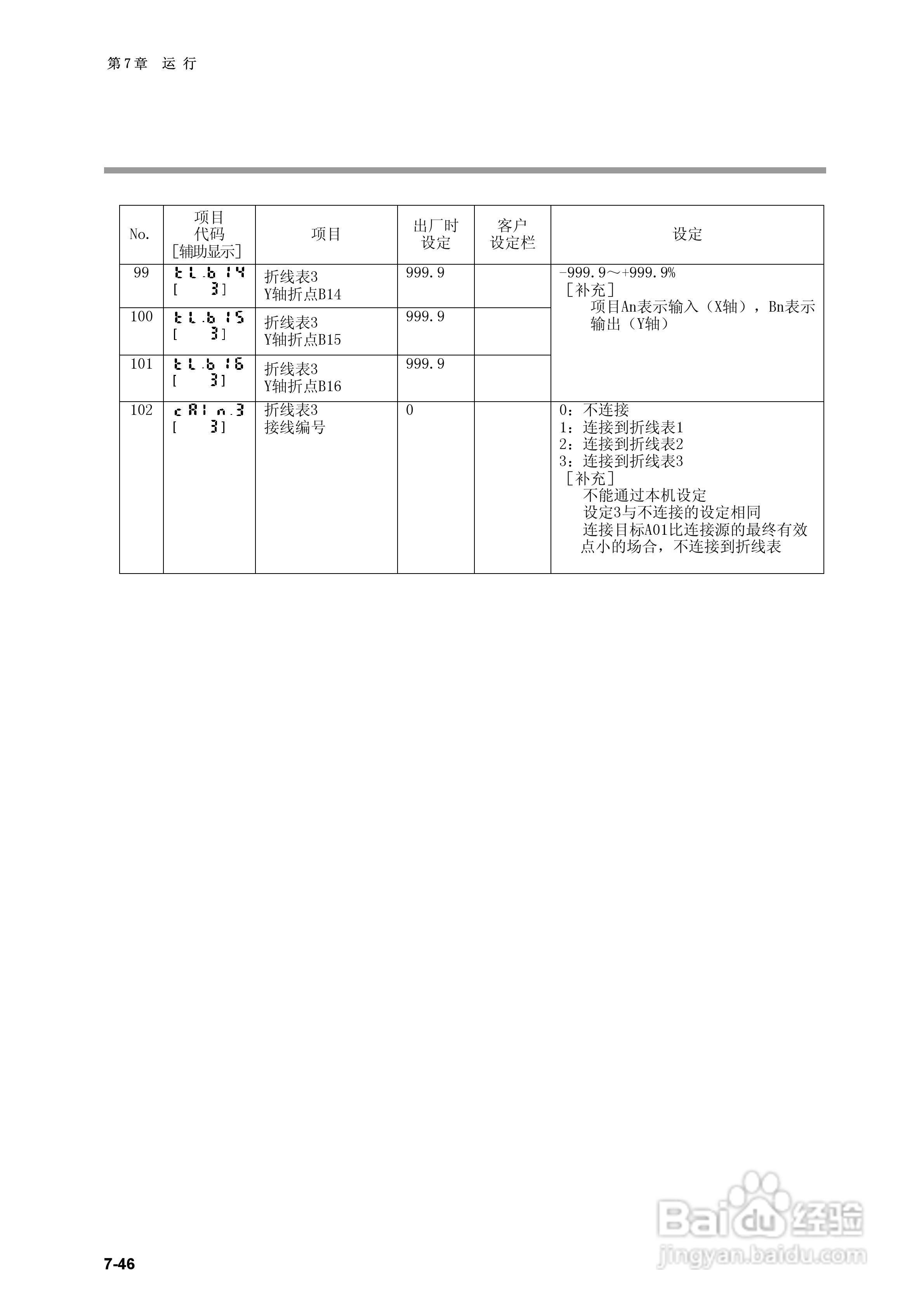
本篇为《日本山武指示调节器SDC40B使用说明书》,主要介绍该产品的使用方法以及常见故障解决方案。
(共篇)
上一篇:
|
下一篇:
声明:
本网站引用、摘录或转载内容仅供网站访问者交流或参考,不代表本站立场,如存在版权或非法内容,请联系站长删除,联系邮箱:site.kefu@qq.com。
相关推荐
日本山武指示调节器SDC40B使用说明书:[18]
阅读量:74
日本山武指示调节器SDC40B使用说明书:[19]
阅读量:181
使用说明书封面怎么做
阅读量:150
使用说明书wf2651使用指南
阅读量:22
日本山武指示调节器SDC40B使用说明书:[10]
阅读量:72
猜你喜欢
等比数列公式大全
颤音怎么唱
扑克牌游戏大全
i7处理器怎么样
推理题及答案大全
ps卸载不了怎么办
玫瑰花的资料大全
腌制腊肉的做法大全
怎么安装摄像头
邓文迪年轻时图片大全
猜你喜欢
热干面怎么吃
抗日战争电视剧大全
aeroplane怎么读
宝马x6怎么样
顾家沙发怎么样
问道坐骑怎么升阶
12星座大全
菊花图片大全大图
河南方言大全
说说大全2019最新版的