指南生活
首页
美食营养
手工爱好
生活家居
返回
指南生活
首页
美食营养
游戏数码
手工爱好
生活家居
健康养生
运动户外
职场理财
情感交际
母婴教育
时尚美容
知识问答
生活知识
搜索
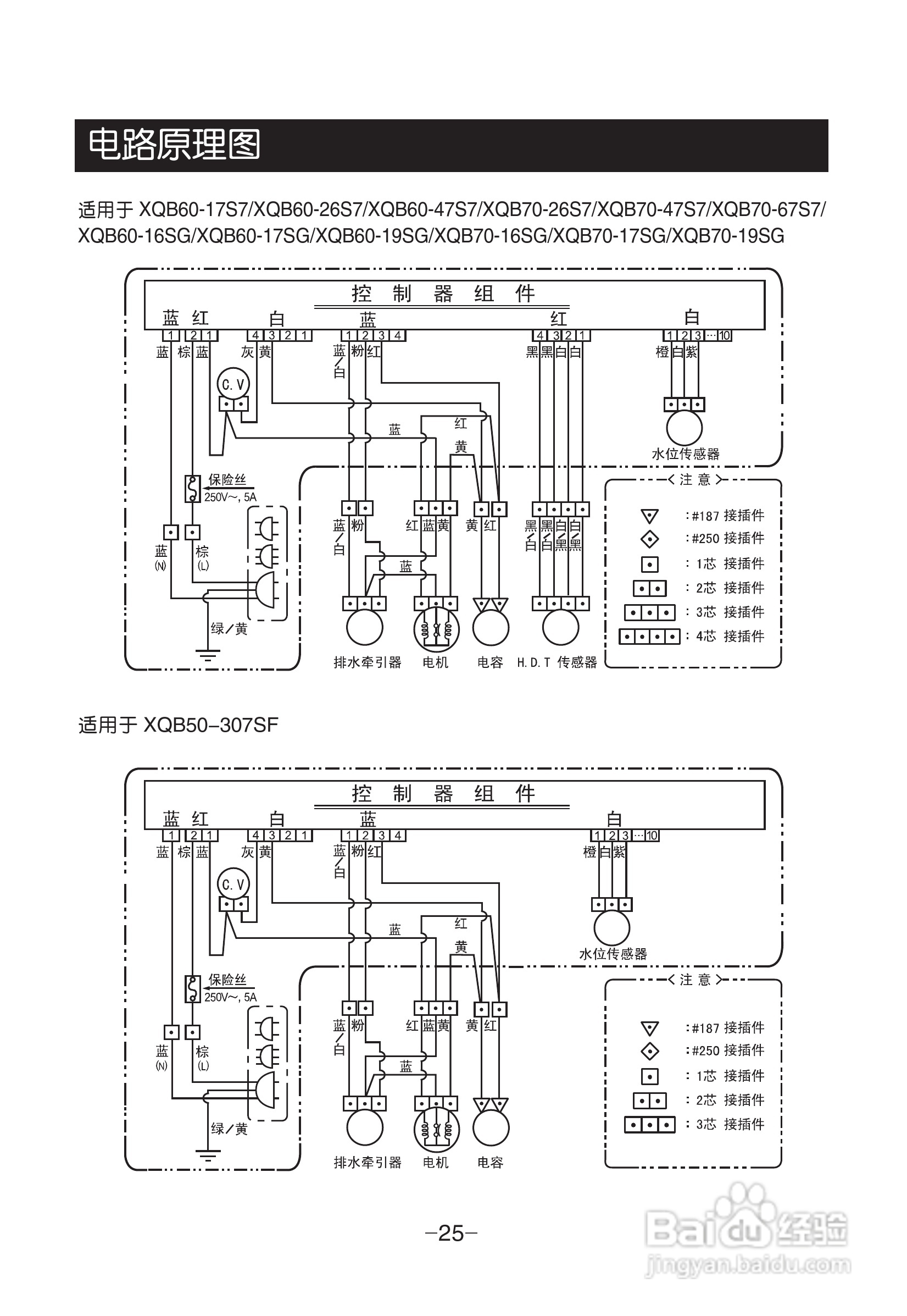
LG XQB70-17SG洗衣机使用说明书:[3]
2025-12-31 23:11:15
(共篇)
上一篇:
声明:
本网站引用、摘录或转载内容仅供网站访问者交流或参考,不代表本站立场,如存在版权或非法内容,请联系站长删除,联系邮箱:site.kefu@qq.com。
相关推荐
LG XQB60-17SG洗衣机使用说明书:[3]
阅读量:194
LG XQB60-17SG洗衣机使用说明书:[2]
阅读量:192
洗衣机如何安装进水管
阅读量:90
LG XQB60-17SG洗衣机使用说明书:[1]
阅读量:22
LG XQB70-17SG洗衣机使用说明书:[1]
阅读量:24
猜你喜欢
霎时的意思
谷精草的功效与作用
什么是emba
chicken是什么意思
笨鸟先飞的意思
pay是什么意思
lion是什么意思
run是什么意思
吊单杠有什么好处
黄牌车是什么意思
猜你喜欢
ip地址是什么意思
己所不欲勿施于人的意思
abby什么意思
懿是什么意思
顺理成章的意思
常州有什么好吃的
用什么洗脸会变白
eq是什么意思
dilemma什么意思
清澄的意思